Soporte de conductores para el cable HVI power en zonas Ex

El propietario de un establecimiento con peligro de explosión está obligado a distribuir la diferentes instalaciones en diferentes zonas con peligro de explosión. Para estas instalaciones debe tenerse en cuenta el rayo como potencial fuente de encendido. Por las directivas nacionales de seguridad operativa es necesario un documento de protección contra explosiones. El documento de protección contra explosiones describe las diferentes zonas con peligro de explosión.

El producto cable HVI power es apropiado para su utilización en zonas con peligro de explosión de la zona Ex 1 (gases, vapores, mezclas) y de la zona Ex 21 (polvos).
Las condiciones de instalación particulares aseguran que se evite una chispa eléctrica en las piezas metálicas cercanas durante el paso de la corriente de rayo a través del cable HVI power.

Detalles

lorem ipsum
lorem ipsum

HVI power Ex W85 holder

Para la fijación a piezas de construcción metálicas (fachadas) en las zonas Ex 1 y 21.

1 Producto

N.º art. 275450 LH ZS 27 EX W85 BP V2A

GTIN 4013364244436, N.º de arancel aduanero (EU): 85389099, Peso bruto: 179.40 g, Empaquetado: 10.00 unidad(es)


Figuras

Más información

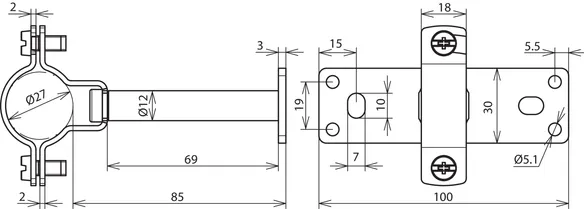
Soporte de conductores
para el cable HVI power en zonas Ex, INOX
Soporte de conductores
para el cable HVI power en zonas Ex
con distanciador de 85 mm para la fijación
a partes metálicas de la construcción (fachadas)
en las zonas Ex 1 y21.
Inserción del soporte de conductores Rd: 27 mm
Fijación: [4x] Ø5,1 / [2x] 7 x 10 mm
Normativa: DIN IEC/TS 62561-8 (VDE V 0185-561-8)

Producto DEHN
Tipo: LH ZS 27 EX W85 BP V2A
art. no.: 275450
o equivalente

Certificados

 

Datos técnicos

Material INOX
Inserción del soporte de conductores Rd 27 mm
Distancia de la pared 85 mm
Fijación [4x] Ø5,1 / [2x] 7 x 10 mm
Normativa DIN IEC/TS 62561-8 (VDE V 0185-561-8)

Se ha añadido el artículo 275450 a favoritos.

El artículo 275450 ha sido añadido a la cesta de compra.


HVI power Ex W240 holder

Para la fijación a piezas de construcción metálicas (fachadas) en las zonas Ex 1 y 21.

1 Producto

N.º art. 275451 LH ZS 27 EX W240 BP V2A

GTIN 4013364244498, N.º de arancel aduanero (EU): 85389099, Peso bruto: 291.40 g, Empaquetado: 10.00 unidad(es)


Figuras

Más información

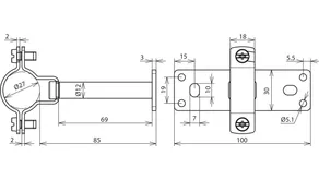
Soporte de conductores
para el cable HVI power en zonas Ex, INOX
Soporte de conductores
para el cable HVI power en zonas Ex
con distanciador de 240 mm para la fijación
a partes metálicas de la construcción (fachadas)
en las zonas Ex 1 y 21.
Inserción del soporte de conductores Rd: 27 mm
Fijación: [4x] Ø5,1 / [2x] 7 x 10 mm
Normativa: DIN IEC/TS 62561-8 (VDE V 0185-561-8)

Producto DEHN
Tipo: LH ZS 27 EX W240 BP V2A
art. no.: 275451
o equivalente

Certificados

 

Datos técnicos

Material INOX
Inserción del soporte de conductores Rd 27 mm
Distancia de la pared 240 mm
Fijación [4x] Ø5,1 / [2x] 7 x 10 mm
Normativa DIN IEC/TS 62561-8 (VDE V 0185-561-8)

Se ha añadido el artículo 275451 a favoritos.

El artículo 275451 ha sido añadido a la cesta de compra.


HVI power Ex P85 holder

Para la fijación a tubos con cinta de sujeción (Art Nº 106 323) en las zonas Ex 1 y 21.

1 Producto

N.º art. 275454 LH ZS 27 EX P85 SBB V2A

GTIN 4013364244504, N.º de arancel aduanero (EU): 85389099, Peso bruto: 188.50 g, Empaquetado: 10.00 unidad(es)


Figuras

Más información

Soporte de conductores
para el cable HVI power en zonas Ex, INOX
Soporte de conductores
para el cable HVI power en zonas Ex
con distanciador de 85 mm para la fijación
a tubos, p. ej. con la abrazadera de banda
(Art.-Nr. 106323, a pedir separadamente)
en las zonas Ex 1 y 21.
Inserción del soporte de conductores Rd: 27 mm
Margen de apriete del tubo: 50-300 mm
Normativa: DIN IEC/TS 62561-8 (VDE V 0185-561-8)

Producto DEHN
Tipo: LH ZS 27 EX P85 SBB V2A
art. no.: 275454
o equivalente

Certificados

 

Datos técnicos

Material INOX
Inserción del soporte de conductores Rd 27 mm
Distancia de la pared 85 mm
Margen de apriete del tubo 50-300 mm
Normativa DIN IEC/TS 62561-8 (VDE V 0185-561-8)

Se ha añadido el artículo 275454 a favoritos.

El artículo 275454 ha sido añadido a la cesta de compra.


HVI power Ex P240 holder

Para la fijación a tubos con cinta de sujeción (Art Nº 106 323) en las zonas Ex 1 y 21.

1 Producto

N.º art. 275455 LH ZS 27 EX P240 SBB V2A

GTIN 4013364244535, N.º de arancel aduanero (EU): 85389099, Peso bruto: 296.30 g, Empaquetado: 10.00 unidad(es)


Figuras

Más información

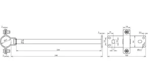
Soporte de conductores
para el cable HVI power en zonas Ex, INOX
Soporte de conductores
para el cable HVI power en zonas Ex
con distanciador de 240 mm para la fijación
a tubos, p. ej. con la abrazadera de banda
(Art.-Nr. 106 323, a pedir separadamente)
en las zonas Ex 1 y 21
Inserción del soporte de conductores Rd: 27 mm
Margen de apriete del tubo: 50-300 mm
Normativa: DIN IEC/TS 62561-8 (VDE V 0185-561-8)

Producto DEHN
Tipo: LH ZS 27 EX P240 SBB V2A
art. no.: 275455
o equivalente

Certificados

 

Datos técnicos

Material INOX
Inserción del soporte de conductores Rd 27 mm
Distancia de la pared 240 mm
Margen de apriete del tubo 50-300 mm
Normativa DIN IEC/TS 62561-8 (VDE V 0185-561-8)

Se ha añadido el artículo 275455 a favoritos.

El artículo 275455 ha sido añadido a la cesta de compra.


back to top