DEHNguard SE H ... FM

  • Descargador de sobretensiones, para uso universal, con elemento de base y módulo de protección enchufable
  • Energéticamente coordinado en la línea de productos Red/Line
  • Alta capacidad de derivación
  • Alta seguridad del equipo por el dispositivo de vigilancia "Thermo-Dynamik-Control"
  • Cambio del módulo de protección fácil sin herramientas gracias al sistema de desbloqueo

DEHNguard SE H 1000 FM

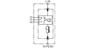
Descargador de sobretensiones unipolar, modular, con elemento de base y módulo de protección enchufable; con contacto de señalización a distancia (contacto conmutado libre de potencial).

1 Producto

N.º art. 952938 DG SE H 1000 FM

GTIN 4013364264014, N.º de arancel aduanero (EU): 85363030, Peso bruto: 229.00 g, Empaquetado: 1.00 unidad(es)


Figuras

Más información

Descargador de sobretensiones DEHNguard SE H 1000 FM
Descargador de sobretensiones, 1 polo, modular, enchufable
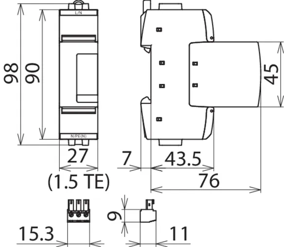
con contacto de señalización a distancia, ancho 1,5 móds.
Descargador Tipo 2 según la EN 61643-11
Máx. tensión de servicio: 1000 V ac
Nivel de protección: <= 4,5 kV
Corriente nominal de descarga: 20 kA
Resistencia a cortocircuito: 25 kAeff
Coordinación energética según la DIN EN 62305-4
Descargador de la línea Red/Line

Producto DEHN
Tipo: DG SE H 1000 FM
art. no.: 952938
o equivalente

Certificados

 

Datos técnicos

SPD según EN 61643-11 / ... IEC 61643-11 Tipo 2 / Clase II
Máx. tensión permisible de servicio AC (UC ) 1000 V (50 / 60 Hz)
Corriente nominal de descarga (8/20 µs) (In ) 20 kA
Corriente de descarga max. (8/20 µs) (Imax ) 40 kA
Nivel de protección (UP ) ≤ 4,5 kV
Fusible previo máx. 100 A gG
Estado operativo/defectuoso verde / rojo
Contactos FM/Forma de los contactos contacto conmutado

Se ha añadido el artículo 952938 a favoritos.

El artículo 952938 ha sido añadido a la cesta de compra.


DEHNguard SE H 1000 VA FM

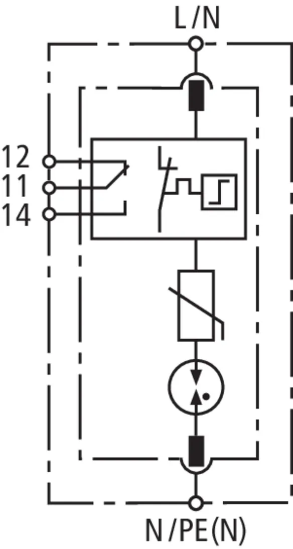
Descargador de sobretensiones unipolar modular con elemento de base y módulo de protección enchufable; con contacto de señalización a distancia libre de potencial. Conexión en serie de varistor y descargador de gas.

1 Producto

N.º art. 952940 DG SE H 1000 VA FM

GTIN 4013364308329, N.º de arancel aduanero (EU): 85363030, Peso bruto: 229.00 g, Empaquetado: 1.00 unidad(es)


Figuras

Más información

Descargador de sobretensiones DEHNguard SE H 1000 VA FM
Descargador de sobretensiones unipolar y modular, enchufable
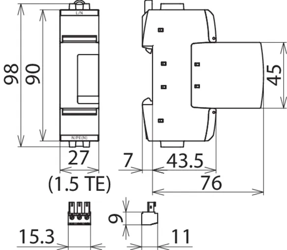
con contacto de señalización a distancia, ancho 1,5 móds.
Descargador Tipo 2 según la EN 61643-11
Máx. tensión de servicio: 1000 V ac
Nivel de protección: <= 5 kV
Corriente de choque de rayo nominal: 15 kA
Resistencia a cortocircuito: 25 kAeff
Coordinación energética según la DIN EN 62305-4
Descargador de la línea Red/Line

Producto DEHN
Tipo: DG SE H 1000 VA FM
art. no.: 952940
o equivalente

Certificados

 

Datos técnicos

SPD según EN 61643-11 / ... IEC 61643-11 Tipo 2 / Clase II
Máx. tensión permisible de servicio AC (UC ) 1000 V (50 / 60 Hz)
Corriente nominal de descarga (8/20 µs) (In ) 15 kA
Corriente de descarga max. (8/20 µs) (Imax ) 40 kA
Nivel de protección (UP ) ≤ 5 kV
Fusible previo máx. 100 A gG
Estado operativo/defectuoso verde / rojo
Certificaciones UL
Contactos FM/Forma de los contactos contacto conmutado
Datos técnicos adicionales: ---------------------------------------
- Tensión de respuesta del descargador de gas (Uagmin ) 2200 V

Se ha añadido el artículo 952940 a favoritos.

El artículo 952940 ha sido añadido a la cesta de compra.


back to top