Sistema de puesta a tierra para aplicaciones ferroviarias

Nuestro sistema de puesta a tierra para aplicaciones ferroviarias DEHN ha demostrado su eficacia en la tecnología de transporte, ya que se ha desarrollado especialmente para la puesta a tierra de las armaduras de los elementos de hormigón situados a corta distancia de las instalaciones eléctricas de alta tensión. Por un lado, permite la compensación de potencial de las estructuras de hormigón y, por otro, transfiere la corriente de cortocircuito cuando se produce una rotura de la catenaria.
Para ello, DEHN ofrece al usuario diferentes puentes de puesta a tierra, así como conectores de puesta a tierra que, gracias a sus fijaciones finales y elementos de conexión variables, ofrecen un amplio sistema modular con una gran variedad de combinaciones posibles. Nuestros sistemas de puesta a tierra para aplicaciones ferroviarias DEHN cuentan con la homologación de DB Netz AG.

Puentes de puesta a tierra de acero inoxidable D BEB 16

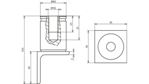
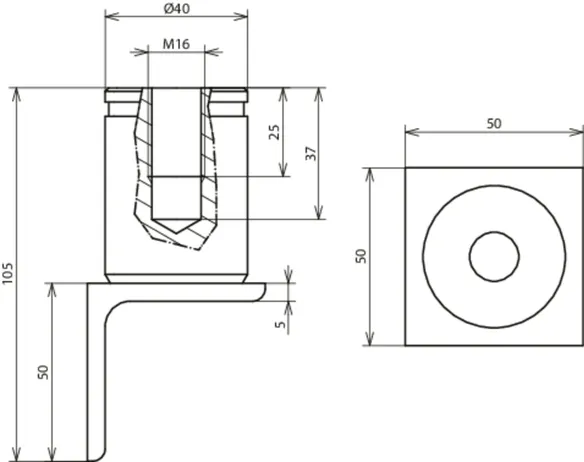
Los puentes de puesta a tierra están destinados a la puesta a tierra, al encaminamiento de la corriente de retorno y a la conexión equipotencial en el ámbito de las líneas ferroviarias. El puente de puesta a tierra de acero inoxidable lo garantiza mediante un cordón de soldadura bien definido al conductor de puesta a tierra. Este puente de puesta a tierra también cuenta con la homologación técnica de DB Netz AG y, por tanto, puede utilizarse con seguridad en los diseños destinados a este ámbito.

1 Producto

N.º art. 419160 D BEB 16 - 105 / 3 EBS 15-03-19-38

GTIN 4013364510203, N.º de arancel aduanero (EU): 85369010, Peso bruto: 697.72 g, Empaquetado: 8.00 unidad(es)


Figuras

Más información

Puente de puesta a tierra de acero inoxidable D BEB 16 - 105 / 3 EBS 15-03-19-38
Puente de puesta a tierra de acero inoxidable
D BEB 16 - 105 / 3 EBS 15-03-19-38
para la puesta a tierra
de armaduras de
elementos de hormigón con
homologación de
DB Netz AG
Material del elemento de conexión: INOX
Ref. de material: 1.4301
Material del angular: Acero
Corriente de cortocircuito: > 25 kA
Corriente de prueba: 40 kA / 100 ms
Corriente de cortocircuito (CA 50 Hz / CC): 12,6 kA
Rosca: M16
Diámetro de la placa de conexión: 40 mm
Dimensiones del angular: 50 x 50 x 5 mm
Altura total: 105 mm
N.º de dibujo DB: 3 Ebs 15.03.19 - 38
Referencia normativa: Ril 997.0205A01

Producto DEHN
Tipo: D BEB 16 - 105 / 3 EBS 15-03-19-38
art. no.: 419160
o equivalente

 

Datos técnicos

Material del elemento de conexión INOX
Ref. de material 1.4301
Material del angular Acero
Corriente de cortocircuito > 25 kA
Corriente de prueba 40 kA / 100 ms
Corriente de cortocircuito (CA 50 Hz / CC) (1 s; ≤ 300 °C) 12,6 kA
Rosca M16
Diámetro de la placa de conexión 40 mm
Dimensiones del angular (la. x an. x prof.) 50 x 50 x 5 mm
Altura total 105 mm
N.º de dibujo DB 3 Ebs 15.03.19 - 38
Referencia normativa Ril 997.0205A01

Se ha añadido el artículo 419160 a favoritos.

El artículo 419160 ha sido añadido a la cesta de compra.


Puentes de puesta a tierra de pletina de acero D BEB 1-NR

Los puentes de puesta a tierra están destinados a la puesta a tierra, al encaminamiento de la corriente de retorno y a la conexión equipotencial en el ámbito de las líneas ferroviarias. Esta variante lo garantiza gracias a que se instala a ras de la superficie y se suelda a la armadura de tierra a través de una pletina de acero y con una soldadura bien definida. Este puente de puesta a tierra también cuenta con la homologación técnica de DB Netz AG y, por tanto, puede utilizarse con seguridad en los diseños destinados a este ámbito.

1 Producto

N.º art. 419012 D BEB 1-NR / EBS 15-03-19

GTIN 4013364439467, N.º de arancel aduanero (EU): 85369010, Peso bruto: 1.46 kg, Empaquetado: 1.00 unidad(es)


Figuras

Más información

Puente de puesta a tierra de pletina de acero D BEB 1-NR / EBS 15-03-19
para la puesta a tierra de armaduras de elementos de hormigón
con homologación de DB Netz AG
Material del elemento de conexión: INOX
Ref. de material: 1.4301
Material de la pletina de acero: S235
Corriente de cortocircuito: > 25 kA
Corriente de prueba: 40 kA / 100 ms
Corriente de cortocircuito (CA 50 Hz / CC): 12,6 kA
Rosca: M16
Diámetro de la placa de conexión: 50 mm
Dimensiones de la pletina de acero: 400 x 50 x 5 mm
Altura total: 63 mm
N.º de dibujo DB: 3 Ebs 15.03.19 - 36
Referencia normativa: Ril 997.0205A01

Producto DEHN
Tipo: D BEB 1-NR / EBS 15-03-19
art. no.: 419012
o equivalente

 

Datos técnicos

Material del elemento de conexión INOX
Ref. de material 1.4301
Material de la pletina de acero S235
Corriente de cortocircuito > 25 kA
Corriente de prueba 40 kA / 100 ms
Corriente de cortocircuito (CA 50 Hz / CC) (1 s; ≤ 300 °C) 12,6 kA
Rosca M16
Diámetro de la placa de conexión 50 mm
Dimensiones de la pletina de acero 400 x 50 x 5 mm
Altura total 63 mm
N.º de dibujo DB 3 Ebs 15.03.19 - 36
Referencia normativa Ril 997.0205A01

Se ha añadido el artículo 419012 a favoritos.

El artículo 419012 ha sido añadido a la cesta de compra.


Puentes de puesta a tierra de acero para hormigón D BEB 2

Los puentes de puesta a tierra están destinados a la puesta a tierra, al encaminamiento de la corriente de retorno y a la conexión equipotencial en el ámbito de las líneas ferroviarias. Esta variante se instala a ras de la superficie y se suelda al refuerzo de acero curvado de puesta a tierra, especialmente en situaciones de montaje en las que el espacio es crítico. Este puente de puesta a tierra también cuenta con la homologación técnica de DB Netz AG y, por tanto, puede utilizarse con seguridad en los diseños destinados a este ámbito.

1 Producto

N.º art. 419020 D BEB 2 / EBS 15-03-19

GTIN 4013364439405, N.º de arancel aduanero (EU): 85369010, Peso bruto: 950.00 g, Empaquetado: 1.00 unidad(es)


Figuras

Más información

Puente de puesta a tierra de acero para hormigón D BEB 2 / EBS 15-03-19
para la puesta a tierra de armaduras de elementos de hormigón
con homologación de DB Netz AG
Material de la placa: INOX
Ref. de material: 1.4301
Material del casquillo: St / Cu
Material del eje: Acero para hormigón B500B
Corriente de cortocircuito: > 25 kA
Corriente de prueba: 40 kA / 100 ms
Corriente de cortocircuito (CA 50 Hz / CC): 12,6 kA
Rosca: M16
Diámetro de la placa de conexión: 50 mm
Diámetro de las armaduras de acero para hormigón: 16 mm
Altura de construcción: 160 mm
Longitud: 400 mm
N.º de dibujo DB: 3 Ebs 15.03.19 - 31
Referencia normativa: Ril 997.0205A01

Producto DEHN
Tipo: D BEB 2 / EBS 15-03-19
art. no.: 419020
o equivalente

 

Datos técnicos

Material de la placa INOX
Ref. de material 1.4301
Material del casquillo St / Cu
Material del eje Acero para hormigón B500B
Corriente de cortocircuito > 25 kA
Corriente de prueba 40 kA / 100 ms
Corriente de cortocircuito (CA 50 Hz / CC) (1 s; ≤ 300 °C) 12,6 kA
Rosca M16
Diámetro de la placa de conexión 50 mm
Diámetro de las armaduras de acero para hormigón 16 mm
Altura de construcción 160 mm
Longitud 400 mm
N.º de dibujo DB 3 Ebs 15.03.19 - 31
Referencia normativa Ril 997.0205A01

Se ha añadido el artículo 419020 a favoritos.

El artículo 419020 ha sido añadido a la cesta de compra.


Puentes de puesta a tierra de acero para hormigón D BEB 3

Los puentes de puesta a tierra están destinados a la puesta a tierra, al encaminamiento de la corriente de retorno y a la conexión equipotencial en el ámbito de las líneas ferroviarias. Esta variante se instala a ras de la superficie y se suelda con el refuerzo de acero a la armadura de tierra. Este puente de puesta a tierra también cuenta con la homologación técnica de DB Netz AG y, por tanto, puede utilizarse con seguridad en los diseños destinados a este ámbito.

1 Producto

N.º art. 419030

GTIN , Peso bruto: , Empaquetado:


Figuras

Más información

Puente de puesta a tierra de acero para hormigón D BEB 3 / EBS 15-03-19
para la puesta a tierra de armaduras de elementos de hormigón
con homologación de DB Netz AG
Material de la placa: INOX
Ref. de material: 1.4301
Material del casquillo: St / Cu
Material del eje: Acero para hormigón B500B
Corriente de cortocircuito: > 25 kA
Corriente de prueba: 40 kA / 100 ms
Corriente de cortocircuito (CA 50 Hz / CC): 12,6 kA
Rosca: M16
Diámetro de la placa de conexión: 50 mm
Diámetro de las armaduras de acero para hormigón: 16 mm
Longitud: 400 mm
N.º de dibujo DB: 3 Ebs 15.03.19 - 31
Referencia normativa: Ril 997.0205A01

Producto DEHN
Tipo: null
art. no.: 419030
o equivalente

 

Datos técnicos

Material de la placa INOX
Ref. de material 1.4301
Material del casquillo St / Cu
Material del eje Acero para hormigón B500B
Corriente de cortocircuito > 25 kA
Corriente de prueba 40 kA / 100 ms
Corriente de cortocircuito (CA 50 Hz / CC) (1 s; ≤ 300 °C) 12,6 kA
Rosca M16
Diámetro de la placa de conexión 50 mm
Diámetro de las armaduras de acero para hormigón 16 mm
Longitud 400 mm
N.º de dibujo DB 3 Ebs 15.03.19 - 31
Referencia normativa Ril 997.0205A01

Se ha añadido el artículo 419030 a favoritos.

El artículo 419030 ha sido añadido a la cesta de compra.


Puentes de puesta a tierra de cable de cobre D BEB 4 / 5

Los puentes de puesta a tierra están destinados a la puesta a tierra, al encaminamiento de la corriente de retorno y a la conexión equipotencial en el ámbito de las líneas ferroviarias. Esta variante se instala a ras de la superficie y se suelda a la armadura de tierra con la lengüeta de acero chapado en cobre montada a presión en el cable de cobre. La flexibilidad del cable facilita al usuario la instalación en la armadura. Las variantes especiales FLEX son especialmente idóneas para situaciones de montaje en los que se dispone de poco espacio: en este caso se utilizan cables de cobre extraflexibles y de hilo fino. Estos puentes de puesta a tierra también cuentan con la homologación técnica de DB Netz AG y, por tanto, pueden utilizarse con seguridad en los diseños destinados a este ámbito.
Reciba longitudes especiales previa petición: hasta 500 mm de longitud total en pasos de 50 mm y desde 500 mm de longitud total en pasos de 100 mm.

7 Productos

N.º art. 419040 D BEB 4 / EBS 15-03-19

GTIN 4013364439481, N.º de arancel aduanero (EU): 85369010, Peso bruto: 640.00 g, Empaquetado: 1.00 unidad(es)


Figuras

Más información

Puente de puesta a tierra de cable de cobre D BEB 4 / EBS 15-03-19
para la puesta a tierra de armaduras de elementos de hormigón
con homologación de DB Netz AG
Material de la placa: INOX
Ref. de material: 1.4301
Material del casquillo: St / Cu
Material de la brida: St / Cu
Material del cable: Cu
Corriente de cortocircuito: ≤ 25 kA
Corriente de prueba: 25 kA / 100 ms
Corriente de cortocircuito (CA 50 Hz / CC): 7,9 kA
Rosca: M16
Diámetro de la placa de conexión: 50 mm
Cable: NYY-O
Sección del cable: 70 mm²
Diámetro del cable: 17 mm
Dimensiones de la brida: 80 x 30 mm
Longitud: 500 mm
N.º de dibujo DB: 3 Ebs 15.03.19 - 32
Referencia normativa: Ril 997.0205A01

Producto DEHN
Tipo: D BEB 4 / EBS 15-03-19
art. no.: 419040
o equivalente

 

Datos técnicos

Material de la placa INOX
Ref. de material 1.4301
Material del casquillo St / Cu
Material de la brida St / Cu
Material del cable Cu
Corriente de cortocircuito ≤ 25 kA
Corriente de prueba 25 kA / 100 ms
Corriente de cortocircuito (CA 50 Hz / CC) (1 s; ≤ 300 °C) 7,9 kA
Rosca M16
Diámetro de la placa de conexión 50 mm
Cable NYY-O
Sección del cable 70 mm²
Diámetro del cable 17 mm
Dimensiones de la brida 80 x 30 mm
Longitud 500 mm
N.º de dibujo DB 3 Ebs 15.03.19 - 32
Referencia normativa Ril 997.0205A01

Se ha añadido el artículo 419040 a favoritos.

El artículo 419040 ha sido añadido a la cesta de compra.

N.º art. 419050 D BEB 5 / EBS 15-03-19

GTIN 4013364439504, N.º de arancel aduanero (EU): 85369010, Peso bruto: 710.00 g, Empaquetado: 1.00 unidad(es)


Figuras

Más información

Puente de puesta a tierra de cable de cobre D BEB 5 / EBS 15-03-19
para la puesta a tierra de armaduras de elementos de hormigón
con homologación de DB Netz AG
Material de la placa: INOX
Ref. de material: 1.4301
Material del casquillo: St / Cu
Material de la brida: St / Cu
Material del cable: Cu
Corriente de cortocircuito: > 25 kA
Corriente de prueba: 40 kA / 100 ms
Corriente de cortocircuito (CA 50 Hz / CC): 12,6 kA
Rosca: M16
Diámetro de la placa de conexión: 50 mm
Cable: NYY-O
Sección del cable: 95 mm²
Diámetro del cable: 19 mm
Dimensiones de la brida: 80 x 30 mm
Longitud: 500 mm
N.º de dibujo DB: 3 Ebs 15.03.19 - 32
Referencia normativa: Ril 997.0205A01

Producto DEHN
Tipo: D BEB 5 / EBS 15-03-19
art. no.: 419050
o equivalente

 

Datos técnicos

Material de la placa INOX
Ref. de material 1.4301
Material del casquillo St / Cu
Material de la brida St / Cu
Material del cable Cu
Corriente de cortocircuito > 25 kA
Corriente de prueba 40 kA / 100 ms
Corriente de cortocircuito (CA 50 Hz / CC) (1 s; ≤ 300 °C) 12,6 kA
Rosca M16
Diámetro de la placa de conexión 50 mm
Cable NYY-O
Sección del cable 95 mm²
Diámetro del cable 19 mm
Dimensiones de la brida 80 x 30 mm
Longitud 500 mm
N.º de dibujo DB 3 Ebs 15.03.19 - 32
Referencia normativa Ril 997.0205A01

Se ha añadido el artículo 419050 a favoritos.

El artículo 419050 ha sido añadido a la cesta de compra.

N.º art. 419051 D BEB 5-FLEX / EBS 15-03-19

GTIN 4013364439511, N.º de arancel aduanero (EU): 85369010, Peso bruto: 640.00 g, Empaquetado: 1.00 unidad(es)


Figuras

Más información

Puente de puesta a tierra de cable de cobre D BEB 5-FLEX / EBS 15-03-19
para la puesta a tierra de armaduras de elementos de hormigón
con homologación de DB Netz AG
Material de la placa: INOX
Ref. de material: 1.4301
Material del casquillo: St / Cu
Material de la brida: St / Cu
Material del cable: Cu
Corriente de cortocircuito: > 25 kA
Corriente de prueba: 40 kA / 100 ms
Corriente de cortocircuito (CA 50 Hz / CC): 12,6 kA
Rosca: M16
Diámetro de la placa de conexión: 50 mm
Cable: H07V-K
Sección del cable: 95 mm²
Diámetro del cable: 19 mm
Dimensiones de la brida: 80 x 30 mm
Longitud: 500 mm
N.º de dibujo DB: 3 Ebs 15.03.19 - 32
Referencia normativa: Ril 997.0205A01

Producto DEHN
Tipo: D BEB 5-FLEX / EBS 15-03-19
art. no.: 419051
o equivalente

 

Datos técnicos

Material de la placa INOX
Ref. de material 1.4301
Material del casquillo St / Cu
Material de la brida St / Cu
Material del cable Cu
Corriente de cortocircuito > 25 kA
Corriente de prueba 40 kA / 100 ms
Corriente de cortocircuito (CA 50 Hz / CC) (1 s; ≤ 300 °C) 12,6 kA
Rosca M16
Diámetro de la placa de conexión 50 mm
Cable H07V-K
Sección del cable 95 mm²
Diámetro del cable 19 mm
Dimensiones de la brida 80 x 30 mm
Longitud 500 mm
N.º de dibujo DB 3 Ebs 15.03.19 - 32
Referencia normativa Ril 997.0205A01

Se ha añadido el artículo 419051 a favoritos.

El artículo 419051 ha sido añadido a la cesta de compra.

N.º art. 419501 D BEB 5 - L700 / EBS 15-03-19

GTIN 4013364458390, N.º de arancel aduanero (EU): 85369010, Peso bruto: 980.00 g, Empaquetado: 1.00 unidad(es)


Figuras

Más información

Puente de puesta a tierra de cable de cobre D BEB 5 / EBS 15-03-19
para la puesta a tierra de armaduras de elementos de hormigón
con homologación de DB Netz AG
Material de la placa: INOX
Ref. de material: 1.4301
Material del casquillo: St / Cu
Material de la brida: St / Cu
Material del cable: Cu
Corriente de cortocircuito: > 25 kA
Corriente de prueba: 40 kA / 100 ms
Corriente de cortocircuito (CA 50 Hz / CC): 12,6 kA
Rosca: M16
Diámetro de la placa de conexión: 50 mm
Cable: NYY-O
Sección del cable: 95 mm²
Diámetro del cable: 19 mm
Dimensiones de la brida: 80 x 30 mm
Longitud: 700 mm
N.º de dibujo DB: 3 Ebs 15.03.19 - 32
Referencia normativa: Ril 997.0205A01

Producto DEHN
Tipo: D BEB 5 - L700 / EBS 15-03-19
art. no.: 419501
o equivalente

 

Datos técnicos

Material de la placa INOX
Ref. de material 1.4301
Material del casquillo St / Cu
Material de la brida St / Cu
Material del cable Cu
Corriente de cortocircuito > 25 kA
Corriente de prueba 40 kA / 100 ms
Corriente de cortocircuito (CA 50 Hz / CC) (1 s; ≤ 300 °C) 12,6 kA
Rosca M16
Diámetro de la placa de conexión 50 mm
Cable NYY-O
Sección del cable 95 mm²
Diámetro del cable 19 mm
Dimensiones de la brida 80 x 30 mm
Longitud 700 mm
N.º de dibujo DB 3 Ebs 15.03.19 - 32
Referencia normativa Ril 997.0205A01

Se ha añadido el artículo 419501 a favoritos.

El artículo 419501 ha sido añadido a la cesta de compra.

N.º art. 419502 D BEB 5 - L1000 / EBS 15-03-19

GTIN 4013364458406, N.º de arancel aduanero (EU): 85369010, Peso bruto: 1.40 kg, Empaquetado: 1.00 unidad(es)


Figuras

Más información

Puente de puesta a tierra de cable de cobre D BEB 5 / EBS 15-03-19
para la puesta a tierra de armaduras de elementos de hormigón
con homologación de DB Netz AG
Material de la placa: INOX
Ref. de material: 1.4301
Material del casquillo: St / Cu
Material de la brida: St / Cu
Material del cable: Cu
Corriente de cortocircuito: > 25 kA
Corriente de prueba: 40 kA / 100 ms
Corriente de cortocircuito (CA 50 Hz / CC): 12,6 kA
Rosca: M16
Diámetro de la placa de conexión: 50 mm
Cable: NYY-O
Sección del cable: 95 mm²
Diámetro del cable: 19 mm
Dimensiones de la brida: 80 x 30 mm
Longitud: 1000 mm
N.º de dibujo DB: 3 Ebs 15.03.19 - 32
Referencia normativa: Ril 997.0205A01

Producto DEHN
Tipo: D BEB 5 - L1000 / EBS 15-03-19
art. no.: 419502
o equivalente

 

Datos técnicos

Material de la placa INOX
Ref. de material 1.4301
Material del casquillo St / Cu
Material de la brida St / Cu
Material del cable Cu
Corriente de cortocircuito > 25 kA
Corriente de prueba 40 kA / 100 ms
Corriente de cortocircuito (CA 50 Hz / CC) (1 s; ≤ 300 °C) 12,6 kA
Rosca M16
Diámetro de la placa de conexión 50 mm
Cable NYY-O
Sección del cable 95 mm²
Diámetro del cable 19 mm
Dimensiones de la brida 80 x 30 mm
Longitud 1000 mm
N.º de dibujo DB 3 Ebs 15.03.19 - 32
Referencia normativa Ril 997.0205A01

Se ha añadido el artículo 419502 a favoritos.

El artículo 419502 ha sido añadido a la cesta de compra.

N.º art. 419503 D BEB 5 - L1500 / EBS 15-03-19

GTIN 4013364458413, N.º de arancel aduanero (EU): 85369010, Peso bruto: 2.10 kg, Empaquetado: 1.00 unidad(es)


Figuras

Más información

Puente de puesta a tierra de cable de cobre D BEB 5 / EBS 15-03-19
para la puesta a tierra de armaduras de elementos de hormigón
con homologación de DB Netz AG
Material de la placa: INOX
Ref. de material: 1.4301
Material del casquillo: St / Cu
Material de la brida: St / Cu
Material del cable: Cu
Corriente de cortocircuito: > 25 kA
Corriente de prueba: 40 kA / 100 ms
Corriente de cortocircuito (CA 50 Hz / CC): 12,6 kA
Rosca: M16
Diámetro de la placa de conexión: 50 mm
Cable: NYY-O
Sección del cable: 95 mm²
Diámetro del cable: 19 mm
Dimensiones de la brida: 80 x 30 mm
Longitud: 1500 mm
N.º de dibujo DB: 3 Ebs 15.03.19 - 32
Referencia normativa: Ril 997.0205A01

Producto DEHN
Tipo: D BEB 5 - L1500 / EBS 15-03-19
art. no.: 419503
o equivalente

 

Datos técnicos

Material de la placa INOX
Ref. de material 1.4301
Material del casquillo St / Cu
Material de la brida St / Cu
Material del cable Cu
Corriente de cortocircuito > 25 kA
Corriente de prueba 40 kA / 100 ms
Corriente de cortocircuito (CA 50 Hz / CC) (1 s; ≤ 300 °C) 12,6 kA
Rosca M16
Diámetro de la placa de conexión 50 mm
Cable NYY-O
Sección del cable 95 mm²
Diámetro del cable 19 mm
Dimensiones de la brida 80 x 30 mm
Longitud 1500 mm
N.º de dibujo DB 3 Ebs 15.03.19 - 32
Referencia normativa Ril 997.0205A01

Se ha añadido el artículo 419503 a favoritos.

El artículo 419503 ha sido añadido a la cesta de compra.

N.º art. 419504 D BEB 5 - L2000 / EBS 15-03-19

GTIN 4013364458420, N.º de arancel aduanero (EU): 85369010, Peso bruto: 2.80 kg, Empaquetado: 1.00 unidad(es)


Figuras

Más información

Puente de puesta a tierra de cable de cobre D BEB 5 / EBS 15-03-19
para la puesta a tierra de armaduras de elementos de hormigón
con homologación de DB Netz AG
Material de la placa: INOX
Ref. de material: 1.4301
Material del casquillo: St / Cu
Material de la brida: St / Cu
Material del cable: Cu
Corriente de cortocircuito: > 25 kA
Corriente de prueba: 40 kA / 100 ms
Corriente de cortocircuito (CA 50 Hz / CC): 12,6 kA
Rosca: M16
Diámetro de la placa de conexión: 50 mm
Cable: NYY-O
Sección del cable: 95 mm²
Diámetro del cable: 19 mm
Dimensiones de la brida: 80 x 30 mm
Longitud: 2000 mm
N.º de dibujo DB: 3 Ebs 15.03.19 - 32
Referencia normativa: Ril 997.0205A01

Producto DEHN
Tipo: D BEB 5 - L2000 / EBS 15-03-19
art. no.: 419504
o equivalente

 

Datos técnicos

Material de la placa INOX
Ref. de material 1.4301
Material del casquillo St / Cu
Material de la brida St / Cu
Material del cable Cu
Corriente de cortocircuito > 25 kA
Corriente de prueba 40 kA / 100 ms
Corriente de cortocircuito (CA 50 Hz / CC) (1 s; ≤ 300 °C) 12,6 kA
Rosca M16
Diámetro de la placa de conexión 50 mm
Cable NYY-O
Sección del cable 95 mm²
Diámetro del cable 19 mm
Dimensiones de la brida 80 x 30 mm
Longitud 2000 mm
N.º de dibujo DB 3 Ebs 15.03.19 - 32
Referencia normativa Ril 997.0205A01

Se ha añadido el artículo 419504 a favoritos.

El artículo 419504 ha sido añadido a la cesta de compra.


Puentes de puesta a tierra de cable de cobre D BEB 6 / 7

Los puentes de puesta a tierra están destinados a la puesta a tierra, al encaminamiento de la corriente de retorno y a la conexión equipotencial en el ámbito de las líneas ferroviarias. Esta variante se utiliza como paso de puesta de tierra para los componentes y se instala a ambos lados a ras de la superficie. La flexibilidad del cable facilita al usuario la instalación en la armadura. Las variantes especiales FLEX son especialmente idóneas para situaciones de montaje en los que se dispone de poco espacio: en este caso se utilizan cables de cobre extraflexibles y de hilo fino. Estos puentes de puesta a tierra también cuentan con la homologación técnica de DB Netz AG y, por tanto, pueden utilizarse con seguridad en los diseños destinados a este ámbito.
Reciba longitudes especiales previa petición: hasta 500 mm de longitud total en pasos de 50 mm y desde 500 mm de longitud total en pasos de 100 mm.

4 Productos

N.º art. 419060 D BEB 6 / EBS 15-03-19

GTIN 4013364439528, N.º de arancel aduanero (EU): 85369010, Peso bruto: 600.00 g, Empaquetado: 1.00 unidad(es)


Figuras

Más información

Puente de puesta a tierra de cable de cobre D BEB 6 / EBS 15-03-19
para la puesta a tierra de armaduras de elementos de hormigón
con homologación de DB Netz AG
Material de la placa: INOX
Ref. de material: 1.4301
Material del casquillo: St / Cu
Material del cable: Cu
Corriente de cortocircuito: ≤ 25 kA
Corriente de prueba: 25 kA / 100 ms
Corriente de cortocircuito (CA 50 Hz / CC): 7,9 kA
Rosca: M16
Diámetro de la placa de conexión: 50 mm
Cable: NYY-O
Sección del cable: 70 mm²
Diámetro del cable: 17 mm
Longitud: 500 mm
N.º de dibujo DB: 3 Ebs 15.03.19 - 33
Referencia normativa: Ril 997.0205A01

Producto DEHN
Tipo: D BEB 6 / EBS 15-03-19
art. no.: 419060
o equivalente

 

Datos técnicos

Material de la placa INOX
Ref. de material 1.4301
Material del casquillo St / Cu
Material del cable Cu
Corriente de cortocircuito ≤ 25 kA
Corriente de prueba 25 kA / 100 ms
Corriente de cortocircuito (CA 50 Hz / CC) (1 s; ≤ 300 °C) 7,9 kA
Rosca M16
Diámetro de la placa de conexión 50 mm
Cable NYY-O
Sección del cable 70 mm²
Diámetro del cable 17 mm
Longitud 500 mm
N.º de dibujo DB 3 Ebs 15.03.19 - 33
Referencia normativa Ril 997.0205A01

Se ha añadido el artículo 419060 a favoritos.

El artículo 419060 ha sido añadido a la cesta de compra.

N.º art. 419061 D BEB 6-FLEX / EBS 15-03-19

GTIN 4013364439535, N.º de arancel aduanero (EU): 85369010, Peso bruto: 530.00 g, Empaquetado: 1.00 unidad(es)


Figuras

Más información

Puente de puesta a tierra de cable de cobre D BEB 6-FLEX / EBS 15-03-19
para la puesta a tierra de armaduras de elementos de hormigón
con homologación de DB Netz AG
Material de la placa: INOX
Ref. de material: 1.4301
Material del casquillo: St / Cu
Material del cable: Cu
Corriente de cortocircuito: ≤ 25 kA
Corriente de prueba: 25 kA / 100 ms
Corriente de cortocircuito (CA 50 Hz / CC): 7,9 kA
Rosca: M16
Diámetro de la placa de conexión: 50 mm
Cable: H07V-K
Sección del cable: 70 mm²
Diámetro del cable: 17 mm
Longitud: 500 mm
N.º de dibujo DB: 3 Ebs 15.03.19 - 33
Referencia normativa: Ril 997.0205A01

Producto DEHN
Tipo: D BEB 6-FLEX / EBS 15-03-19
art. no.: 419061
o equivalente

 

Datos técnicos

Material de la placa INOX
Ref. de material 1.4301
Material del casquillo St / Cu
Material del cable Cu
Corriente de cortocircuito ≤ 25 kA
Corriente de prueba 25 kA / 100 ms
Corriente de cortocircuito (CA 50 Hz / CC) (1 s; ≤ 300 °C) 7,9 kA
Rosca M16
Diámetro de la placa de conexión 50 mm
Cable H07V-K
Sección del cable 70 mm²
Diámetro del cable 17 mm
Longitud 500 mm
N.º de dibujo DB 3 Ebs 15.03.19 - 33
Referencia normativa Ril 997.0205A01

Se ha añadido el artículo 419061 a favoritos.

El artículo 419061 ha sido añadido a la cesta de compra.

N.º art. 419070 D BEB 7 / EBS 15-03-19

GTIN 4013364439542, N.º de arancel aduanero (EU): 85369010, Peso bruto: 704.50 g, Empaquetado: 1.00 unidad(es)


Figuras

Más información

Puente de puesta a tierra de cable de cobre D BEB 7 / EBS 15-03-19
para la puesta a tierra de armaduras de elementos de hormigón
con homologación de DB Netz AG
Material de la placa: INOX
Ref. de material: 1.4301
Material del casquillo: St / Cu
Material del cable: Cu
Corriente de cortocircuito: > 25 kA
Corriente de prueba: 40 kA / 100 ms
Corriente de cortocircuito (CA 50 Hz / CC): 12,6 kA
Rosca: M16
Diámetro de la placa de conexión: 50 mm
Cable: NYY-O
Sección del cable: 95 mm²
Diámetro del cable: 19 mm
Longitud: 500 mm
N.º de dibujo DB: 3 Ebs 15.03.19 - 33
Referencia normativa: Ril 997.0205A01

Producto DEHN
Tipo: D BEB 7 / EBS 15-03-19
art. no.: 419070
o equivalente

 

Datos técnicos

Material de la placa INOX
Ref. de material 1.4301
Material del casquillo St / Cu
Material del cable Cu
Corriente de cortocircuito > 25 kA
Corriente de prueba 40 kA / 100 ms
Corriente de cortocircuito (CA 50 Hz / CC) (1 s; ≤ 300 °C) 12,6 kA
Rosca M16
Diámetro de la placa de conexión 50 mm
Cable NYY-O
Sección del cable 95 mm²
Diámetro del cable 19 mm
Longitud 500 mm
N.º de dibujo DB 3 Ebs 15.03.19 - 33
Referencia normativa Ril 997.0205A01

Se ha añadido el artículo 419070 a favoritos.

El artículo 419070 ha sido añadido a la cesta de compra.

N.º art. 419071 D BEB 7-FLEX / EBS 15-03-19

GTIN 4013364439559, N.º de arancel aduanero (EU): 85369010, Peso bruto: 622.00 g, Empaquetado: 1.00 unidad(es)


Figuras

Más información

Puente de puesta a tierra de cable de cobre D BEB 7-FLEX / EBS 15-03-19
para la puesta a tierra de armaduras de elementos de hormigón
con homologación de DB Netz AG
Material de la placa: INOX
Ref. de material: 1.4301
Material del casquillo: St / Cu
Material del cable: Cu
Corriente de cortocircuito: > 25 kA
Corriente de prueba: 40 kA / 100 ms
Corriente de cortocircuito (CA 50 Hz / CC): 12,6 kA
Rosca: M16
Diámetro de la placa de conexión: 50 mm
Cable: H07V-K
Sección del cable: 95 mm²
Diámetro del cable: 19 mm
Longitud: 500 mm
N.º de dibujo DB: 3 Ebs 15.03.19 - 33
Referencia normativa: Ril 997.0205A01

Producto DEHN
Tipo: D BEB 7-FLEX / EBS 15-03-19
art. no.: 419071
o equivalente

 

Datos técnicos

Material de la placa INOX
Ref. de material 1.4301
Material del casquillo St / Cu
Material del cable Cu
Corriente de cortocircuito > 25 kA
Corriente de prueba 40 kA / 100 ms
Corriente de cortocircuito (CA 50 Hz / CC) (1 s; ≤ 300 °C) 12,6 kA
Rosca M16
Diámetro de la placa de conexión 50 mm
Cable H07V-K
Sección del cable 95 mm²
Diámetro del cable 19 mm
Longitud 500 mm
N.º de dibujo DB 3 Ebs 15.03.19 - 33
Referencia normativa Ril 997.0205A01

Se ha añadido el artículo 419071 a favoritos.

El artículo 419071 ha sido añadido a la cesta de compra.


Puentes de puesta a tierra de cable de cobre D BEB 9 / 10

Los puentes de puesta a tierra están destinados a la puesta a tierra, al encaminamiento de la corriente de retorno y a la conexión equipotencial en el ámbito de las líneas ferroviarias. Esta variante proporciona una conexión invisible dentro del hormigón mediante la soldadura a la armadura de tierra de las lengüetas de acero chapadas en cobre montadas a presión en el cable de cobre. La flexibilidad del cable facilita al usuario la instalación en la armadura. Las variantes especiales FLEX son especialmente idóneas para situaciones de montaje en los que se dispone de poco espacio: en este caso se utilizan cables de cobre extraflexibles y de hilo fino. Estos puentes de puesta a tierra también cuentan con la homologación técnica de DB Netz AG y, por tanto, pueden utilizarse con seguridad en los diseños destinados a este ámbito.
Reciba longitudes especiales previa petición: hasta 500 mm de longitud total en pasos de 50 mm y desde 500 mm de longitud total en pasos de 100 mm.

5 Productos

N.º art. 419090 D BEB 9 / EBS 15-03-19

GTIN 4013364439573, N.º de arancel aduanero (EU): 85369010, Peso bruto: 640.00 g, Empaquetado: 1.00 unidad(es)


Figuras

Más información

Puente de puesta a tierra de cable de cobre D BEB 9 / EBS 15-03-19
para la puesta a tierra de armaduras de elementos de hormigón
con homologación de DB Netz AG
Material de la brida: St / Cu
Material del cable: Cu
Corriente de cortocircuito: ≤ 25 kA
Corriente de prueba: 25 kA / 100 ms
Corriente de cortocircuito (CA 50 Hz / CC): 7,9 kA
Cable: NYY-O
Sección del cable: 70 mm²
Diámetro del cable: 17 mm
Dimensiones de la brida: 80 x 30 mm
Longitud: 500 mm
N.º de dibujo DB: 3 Ebs 15.03.19 - 33
Referencia normativa: Ril 997.0205A01

Producto DEHN
Tipo: D BEB 9 / EBS 15-03-19
art. no.: 419090
o equivalente

 

Datos técnicos

Material de la brida St / Cu
Material del cable Cu
Corriente de cortocircuito ≤ 25 kA
Corriente de prueba 25 kA / 100 ms
Corriente de cortocircuito (CA 50 Hz / CC) (1 s; ≤ 300 °C) 7,9 kA
Cable NYY-O
Sección del cable 70 mm²
Diámetro del cable 17 mm
Dimensiones de la brida 80 x 30 mm
Longitud 500 mm
N.º de dibujo DB 3 Ebs 15.03.19 - 33
Referencia normativa Ril 997.0205A01

Se ha añadido el artículo 419090 a favoritos.

El artículo 419090 ha sido añadido a la cesta de compra.

N.º art. 419091 D BEB 9-FLEX / EBS 15-03-19

GTIN 4013364439580, N.º de arancel aduanero (EU): 85369010, Peso bruto: 570.00 g, Empaquetado: 1.00 unidad(es)


Figuras

Más información

Puente de puesta a tierra de cable de cobre D BEB 9-FLEX / EBS 15-03-19
para la puesta a tierra de armaduras de elementos de hormigón
con homologación de DB Netz AG
Material de la brida: St / Cu
Material del cable: Cu
Corriente de cortocircuito: ≤ 25 kA
Corriente de prueba: 25 kA / 100 ms
Corriente de cortocircuito (CA 50 Hz / CC): 7,9 kA
Cable: H07V-K
Sección del cable: 70 mm²
Diámetro del cable: 17 mm
Dimensiones de la brida: 80 x 30 mm
Longitud: 500 mm
N.º de dibujo DB: 3 Ebs 15.03.19 - 33
Referencia normativa: Ril 997.0205A01

Producto DEHN
Tipo: D BEB 9-FLEX / EBS 15-03-19
art. no.: 419091
o equivalente

 

Datos técnicos

Material de la brida St / Cu
Material del cable Cu
Corriente de cortocircuito ≤ 25 kA
Corriente de prueba 25 kA / 100 ms
Corriente de cortocircuito (CA 50 Hz / CC) (1 s; ≤ 300 °C) 7,9 kA
Cable H07V-K
Sección del cable 70 mm²
Diámetro del cable 17 mm
Dimensiones de la brida 80 x 30 mm
Longitud 500 mm
N.º de dibujo DB 3 Ebs 15.03.19 - 33
Referencia normativa Ril 997.0205A01

Se ha añadido el artículo 419091 a favoritos.

El artículo 419091 ha sido añadido a la cesta de compra.

N.º art. 419100 D BEB 10 / EBS 15-03-19

GTIN 4013364439597, N.º de arancel aduanero (EU): 85369010, Peso bruto: 722.50 g, Empaquetado: 1.00 unidad(es)


Figuras

Más información

Puente de puesta a tierra de cable de cobre D BEB 10 / EBS 15-03-19
para la puesta a tierra de armaduras de elementos de hormigón
con homologación de DB Netz AG
Material de la brida: St / Cu
Material del cable: Cu
Corriente de cortocircuito: > 25 kA
Corriente de prueba: 40 kA / 100 ms
Corriente de cortocircuito (CA 50 Hz / CC): 12,6 kA
Cable: NYY-O
Sección del cable: 95 mm²
Diámetro del cable: 19 mm
Dimensiones de la brida: 80 x 30 mm
Longitud: 500 mm
N.º de dibujo DB: 3 Ebs 15.03.19 - 33
Referencia normativa: Ril 997.0205A01

Producto DEHN
Tipo: D BEB 10 / EBS 15-03-19
art. no.: 419100
o equivalente

 

Datos técnicos

Material de la brida St / Cu
Material del cable Cu
Corriente de cortocircuito > 25 kA
Corriente de prueba 40 kA / 100 ms
Corriente de cortocircuito (CA 50 Hz / CC) (1 s; ≤ 300 °C) 12,6 kA
Cable NYY-O
Sección del cable 95 mm²
Diámetro del cable 19 mm
Dimensiones de la brida 80 x 30 mm
Longitud 500 mm
N.º de dibujo DB 3 Ebs 15.03.19 - 33
Referencia normativa Ril 997.0205A01

Se ha añadido el artículo 419100 a favoritos.

El artículo 419100 ha sido añadido a la cesta de compra.

N.º art. 419101 D BEB 10-FLEX / EBS 15-03-19

GTIN 4013364439603, N.º de arancel aduanero (EU): 85369010, Peso bruto: 667.00 g, Empaquetado: 1.00 unidad(es)


Figuras

Más información

Puente de puesta a tierra de cable de cobre D BEB 10-FLEX / EBS 15-03-19
para la puesta a tierra de armaduras de elementos de hormigón
con homologación de DB Netz AG
Material de la brida: St / Cu
Material del cable: Cu
Corriente de cortocircuito: > 25 kA
Corriente de prueba: 40 kA / 100 ms
Corriente de cortocircuito (CA 50 Hz / CC): 12,6 kA
Cable: H07V-K
Sección del cable: 95 mm²
Diámetro del cable: 19 mm
Dimensiones de la brida: 80 x 30 mm
Longitud: 500 mm
N.º de dibujo DB: 3 Ebs 15.03.19 - 33
Referencia normativa: Ril 997.0205A01

Producto DEHN
Tipo: D BEB 10-FLEX / EBS 15-03-19
art. no.: 419101
o equivalente

 

Datos técnicos

Material de la brida St / Cu
Material del cable Cu
Corriente de cortocircuito > 25 kA
Corriente de prueba 40 kA / 100 ms
Corriente de cortocircuito (CA 50 Hz / CC) (1 s; ≤ 300 °C) 12,6 kA
Cable H07V-K
Sección del cable 95 mm²
Diámetro del cable 19 mm
Dimensiones de la brida 80 x 30 mm
Longitud 500 mm
N.º de dibujo DB 3 Ebs 15.03.19 - 33
Referencia normativa Ril 997.0205A01

Se ha añadido el artículo 419101 a favoritos.

El artículo 419101 ha sido añadido a la cesta de compra.

N.º art. 419505 D BEB 10 - L800 / EBS 15-03-19

GTIN 4013364458437, N.º de arancel aduanero (EU): 85369010, Peso bruto: 1.12 kg, Empaquetado: 1.00 unidad(es)


Figuras

Más información

Puente de puesta a tierra de cable de cobre D BEB 10 / EBS 15-03-19
para la puesta a tierra de armaduras de elementos de hormigón
con homologación de DB Netz AG
Material de la brida: St / Cu
Material del cable: Cu
Corriente de cortocircuito: > 25 kA
Corriente de prueba: 40 kA / 100 ms
Corriente de cortocircuito (CA 50 Hz / CC): 12,6 kA
Cable: NYY-O
Sección del cable: 95 mm²
Diámetro del cable: 19 mm
Dimensiones de la brida: 80 x 30 mm
Longitud: 800 mm
N.º de dibujo DB: 3 Ebs 15.03.19 - 33
Referencia normativa: Ril 997.0205A01

Producto DEHN
Tipo: D BEB 10 - L800 / EBS 15-03-19
art. no.: 419505
o equivalente

 

Datos técnicos

Material de la brida St / Cu
Material del cable Cu
Corriente de cortocircuito > 25 kA
Corriente de prueba 40 kA / 100 ms
Corriente de cortocircuito (CA 50 Hz / CC) (1 s; ≤ 300 °C) 12,6 kA
Cable NYY-O
Sección del cable 95 mm²
Diámetro del cable 19 mm
Dimensiones de la brida 80 x 30 mm
Longitud 800 mm
N.º de dibujo DB 3 Ebs 15.03.19 - 33
Referencia normativa Ril 997.0205A01

Se ha añadido el artículo 419505 a favoritos.

El artículo 419505 ha sido añadido a la cesta de compra.


Conector de puesta a tierra de tubos de gran diámetro D BEB 11

Los puentes de puesta a tierra están destinados a la puesta a tierra, al encaminamiento de la corriente de retorno y a la conexión equipotencial en el ámbito de las líneas ferroviarias. La variante para la puesta a tierra de tubos de gran diámetro se ha concebido para su uso con cimientos de pilotes y tubos de gran diámetro. El producto consta de un cable de cobre con casquillo prensado y placa de conexión INOX con orificios integrados para la fijación del encofrado en un extremo, y un terminal de cable en el extremo opuesto. El terminal de cable se utiliza para crear una conexión resistente a las corrientes de cortocircuito a la cimentación de pilotes o tubos de gran diámetro. La flexibilidad del cable facilita al usuario la instalación en la armadura. Este puente de puesta a tierra también cuenta con la homologación técnica de DB Netz AG y, por tanto, puede utilizarse con seguridad en los diseños destinados a este ámbito.
Reciba longitudes especiales previa petición: hasta 500 mm de longitud total en pasos de 50 mm y desde 500 mm de longitud total en pasos de 100 mm.

2 Productos

N.º art. 419110 D BEB 11 / EBS 15-03-27

GTIN 4013364439665, N.º de arancel aduanero (EU): 85369010, Peso bruto: 640.00 g, Empaquetado: 1.00 unidad(es)


Figuras

Más información

Puente de puesta a tierra de tubos de gran diámetro D BEB 11 / EBS 15-03-27
para la puesta a tierra de armaduras de elementos de hormigón
con homologación de DB Netz AG
Material de la placa: INOX
Ref. de material: 1.4301
Material del casquillo: St / Cu
Material del terminal de cable: Cu/gal Sn
Material del cable: Cu
Corriente de cortocircuito: ≤ 25 kA
Corriente de prueba: 25 kA / 100 ms
Corriente de cortocircuito (CA 50 Hz / CC): 7,9 kA
Rosca: M16
Diámetro de la placa de conexión: 50 mm
Cable: NYY-O
Sección del cable: 70 mm²
Diámetro del cable: 17 mm
Taladro de terminal de cable: 13 mm
Longitud: 500 mm
N.º de dibujo DB: 4 Ebs 15.03.27 - 2
Referencia normativa: Ril 997.0205A01

Producto DEHN
Tipo: D BEB 11 / EBS 15-03-27
art. no.: 419110
o equivalente

 

Datos técnicos

Material de la placa INOX
Ref. de material 1.4301
Material del casquillo St / Cu
Material del terminal de cable Cu /gal Sn
Material del cable Cu
Corriente de cortocircuito ≤ 25 kA
Corriente de prueba 25 kA / 100 ms
Corriente de cortocircuito (CA 50 Hz / CC) (1 s; ≤ 300 °C) 7,9 kA
Rosca M16
Diámetro de la placa de conexión 50 mm
Cable NYY-O
Sección del cable 70 mm²
Diámetro del cable 17 mm
Taladro de terminal de cable 13 mm
Longitud 500 mm
N.º de dibujo DB 4 Ebs 15.03.27 - 2
Referencia normativa Ril 997.0205A01

Se ha añadido el artículo 419110 a favoritos.

El artículo 419110 ha sido añadido a la cesta de compra.

N.º art. 419506 D BEB 11 - L1000 / EBS 15-03-27

GTIN 4013364458444, N.º de arancel aduanero (EU): 85369010, Peso bruto: 1.10 kg, Empaquetado: 1.00 unidad(es)


Figuras

Más información

Puente de puesta a tierra de tubos de gran diámetro D BEB 11 / EBS 15-03-27
para la puesta a tierra de armaduras de elementos de hormigón
con homologación de DB Netz AG
Material de la placa: INOX
Ref. de material: 1.4301
Material del casquillo: St / Cu
Material del terminal de cable: Cu/gal Sn
Material del cable: Cu
Corriente de cortocircuito: ≤ 25 kA
Corriente de prueba: 25 kA / 100 ms
Corriente de cortocircuito (CA 50 Hz / CC): 7,9 kA
Rosca: M16
Diámetro de la placa de conexión: 50 mm
Cable: NYY-O
Sección del cable: 70 mm²
Diámetro del cable: 17 mm
Taladro de terminal de cable: 13 mm
Longitud: 1000 mm
N.º de dibujo DB: 4 Ebs 15.03.27 - 2
Referencia normativa: Ril 997.0205A01

Producto DEHN
Tipo: D BEB 11 - L1000 / EBS 15-03-27
art. no.: 419506
o equivalente

 

Datos técnicos

Material de la placa INOX
Ref. de material 1.4301
Material del casquillo St / Cu
Material del terminal de cable Cu /gal Sn
Material del cable Cu
Corriente de cortocircuito ≤ 25 kA
Corriente de prueba 25 kA / 100 ms
Corriente de cortocircuito (CA 50 Hz / CC) (1 s; ≤ 300 °C) 7,9 kA
Rosca M16
Diámetro de la placa de conexión 50 mm
Cable NYY-O
Sección del cable 70 mm²
Diámetro del cable 17 mm
Taladro de terminal de cable 13 mm
Longitud 1000 mm
N.º de dibujo DB 4 Ebs 15.03.27 - 2
Referencia normativa Ril 997.0205A01

Se ha añadido el artículo 419506 a favoritos.

El artículo 419506 ha sido añadido a la cesta de compra.


Conector de puesta a tierra de cable de CuStAl D BEB 29

Los conectores de puesta a tierra están destinados a la puesta a tierra, al encaminamiento de la corriente de retorno y a la conexión equipotencial en el ámbito de las líneas ferroviarias. La variante libre de halógenos D BEB 29 o la variante libre de halógenos y retardante de llama D BEB 29-NF para la conexión externa de puntos de puesta a tierra y otros elementos de conexión se ha concebido con una versión de terminal de cable para conexiones M16. Estos conectores de puesta a tierra constan de un cable de cobre-acero-aluminio y representan así una medida preventiva antirrobo. Estos conectores de puesta a tierra también cuentan con la homologación técnica de DB Netz AG y, por tanto, pueden utilizarse con seguridad en los diseños destinados a este ámbito. La versión libre de halógenos y retardante de llama puede utilizarse en túneles de acuerdo con el reglamento de la UE.
Reciba longitudes especiales previa petición: hasta 500 mm de longitud total en pasos de 50 mm y desde 500 mm de longitud total en pasos de 100 mm.

6 Productos

N.º art. 419290 D BEB 29 / EBS 15-03-17

GTIN 4013364439627, N.º de arancel aduanero (EU): 85359000, Peso bruto: 390.00 g, Empaquetado: 1.00 unidad(es)


Figuras

Más información

Conector de puesta a tierra de cable de cobre-acero-aluminio
D BEB 29 / EBS 15-03-17
para la puesta a tierra de armaduras de elementos de hormigón
con homologación de DB Netz AG
Material del terminal de cable: Cu/gal Sn
Material del cable: CuAceroAl
Corriente de cortocircuito: > 25 kA
Corriente de prueba: 40 kA / 100 ms
Corriente de cortocircuito (CA 50 Hz / CC): 12,6 kA
Cable: (N)2X RF CuAceroAl
Sección del cable: ≥ 70 mm²
Diseño: Libre de halógenos
Diámetro del cable: 17 mm
Taladro de terminal de cable: 17 mm
Longitud: 500 mm
N.º de dibujo DB: 4 Ebs 15.03.17 - 6 (Bayka)
Referencia normativa: Ril 997.0205A01; DIN EN 62561-1

Producto DEHN
Tipo: D BEB 29 / EBS 15-03-17
art. no.: 419290
o equivalente

Certificados

 

Datos técnicos

Material del terminal de cable Cu /gal Sn
Material del cable Cu Acero Al
Corriente de cortocircuito > 25 kA
Corriente de prueba 40 kA / 100 ms
Corriente de cortocircuito (CA 50 Hz / CC) (1 s; ≤ 300 °C) 12,6 kA
Cable (N)2X RF Cu Acero Al
Sección del cable ≥ 70 mm²
Diseño Libre de halógenos
Diámetro del cable 17 mm
Taladro de terminal de cable 17 mm
Longitud 500 mm
N.º de dibujo DB 4 Ebs 15.03.17 - 6 (Bayka)
Referencia normativa Ril 997.0205A01; DIN EN 62561-1

Se ha añadido el artículo 419290 a favoritos.

El artículo 419290 ha sido añadido a la cesta de compra.

N.º art. 419291 D BEB 29-NF / EBS 15-03-17

GTIN 4013364439634, N.º de arancel aduanero (EU): 85359000, Peso bruto: 410.00 g, Empaquetado: 1.00 unidad(es)


Figuras

Más información

Conector de puesta a tierra de cable de cobre-acero-aluminio
D BEB 29-NF / EBS 15-03-17
para la puesta a tierra de armaduras de elementos de hormigón
con homologación de DB Netz AG
Material del terminal de cable: Cu/gal Sn
Material del cable: CuAceroAl
Corriente de cortocircuito: > 25 kA
Corriente de prueba: 40 kA / 100 ms
Corriente de cortocircuito (CA 50 Hz / CC): 12,6 kA
Cable: B2ca RF CuAceroAl
Sección del cable: ≥ 70 mm²
Diseño: Libre de halógenos y retardante de llama
Diámetro del cable: 17 mm
Taladro de terminal de cable: 17 mm
Longitud: 500 mm
N.º de dibujo DB: 4 Ebs 15.03.17 - 6 (Bayka)
Referencia normativa: Ril 997.0205A01; DIN EN 62561-1

Producto DEHN
Tipo: D BEB 29-NF / EBS 15-03-17
art. no.: 419291
o equivalente

Certificados

 

Datos técnicos

Material del terminal de cable Cu /gal Sn
Material del cable Cu Acero Al
Corriente de cortocircuito > 25 kA
Corriente de prueba 40 kA / 100 ms
Corriente de cortocircuito (CA 50 Hz / CC) (1 s; ≤ 300 °C) 12,6 kA
Cable B2ca RF Cu Acero Al
Sección del cable ≥ 70 mm²
Diseño Libre de halógenos y retardante de llama
Diámetro del cable 17 mm
Taladro de terminal de cable 17 mm
Longitud 500 mm
N.º de dibujo DB 4 Ebs 15.03.17 - 6 (Bayka)
Referencia normativa Ril 997.0205A01; DIN EN 62561-1

Se ha añadido el artículo 419291 a favoritos.

El artículo 419291 ha sido añadido a la cesta de compra.

N.º art. 419511 D BEB 29 M12 M16 / EBS 15-03-17

GTIN 4013364480513, N.º de arancel aduanero (EU): 85359000, Peso bruto: 410.00 g, Empaquetado: 1.00 unidad(es)


Figuras

Más información

Conector de puesta a tierra de cable de cobre-acero-aluminio
D BEB 29 M12 M16 / EBS 15-03-17
para la puesta a tierra de componentes (M16) o raíles (M12)
con homologación de DB Netz AG
Material del terminal de cable: Cu/gal Sn
Material del cable: CuAceroAl
Corriente de cortocircuito: > 25 kA
Corriente de prueba: 40 kA / 100 ms
Corriente de cortocircuito (CA 50 Hz / CC): 12,6 kA
Cable: (N)2X RF CuAceroAl
Sección del cable: ≥ 70 mm²
Diseño: Libre de halógenos
Diámetro del cable: 17 mm
Taladro de terminal de cable: 13 mm para M12 y 17 mm para M16
Longitud: 500 mm
N.º de dibujo DB: 4 Ebs 15.03.17 - 6 (Bayka)
Referencia normativa: Ril 997.0205A01

Producto DEHN
Tipo: D BEB 29 M12 M16 / EBS 15-03-17
art. no.: 419511
o equivalente

 

Datos técnicos

Material del terminal de cable Cu /gal Sn
Material del cable Cu Acero Al
Corriente de cortocircuito > 25 kA
Corriente de prueba 40 kA / 100 ms
Corriente de cortocircuito (CA 50 Hz / CC) (1 s; ≤ 300 °C) 12,6 kA
Cable (N)2X RF Cu Acero Al
Sección del cable ≥ 70 mm²
Diseño Libre de halógenos
Diámetro del cable 17 mm
Taladro de terminal de cable 13 mm para M12 y 17 mm para M16
Longitud 500 mm
N.º de dibujo DB 4 Ebs 15.03.17 - 6 (Bayka)
Referencia normativa Ril 997.0205A01

Se ha añadido el artículo 419511 a favoritos.

El artículo 419511 ha sido añadido a la cesta de compra.

N.º art. 419512 D BEB 29-NF M12 M16 / EBS 15-03-17

GTIN 4013364480520, N.º de arancel aduanero (EU): 85359000, Peso bruto: 410.00 g, Empaquetado: 1.00 unidad(es)


Figuras

Más información

Conector de puesta a tierra de cable de cobre-acero-aluminio
D BEB 29-NF / EBS 15-03-17
para la puesta a tierra de armaduras de elementos de hormigón
con homologación de DB Netz AG
Material del terminal de cable: Cu/gal Sn
Material del cable: CuAceroAl
Corriente de cortocircuito: > 25 kA
Corriente de prueba: 40 kA / 100 ms
Corriente de cortocircuito (CA 50 Hz / CC): 12,6 kA
Cable: B2ca RF CuAceroAl
Sección del cable: ≥ 70 mm²
Diseño: Libre de halógenos y retardante de llama
Diámetro del cable: 17 mm
Taladro de terminal de cable: 13 mm para M12 y 17 mm para M16
Longitud: 500 mm
N.º de dibujo DB: 4 Ebs 15.03.17 - 6 (Bayka)
Referencia normativa: Ril 997.0205A01

Producto DEHN
Tipo: D BEB 29-NF M12 M16 / EBS 15-03-17
art. no.: 419512
o equivalente

 

Datos técnicos

Material del terminal de cable Cu /gal Sn
Material del cable Cu Acero Al
Corriente de cortocircuito > 25 kA
Corriente de prueba 40 kA / 100 ms
Corriente de cortocircuito (CA 50 Hz / CC) (1 s; ≤ 300 °C) 12,6 kA
Cable B2ca RF Cu Acero Al
Sección del cable ≥ 70 mm²
Diseño Libre de halógenos y retardante de llama
Diámetro del cable 17 mm
Taladro de terminal de cable 13 mm para M12 y 17 mm para M16
Longitud 500 mm
N.º de dibujo DB 4 Ebs 15.03.17 - 6 (Bayka)
Referencia normativa Ril 997.0205A01

Se ha añadido el artículo 419512 a favoritos.

El artículo 419512 ha sido añadido a la cesta de compra.

N.º art. 419513 D BEB 29 R / EBS 15-03-17

GTIN 4013364480506, N.º de arancel aduanero (EU): 85359000, Peso bruto: 410.00 g, Empaquetado: 1.00 unidad(es)


Figuras

Más información

Conector de puesta a tierra de cable de cobre-acero-aluminio
En diseño con torsión hacia la derecha
D BEB 29 R / EBS 15-03-17
para la puesta a tierra de armaduras de elementos de hormigón
con homologación de DB Netz AG
Material del terminal de cable: Cu/gal Sn
Material del cable: CuAceroAl
Corriente de cortocircuito: > 25 kA
Corriente de prueba: 40 kA / 100 ms
Corriente de cortocircuito (CA 50 Hz / CC): 12,6 kA
Cable: (N)2X RF CuAceroAl
Sección del cable: ≥ 70 mm²
Diseño: Libre de halógenos
Diámetro del cable: 17 mm
Taladro de terminal de cable: 17 mm
Diseño del terminal de cable: Con torsión de 90° hacia la derecha
Longitud: 500 mm
N.º de dibujo DB: 4 Ebs 15.03.17 - 6 (Bayka)
Referencia normativa: Ril 997.0205A01; DIN EN 62561-1

Producto DEHN
Tipo: D BEB 29 R / EBS 15-03-17
art. no.: 419513
o equivalente

Certificados

 

Datos técnicos

Material del terminal de cable Cu /gal Sn
Material del cable Cu Acero Al
Corriente de cortocircuito > 25 kA
Corriente de prueba 40 kA / 100 ms
Corriente de cortocircuito (CA 50 Hz / CC) (1 s; ≤ 300 °C) 12,6 kA
Cable (N)2X RF Cu Acero Al
Sección del cable ≥ 70 mm²
Diseño Libre de halógenos
Diámetro del cable 17 mm
Taladro de terminal de cable 17 mm
Diseño del terminal de cable Con torsión de 90° hacia la derecha
Longitud 500 mm
N.º de dibujo DB 4 Ebs 15.03.17 - 6 (Bayka)
Referencia normativa Ril 997.0205A01; DIN EN 62561-1

Se ha añadido el artículo 419513 a favoritos.

El artículo 419513 ha sido añadido a la cesta de compra.

N.º art. 419514 D BEB 29 L / EBS 15-03-17

GTIN 4013364480537, N.º de arancel aduanero (EU): 85359000, Peso bruto: 410.00 g, Empaquetado: 1.00 unidad(es)


Figuras

Más información

Conector de puesta a tierra de cable de cobre-acero-aluminio
En diseño con torsión hacia la izquierda
D BEB 29 R / EBS 15-03-17
para la puesta a tierra de armaduras de elementos de hormigón
con homologación de DB Netz AG
Material del terminal de cable: Cu/gal Sn
Material del cable: CuAceroAl
Corriente de cortocircuito: > 25 kA
Corriente de prueba: 40 kA / 100 ms
Corriente de cortocircuito (CA 50 Hz / CC): 12,6 kA
Cable: (N)2X RF CuAceroAl
Sección del cable: ≥ 70 mm²
Diseño: Libre de halógenos
Diámetro del cable: 17 mm
Taladro de terminal de cable: 17 mm
Diseño del terminal de cable: Con torsión de 90° hacia la izquierda
Longitud: 500 mm
N.º de dibujo DB: 4 Ebs 15.03.17 - 6 (Bayka)
Referencia normativa: Ril 997.0205A01; DIN EN 62561-1

Producto DEHN
Tipo: D BEB 29 L / EBS 15-03-17
art. no.: 419514
o equivalente

Certificados

 

Datos técnicos

Material del terminal de cable Cu /gal Sn
Material del cable Cu Acero Al
Corriente de cortocircuito > 25 kA
Corriente de prueba 40 kA / 100 ms
Corriente de cortocircuito (CA 50 Hz / CC) (1 s; ≤ 300 °C) 12,6 kA
Cable (N)2X RF Cu Acero Al
Sección del cable ≥ 70 mm²
Diseño Libre de halógenos
Diámetro del cable 17 mm
Taladro de terminal de cable 17 mm
Diseño del terminal de cable Con torsión de 90° hacia la izquierda
Longitud 500 mm
N.º de dibujo DB 4 Ebs 15.03.17 - 6 (Bayka)
Referencia normativa Ril 997.0205A01; DIN EN 62561-1

Se ha añadido el artículo 419514 a favoritos.

El artículo 419514 ha sido añadido a la cesta de compra.


Adhesivo

El adhesivo se utiliza para fijar los productos de puesta a tierra de ferrocarril al encofrado mediante una unión adhesiva. El adhesivo puede adherirse a la placa de conexión INOX del D BEB 0 y luego conectarse al propio encofrado.

1 Producto

N.º art. 419900 D KLP D50 BEB

GTIN 4013364439641, N.º de arancel aduanero (EU): 39191080, Peso bruto: 2.00 g, Empaquetado: 1.00 unidad(es)


Figuras

Más información

Adhesivo D KLP D50 BEB
para productos de puesta a tierra para aplicaciones ferroviarias D BEB 0-x
Diámetro: 50 mm
Diámetro: 50 mm

Producto DEHN
Tipo: D KLP D50 BEB
art. no.: 419900
o equivalente

 

Datos técnicos

Diámetro 50 mm

Se ha añadido el artículo 419900 a favoritos.

El artículo 419900 ha sido añadido a la cesta de compra.


Adhesivo de puesta a tierra

El adhesivo de puesta a tierra se ha concebido como pieza de repuesto para la rotulación de los productos de puesta a tierra de ferrocarriles una vez instalados. Se puede adherir fácilmente a la placa de conexión INOX. Esta rotulación puede realizarse para los puentes de puesta a tierra D BEB 1 a 8, así como para la versión D BEB 11 para la puesta a tierra de tuberías grandes si el adhesivo colocado de fábrica se ha perdido o dañado.

1 Producto

N.º art. 419901 D EAK D50 BEB

GTIN 4013364439658, N.º de arancel aduanero (EU): 39191080, Peso bruto: 3.00 g, Empaquetado: 1.00 unidad(es)


Figuras

Más información

Adhesivo de puesta a tierra D EAK D50 BEB
como identificación de los productos de puesta a tierra para aplicaciones ferroviarias
Diámetro: 50 mm
Diámetro: 50 mm

Producto DEHN
Tipo: D EAK D50 BEB
art. no.: 419901
o equivalente

 

Datos técnicos

Diámetro 50 mm

Se ha añadido el artículo 419901 a favoritos.

El artículo 419901 ha sido añadido a la cesta de compra.


Tornillo hexagonal

1 Producto

N.º art. 419902 D SKS M16X30 V4A

GTIN 4013364439689, N.º de arancel aduanero (EU): 85389099, Peso bruto: 76.89 g, Empaquetado: 1.00 unidad(es)


Figuras

Más información

Tornillo hexagonal D SKS M16X30 V2A
Material: INOX A4-70
Rosca: M16 x 30 mm
Material: INOX (V4A)
Rosca: M16 x 30 mm

Producto DEHN
Tipo: D SKS M16X30 V4A
art. no.: 419902
o equivalente

 

Datos técnicos

Material INOX (V4A)
Rosca M16 x 30 mm

Se ha añadido el artículo 419902 a favoritos.

El artículo 419902 ha sido añadido a la cesta de compra.


Tuerca hexagonal

1 Producto

N.º art. 419903 D SKM M16 V4A

GTIN 4013364439696, N.º de arancel aduanero (EU): 73181639, Peso bruto: 28.98 g, Empaquetado: 1.00 unidad(es)


Figuras

Más información

Tuerca hexagonal D SKM M16 V2A
Material: INOX A4-70
Rosca: M16
Material: INOX (V4A)
Rosca: M16

Producto DEHN
Tipo: D SKM M16 V4A
art. no.: 419903
o equivalente

 

Datos técnicos

Material INOX (V4A)
Rosca M16

Se ha añadido el artículo 419903 a favoritos.

El artículo 419903 ha sido añadido a la cesta de compra.


Arandela protectora

1 Producto

N.º art. 419904 D SCH A17 V4A

GTIN 4013364574649, N.º de arancel aduanero (EU): 73182200, Peso bruto: 9.50 g, Empaquetado: 1.00 unidad(es)


Figuras

Más información

Arandela D SCH A17 V2A
Material: INOX A4-70
Diámetro exterior: 30 mm
Diámetro interior: 17 mm
Material: INOX (V4A)
Diámetro exterior: 30 mm
Diámetro interior: 17 mm

Producto DEHN
Tipo: D SCH A17 V4A
art. no.: 419904
o equivalente

 

Datos técnicos

Material INOX (V4A)
Diámetro exterior 30 mm
Diámetro interior 17 mm

Se ha añadido el artículo 419904 a favoritos.

El artículo 419904 ha sido añadido a la cesta de compra.


back to top