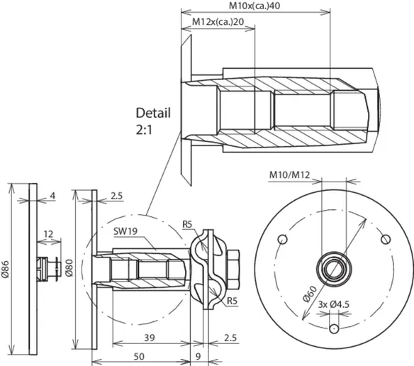
Puntos fijos de toma de tierra

Para montaje en hormigón como conexión anticorrosiva a la instalación de tierra, para la compensación de potencial de protección y / o de función del electrodo de dispersión, por ej. en la armadura de edificios.
Respetar las siguientes longitudes mínimas del los tornillos en la rosca doble M10 y M12:
35 mm en M10 (longitud de rosca 40 mm)
15 mm en M12 (longitud de rosca 20 mm)

– Posibilidades de conexión al eje de conexión con cruceta por ej. Art Nº 319 201 o borna de conexión por ej. Art Nº 308 025 para la armadura
– Posibilidades de conexión para barra de compensación de potencial por ej. terminales Art Nº 390 499
– Posibilidades de conexión para pletinas a la placa de conexión (en la parte delantera) o por ej. sin eje de conexión Art Nº 478 141 o 478 129
– Eje de conexión atornillado o prensado
– Cubierta en material plástico (amarillo) enchufable y aislada con anillo circular probado contra presión (presión de prueba 0,5 bar)

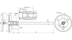
Tipo M

Con eje de conexión (l = 180 mm, Ø10 mm).

2 Productos

N.º art. 478011 EFPM M10 12 V4A L230 STTZN

GTIN 4013364033054, N.º de arancel aduanero (EU): 85359000, Peso bruto: 312.50 g, Empaquetado: 25.00 unidad(es)


Figuras

Más información


Rosca de conexión: M10 / M12
Material de la placa: INOX (V4A)
Material número: 1.4571 / 1.4404 / 1.4401
Material del eje: St/tZn
Corriente de cortocircuito (AC 50 Hz / DC): 6,5 kA
Norma: EN 62561-1

Producto DEHN
Tipo: EFPM M10 12 V4A L230 STTZN
art. no.: 478011
o equivalente

Certificados

 

Datos técnicos

Rosca de conexión M10 / M12
Material de la placa INOX (V4A)
Material número 1.4571 / 1.4404 / 1.4401
Material del eje St/tZn
Placa de conexión Ø 80 mm
Corriente de cortocircuito (AC 50 Hz / DC) (1 s; ≤ 300 °C) 6,5 kA
Norma EN 62561-1

Se ha añadido el artículo 478011 a favoritos.

El artículo 478011 ha sido añadido a la cesta de compra.

N.º art. 478019 EFPM M10 12 V4A L230 V2A

GTIN 4013364072107, N.º de arancel aduanero (EU): 85359000, Peso bruto: 310.10 g, Empaquetado: 25.00 unidad(es)


Figuras

Más información


Rosca de conexión: M10 / M12
Material de la placa: INOX (V4A)
Material número: 1.4571 / 1.4404 / 1.4401
Material del eje: INOX
Corriente de cortocircuito (AC 50 Hz / DC): 3,9 kA
Norma: EN 62561-1

Producto DEHN
Tipo: EFPM M10 12 V4A L230 V2A
art. no.: 478019
o equivalente

Certificados

 

Datos técnicos

Rosca de conexión M10 / M12
Material de la placa INOX (V4A)
Material número 1.4571 / 1.4404 / 1.4401
Material del eje INOX
Placa de conexión Ø 80 mm
Corriente de cortocircuito (AC 50 Hz / DC) (1 s; ≤ 300 °C) 3,9 kA
Norma EN 62561-1

Se ha añadido el artículo 478019 a favoritos.

El artículo 478019 ha sido añadido a la cesta de compra.


Tipo M sin eje de conexión

1 Producto

N.º art. 478012 EFPM M10 12 V4A

GTIN 4013364069183, N.º de arancel aduanero (EU): 85359000, Peso bruto: 192.00 g, Empaquetado: 20.00 unidad(es)


Figuras

Más información


Rosca de conexión: M10 / M12
Material de la placa: INOX (V4A)
Material número: 1.4571 / 1.4404 / 1.4401
Corriente de cortocircuito (AC 50 Hz / DC): 9,3 kA (con terminal de cable en cobre)
Norma: EN 62561-1

Producto DEHN
Tipo: EFPM M10 12 V4A
art. no.: 478012
o equivalente

 

Datos técnicos

Rosca de conexión M10 / M12
Material de la placa INOX (V4A)
Material número 1.4571 / 1.4404 / 1.4401
Placa de conexión Ø 80 mm
Corriente de cortocircuito (AC 50 Hz / DC) (1 s; ≤ 300 °C) 9,3 kA (con terminal de cable en cobre)
Norma EN 62561-1

Se ha añadido el artículo 478012 a favoritos.

El artículo 478012 ha sido añadido a la cesta de compra.


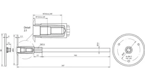
Tipo M prensado

Con eje de conexión (l = 180 mm, Ø10 mm).

2 Productos

N.º art. 478041 EFPM M10 12 V4A L245 VP STTZN

GTIN 4013364105157, N.º de arancel aduanero (EU): 85359000, Peso bruto: 318.90 g, Empaquetado: 25.00 unidad(es)

Predecesor

Figuras

Más información


Rosca de conexión: M10 / M12
Material de la placa: INOX (V4A)
Material número: 1.4571 / 1.4404 / 1.4401
Material del eje: St/tZn
Corriente de cortocircuito (AC 50 Hz / DC): 3,7 kA
Norma: EN 62561-1

Producto DEHN
Tipo: EFPM M10 12 V4A L245 VP STTZN
art. no.: 478041
o equivalente

Certificados

 

Datos técnicos

Rosca de conexión M10 / M12
Material de la placa INOX (V4A)
Material número 1.4571 / 1.4404 / 1.4401
Material del eje St/tZn
Placa de conexión Ø 80 mm
Corriente de cortocircuito (AC 50 Hz / DC) (1 s; ≤ 300 °C) 3,7 kA
Norma EN 62561-1
Art Nº 478 049 con certificación UL.

Se ha añadido el artículo 478041 a favoritos.

El artículo 478041 ha sido añadido a la cesta de compra.

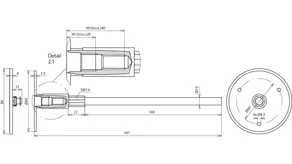
N.º art. 478049 EFPM M10 12 V4A L245 VP V2A

GTIN 4013364105164, N.º de arancel aduanero (EU): 85359000, Peso bruto: 318.10 g, Empaquetado: 25.00 unidad(es)

Predecesor

Figuras

Más información


Rosca de conexión: M10 / M12
Material de la placa: INOX (V4A)
Material número: 1.4571 / 1.4404 / 1.4401
Material del eje: INOX
Corriente de cortocircuito (AC 50 Hz / DC): 3,3 kA
Norma: EN 62561-1

Producto DEHN
Tipo: EFPM M10 12 V4A L245 VP V2A
art. no.: 478049
o equivalente

Certificados

 

Datos técnicos

Rosca de conexión M10 / M12
Material de la placa INOX (V4A)
Material número 1.4571 / 1.4404 / 1.4401
Material del eje INOX
Placa de conexión Ø 80 mm
Corriente de cortocircuito (AC 50 Hz / DC) (1 s; ≤ 300 °C) 3,3 kA
Norma EN 62561-1
Art Nº 478 049 con certificación UL.

Se ha añadido el artículo 478049 a favoritos.

El artículo 478049 ha sido añadido a la cesta de compra.


Tipo M con borna MV de conexión multifunción

Para conductores redondos 8-10 mm, construcción que necesita de poco espacio en el encofrado.

1 Producto

N.º art. 478112 EFPM M10 12 V4A MVK8.10 STTZN

GTIN 4013364118140, N.º de arancel aduanero (EU): 85359000, Peso bruto: 286.40 g, Empaquetado: 25.00 unidad(es)


Figuras

Más información


Rosca de conexión: M10 / M12
Material de la placa: INOX (V4A)
Material número: 1.4571 / 1.4404 / 1.4401
Material de la borna MV: St/tZn
Margen de apriete de borna redondo/redondo: 8-10 mm
Corriente de cortocircuito (AC 50 Hz / DC): 9,3 kA
Versión: con junta tórica y borna MV
Norma: EN 62561-1

Producto DEHN
Tipo: EFPM M10 12 V4A MVK8.10 STTZN
art. no.: 478112
o equivalente

Certificados

 

Datos técnicos

Rosca de conexión M10 / M12
Material de la placa INOX (V4A)
Material número 1.4571 / 1.4404 / 1.4401
Material de la borna MV St/tZn
Margen de apriete de borna redondo/redondo 8-10 mm
Placa de conexión Ø 80 mm
Corriente de cortocircuito (AC 50 Hz / DC) (1 s; ≤ 300 °C) 9,3 kA
Versión con junta tórica y borna MV
Norma EN 62561-1

Se ha añadido el artículo 478112 a favoritos.

El artículo 478112 ha sido añadido a la cesta de compra.


Tipo K

Con arandela de plástico y eje de conexión (I = 180 mm, Ø10 mm).

1 Producto

N.º art. 478200 EFPK M10 12 V4A L230 STTZN

GTIN 4013364035652, N.º de arancel aduanero (EU): 85359000, Peso bruto: 278.20 g, Empaquetado: 25.00 unidad(es)

Predecesor

Figuras

Más información


Rosca de conexión: M10 / M12
Material de la placa: INOX (V4A)
Material número: 1.4571 / 1.4404 / 1.4401
Material del eje: St/tZn
Corriente de cortocircuito (AC 50 Hz / DC): 6,5 kA
Norma: EN 62561-1

Producto DEHN
Tipo: EFPK M10 12 V4A L230 STTZN
art. no.: 478200
o equivalente

Certificados

 

Datos técnicos

Rosca de conexión M10 / M12
Material de la placa INOX (V4A)
Material número 1.4571 / 1.4404 / 1.4401
Material del eje St/tZn
Placa de conexión Ø 46 mm
Corriente de cortocircuito (AC 50 Hz / DC) (1 s; ≤ 300 °C) 6,5 kA
Norma EN 62561-1

Se ha añadido el artículo 478200 a favoritos.

El artículo 478200 ha sido añadido a la cesta de compra.


back to top