BLITZDUCTORconnect – Compacto

Descargador de corrientes de rayo y sobretensiones para su empleo universal
  • Para la protección de interfaces de buses de datos y circuitos de medida y control
  • Alta capacidad de derivación de 3 kA (10/350 µs), 10 kA (8/20 µs)
  • Máxima resistencia a corrientes de choque (8/20 µs) Imax hasta 20 kA
  • Bajos niveles de protección, idóneo también para la protección de equipo terminal
Descargador compacto
  • Conexión rápida y sencilla del cable gracias a la técnica de conexión Push-In
  • Alta disponibilidad de las instalaciones gracias al comportamiento Failsafe
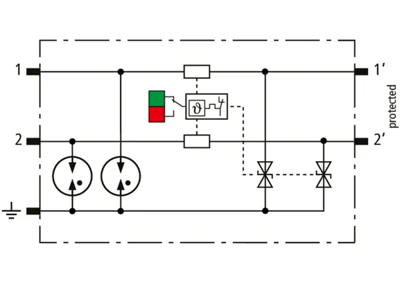
Equipo con un diseño optimizado a la función con un ancho de 6 mm
  • LifeCheck integrado en el descargador e indicación óptica del estado operativo
  • Señalización sencilla a distancia del estado operativo con dispositivo de señalización a distancia opcional
  • Comprobado a vibraciones y choques para su operación segura

Detalles

Probado rápidamente - de un vistazo
Indicación integrada para un mantenimiénto fácil y rápido
lorem ipsum
Máxima disponibilidad de las instalaciones
Admisiones para el empleo en circuitos de medida intrínsecamente seguros
lorem ipsum
Connect = Protect
Técnica de conexión Push-In para la conexión fácil y rápida
lorem ipsum
Mantenimiento fácil
Indicación del estado operativo con unidad de supervisión para los grupos de descargadores
lorem ipsum

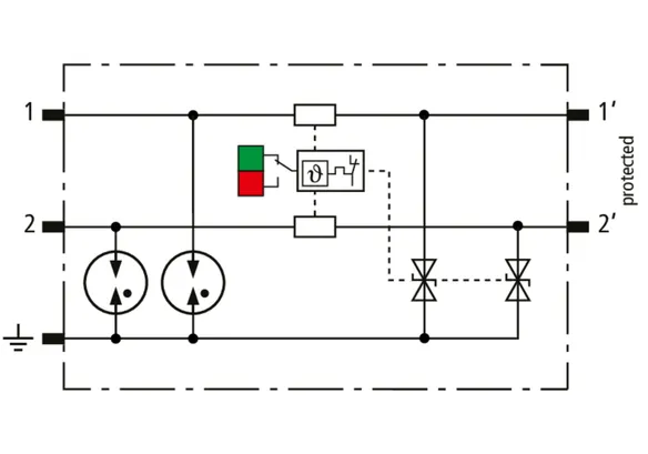
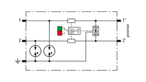
BCO CL2 B 180

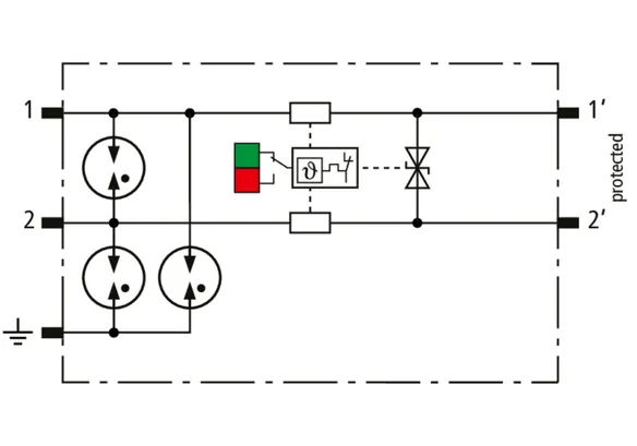
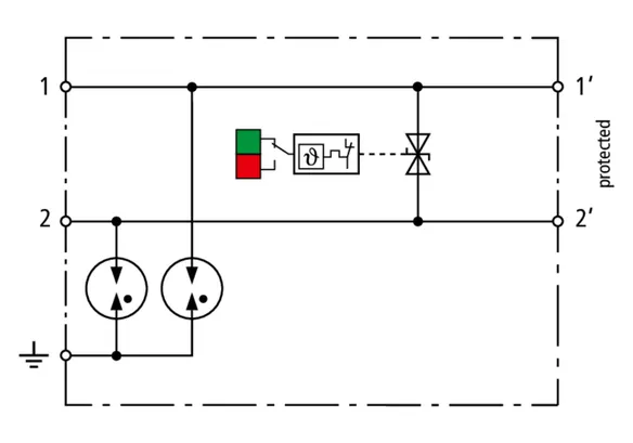
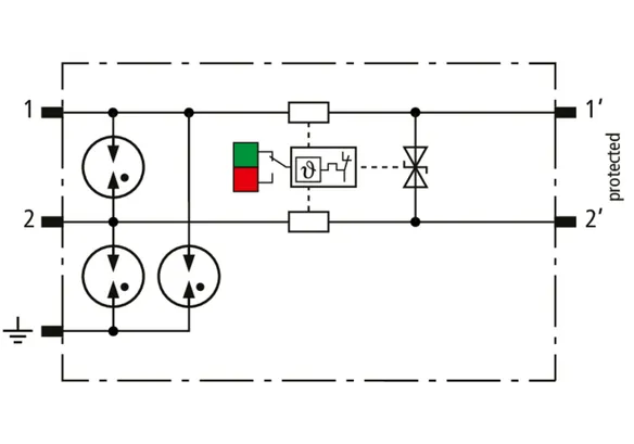
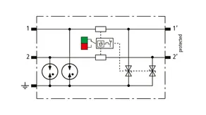
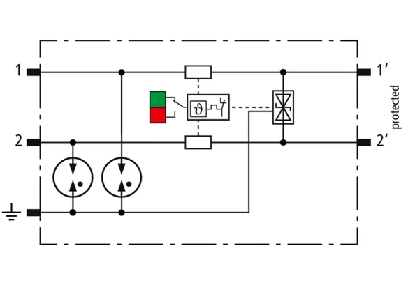
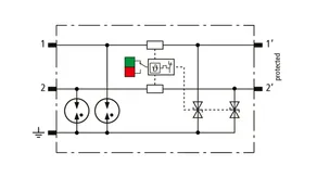
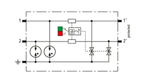
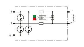
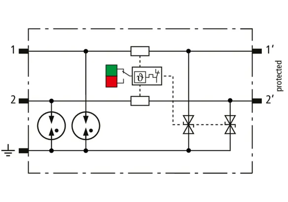
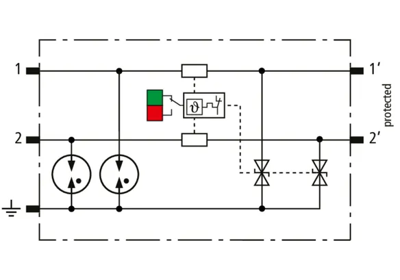
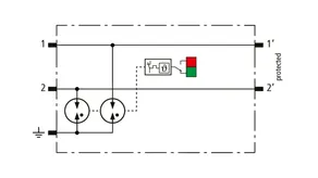
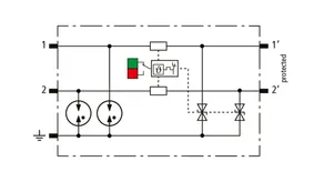
Descargador compacto de corrientes de rayo que ahorra espacio con un ancho de solo 6 mm y técnica de conexión Push-in con indicación del estado operativo para la protección de 2 hilos individuales para la equipotencialidad contra el rayo así como la realización de una toma de tierra indirecta de líneas apantalladas.

1 Producto

N.º art. 927910 BCO CL2 B 180

GTIN 4013364411739, N.º de arancel aduanero (EU): 85363010, Peso bruto: 57.86 g, Empaquetado: 1.00 unidad(es)


Figuras

Más información

Descargador de corrientes de rayo
BLITZDUCTORconnect CL2 B 180
compacto para la protección de 2 hilos individuales
para la equipotencialidad contra el rayo
así como la realización de la toma de tierra indirecta
de líneas apantalladas
comprobado según EN/IEC 61643-21
y coordinado energéticamente según IEC 61643-22
Clase de DPS Tipo 1
Categoría de impulsos: C2, C3, B2, D1
Indicación del estado operativo, ancho de 6 mm
Máx. tensión de servicio: 180,0 V DC / 127,0 V AC
Corriente nominal a 80°C: 1,2 A
Corriente nominal de descarga C2 por hilo (8/20): 5 kA
Corriente nominal de descarga C2 total (8/20): 10 kA
Corriente de choque de rayo D1 (10/350 µs) por hilo: 1,5 kA
Corriente de choque de rayo D1 (10/350 µs) total: 3 kA
Conexión de líneas: Push-in

Producto DEHN
Tipo: BCO CL2 B 180
art. no.: 927910
o equivalente

Certificados

 

Datos técnicos

Clase de DPS A
Máx. tensión de servicio DC (UC ) 180 V
Corriente nominal (IL ) 1,2 A
Corriente de choque de rayo D1 (10/350 µs) por hilo (Iimp ) 1,5 kA
Corriente nominal de descarga C2 (8/20 µs) total (In ) 10 kA
Impedancia en serie por hilo 0 Ohm
Certificaciones UL 497B, CSA, ATEX, IECEx, CCC, SIL
*) Para más detalles, visite: www.dehn.de

Se ha añadido el artículo 927910 a favoritos.

El artículo 927910 ha sido añadido a la cesta de compra.


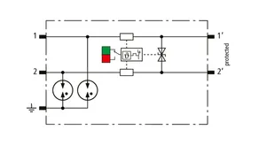
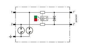
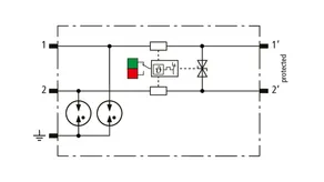
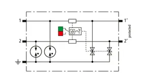
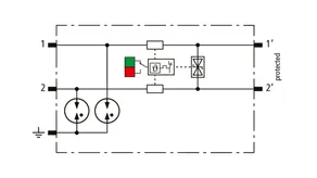
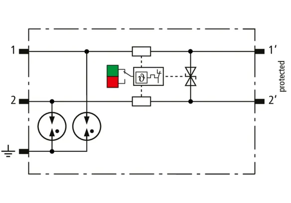
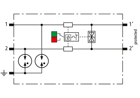
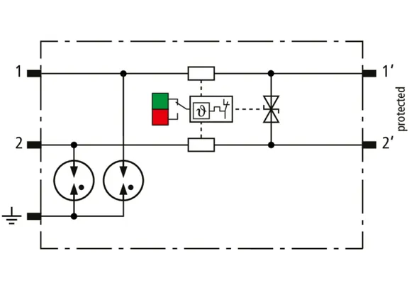
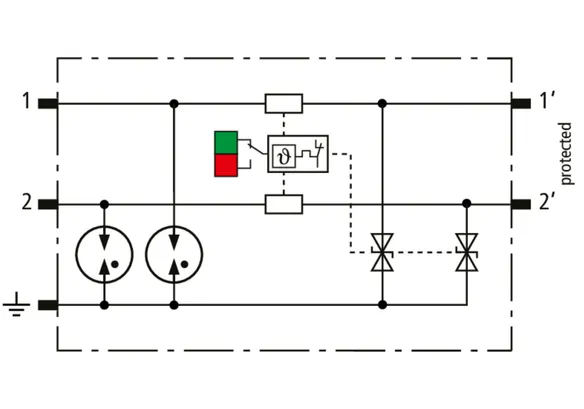
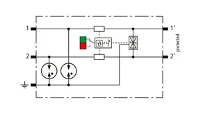
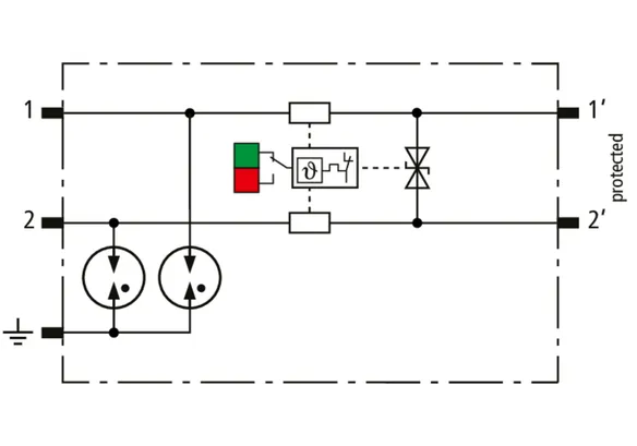
BCO CL2 BE

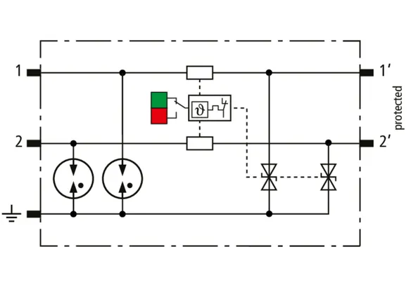
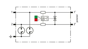
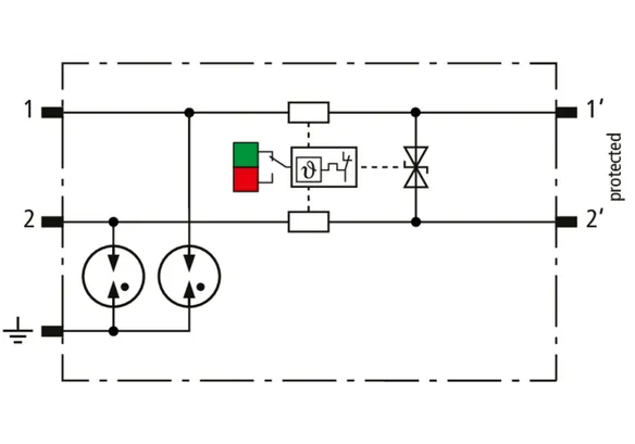
Descargador compacto combinado de corrientes de rayo y sobretensiones que ahorra espacio con un ancho de solo 6 mm y técnica de conexión Push-in con indicación del estado operativo para la protección de 2 hilos individuales con potencial de referencia común así como interfaces asimétricas.

3 Productos

N.º art. 927922 BCO CL2 BE 12

GTIN 4013364411951, N.º de arancel aduanero (EU): 85363010, Peso bruto: 57.86 g, Empaquetado: 1.00 unidad(es)

Predecesor

Figuras

Más información

Descargador combinado de corrientes de rayo y sobretensiones
BLITZDUCTORconnect CL2 BE 12
compacto, para la protección de 2 hilos individuales
con potencial de referencia común así como interfaces asimétricas
comprobado según EN/IEC 61643-21
y coordinado energéticamente según IEC 61643-22
Clase de DPS Tipo 1 / P1
Categoría de impulsos: C1, C2, C3, B2, D1
Indicación del estado operativo, ancho 6 mm
Máx. tensión de servicio: 15,0 V DC / 10,6 V AC
Corriente nominal a 70°C: 0,75 A
Corriente nominal de descarga C2 por hilo (8/20): 5 kA
Corriente nominal de descarga C2 total (8/20): 10 kA
Corriente de choque de rayo D1 (10/350 µs) por hilo: 1,5 kA
Corriente de choque de rayo D1 (10/350 µs) total: 3 kA
Conexión de líneas: Push-in

Producto DEHN
Tipo: BCO CL2 BE 12
art. no.: 927922
o equivalente

Certificados

 

Datos técnicos

Clase de DPS M
Máx. tensión de servicio DC (UC ) 15 V
Corriente nominal a 70 °C (IL ) 0,75 A
Corriente de choque de rayo D1 (10/350 µs) por hilo (Iimp ) 1,5 kA
Corriente nominal de descarga C2 (8/20 µs) total (In ) 10 kA
Impedancia en serie por hilo 1 Ohm
Frecuencia de corte hilo-hilo (fG ) 1,4 MHz
Certificaciones UL 497B, CSA, ATEX, IECEx, CCC, SIL
*) Para más detalles, visite: www.dehn.de

Se ha añadido el artículo 927922 a favoritos.

El artículo 927922 ha sido añadido a la cesta de compra.

N.º art. 927924 BCO CL2 BE 24

GTIN 4013364411968, N.º de arancel aduanero (EU): 85363010, Peso bruto: 57.86 g, Empaquetado: 1.00 unidad(es)

Predecesor

Figuras

Más información

Descargador combinado de corrientes de rayo y sobretensiones
BLITZDUCTORconnect CL2 BE 24
compacto, para la protección de 2 hilos individuales
con potencial de referencia común
así como interfaces asimétricas
comprobado según EN/IEC 61643-21
y coordinado energéticamente según IEC 61643-22
Clase de DPS Tipo 1 / P1
Categoría de impulsos: C1, C2, C3, B2, D1
Indicación del estado operativo, ancho 6 mm
Máx. tensión de servicio: 33,0 V DC / 23,3 V AC
Corriente nominal a 70°C: 0,75 A
Corriente nominal de descarga C2 por hilo (8/20): 5 kA
Corriente nominal de descarga C2 total (8/20): 10 kA
Corriente de choque de rayo D1 (10/350 µs) por hilo: 1,5 kA
Corriente de choque de rayo D1 (10/350 µs) total: 3 kA
Conexión de líneas: Push-in

Producto DEHN
Tipo: BCO CL2 BE 24
art. no.: 927924
o equivalente

Certificados

 

Datos técnicos

Clase de DPS M
Máx. tensión de servicio DC (UC ) 33 V
Corriente nominal a 70 °C (IL ) 0,75 A
Corriente de choque de rayo D1 (10/350 µs) por hilo (Iimp ) 1,5 kA
Corriente nominal de descarga C2 (8/20 µs) total (In ) 10 kA
Impedancia en serie por hilo 1 Ohm
Frecuencia de corte hilo-hilo (fG ) 3,4 MHz
Certificaciones UL 497B, CSA, ATEX, IECEx, CCC, SIL
*) Para más detalles, visite: www.dehn.de

Se ha añadido el artículo 927924 a favoritos.

El artículo 927924 ha sido añadido a la cesta de compra.

N.º art. 927925 BCO CL2 BE 48

GTIN 4013364411975, N.º de arancel aduanero (EU): 85363010, Peso bruto: 57.86 g, Empaquetado: 1.00 unidad(es)

Predecesor

Figuras

Más información

Descargador combinado de corrientes de rayo y sobretensiones
BLITZDUCTORconnect CL2 BE 48
compacto, para la protección de 2 hilo individuales
con potencial de referencia común
así como interfaces asimétricas.
Comprobado según EN/IEC 61643-21
y coordinado energéticamente según IEC 61643-22
Clase de DPS Tipo 1 / P1
Categoría de impulsos: C1, C2, C3, B2, D1
Indicación del estado operativo, ancho de 6 mm
Máx. tensión de servicio: 54,0 V DC / 38,1 V AC
Corriente nominal a 70°C: 0,75 A
Corriente nominal de descarga C2 por hilor (8/20): 5 kA
Corriente nominal de descarga C2 total (8/20): 10 kA
Corriente de choque de rayo D1 (10/350 µs) por hilo: 1,5 kA
Corriente de choque de rayo D1 (10/350 µs) total: 3 kA
Conexión de líneas: Push-in

Producto DEHN
Tipo: BCO CL2 BE 48
art. no.: 927925
o equivalente

Certificados

 

Datos técnicos

Clase de DPS M
Máx. tensión de servicio DC (UC ) 54 V
Corriente nominal a 70 °C (IL ) 0,75 A
Corriente de choque de rayo D1 (10/350 µs) por hilo (Iimp ) 1,5 kA
Corriente nominal de descarga C2 (8/20 µs) total (In ) 10 kA
Impedancia en serie por hilo 1 Ohm
Frecuencia de corte hilo-hilo (fG ) 5 MHz
Certificaciones UL 497B, CSA, ATEX, IECEx, CCC, SIL
*) Para más detalles, visite: www.dehn.de

Se ha añadido el artículo 927925 a favoritos.

El artículo 927925 ha sido añadido a la cesta de compra.


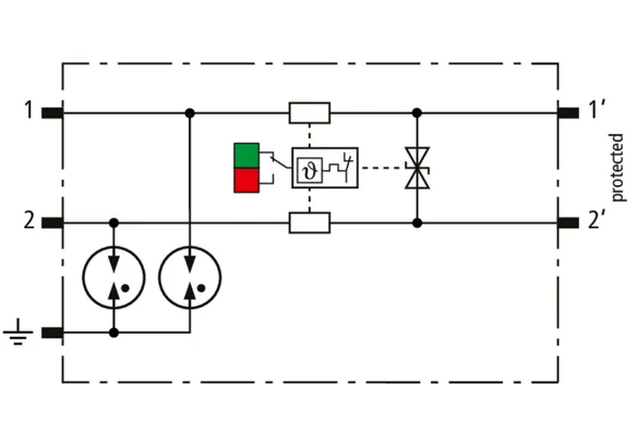
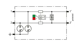
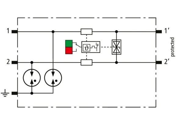
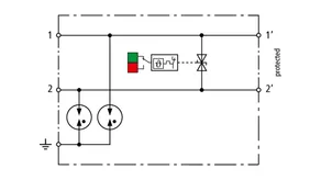
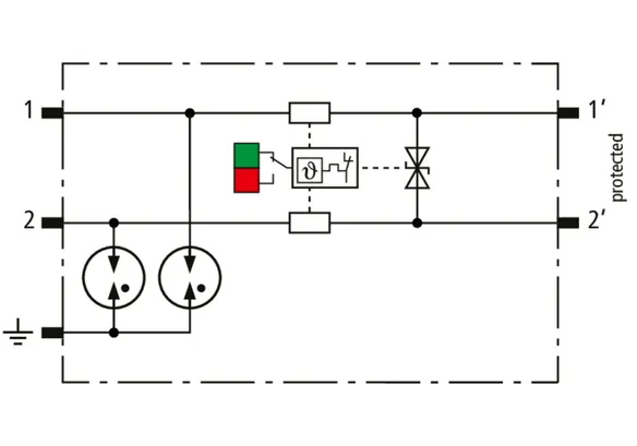
BCO CL2 BD

Descargador compacto combinado de corrientes de rayo y sobretensiones que ahorra espacio con un ancho de solo 6 mm y técnica de conexión Push-in con indicación del estado operativo para la protección de 1 par de hilos de interfaces simétricas libres de potencial de tierra.

3 Productos

N.º art. 927942 BCO CL2 BD 12

GTIN 4013364411777, N.º de arancel aduanero (EU): 85363010, Peso bruto: 57.86 g, Empaquetado: 1.00 unidad(es)

Predecesor

Figuras

Más información

Descargador combinado de corrientes de rayo y sobretensiones
BLITZDUCTORconnect CL2 BD 12
compacto, para la protección de un par de hilos
de interfaces simétricas libres de potencial de tierra
comprobado según EN/IEC 61643-21
y coordinado energéticamente según IEC 61643-22
Clase de DPS Tipo 1 / P2
Categoría de impulsos: C1, C2, C3, B2, D1
Indicación del estado operativo, ancho de 6 mm
Máx. tensión de servicio: 15,0 V DC / 10,6 V AC
Corriente nominal a 70°C: 0,75 A
Corriente nominal de descarga C2 por hilo (8/20): 5 kA
Corriente nominal de descarga C2 total (8/20): 10 kA
Corriente de choque de rayo D1 (10/350 µs) por hilo: 1,5 kA
Corriente de choque de rayo D1 (10/350 µs) total: 3 kA
Conexión de líneas: Push-in

Producto DEHN
Tipo: BCO CL2 BD 12
art. no.: 927942
o equivalente

Certificados

 

Datos técnicos

Clase de DPS L
Máx. tensión de servicio DC (UC ) 15 V
Corriente nominal a 70 °C (IL ) 0,75 A
Corriente de choque de rayo D1 (10/350 µs) por hilo (Iimp ) 1,5 kA
Corriente nominal de descarga C2 (8/20 µs) total (In ) 10 kA
Impedancia en serie por hilo 1 Ohm
Frecuencia de corte hilo-hilo (fG ) 2,6 MHz
Certificaciones UL 497B, CSA, ATEX, IECEx, CCC, SIL
*) Para más detalles, visite: www.dehn.de

Se ha añadido el artículo 927942 a favoritos.

El artículo 927942 ha sido añadido a la cesta de compra.

N.º art. 927944 BCO CL2 BD 24

GTIN 4013364411784, N.º de arancel aduanero (EU): 85363010, Peso bruto: 57.86 g, Empaquetado: 1.00 unidad(es)

Predecesor

Figuras

Más información

Descargador combinado de corrientes de rayo y sobretensiones
BLITZDUCTORconnect CL2 BD 24
compacto, para la protección de un par de hilos
de interfaces simétricas libres de potencial de tierra
comprobado según EN/IEC 61643-21
y coordinado energéticamente según IEC 61643-22
Clase de DPS Tipo 1 / P2
Categoría de impulsos: C1, C2, C3, B2, D1
Indicación del estado operativo
Máx. tensión de servicio: 36,0 V DC / 25,4 V AC
Corriente nominal a 70°C: 0,75 A
Corriente nominal de descarga C2 por hilo (8/20): 5 kA
Corriente nominal de descarga C2 total (8/20): 10 kA
Corriente de choque de rayo D1 (10/350 µs) por hilo: 1,5 kA
Corriente de choque de rayo D1 (10/350 µs) total: 3 kA
Conexión de líneas: Push-in
ancho de 6 mm

Producto DEHN
Tipo: BCO CL2 BD 24
art. no.: 927944
o equivalente

Certificados

 

Datos técnicos

Clase de DPS L
Máx. tensión de servicio DC (UC ) 36 V
Corriente nominal a 70 °C (IL ) 0,75 A
Corriente de choque de rayo D1 (10/350 µs) por hilo (Iimp ) 1,5 kA
Corriente nominal de descarga C2 (8/20 µs) total (In ) 10 kA
Impedancia en serie por hilo 1 Ohm
Frecuencia de corte hilo-hilo (fG ) 5,8 MHz
Certificaciones UL 497B, CSA, ATEX, IECEx, CCC, SIL
*) Para más detalles, visite: www.dehn.de

Se ha añadido el artículo 927944 a favoritos.

El artículo 927944 ha sido añadido a la cesta de compra.

N.º art. 927945 BCO CL2 BD 48

GTIN 4013364411807, N.º de arancel aduanero (EU): 85363010, Peso bruto: 57.86 g, Empaquetado: 1.00 unidad(es)

Predecesor

Figuras

Más información

Descargador combinado de corrientes de rayo y sobretensiones
BLITZDUCTORconnect CL2 BD 48
compacto, para la protección de un par de hilos
de interfaces simétricas libres de potencial de tierra
comprobado según EN/IEC 61643-21
y coordinado energéticamente según IEC 61643-22
Clase de DPS Tipo 1 / P2
Categoría de impulsos: C1, C2, C3, B2, D1
Indicación del estado operativo
Máx. tensión de servicio: 56,0 V DC / 39,6 V AC
Corriente nominal a 70°C: 0,75 A
Corriente nominal de descarga C2 por hilo (8/20): 5 kA
Corriente nominal de descarga C2 total (8/20): 10 kA
Corriente de choque de rayo D1 (10/350 µs) por hilo: 1,5 kA
Corriente de choque de rayo D1 (10/350 µs) total: 3 kA
Conexión de líneas: Push-in
ancho de 6 mm

Producto DEHN
Tipo: BCO CL2 BD 48
art. no.: 927945
o equivalente

Certificados

 

Datos técnicos

Clase de DPS L
Máx. tensión de servicio DC (UC ) 56 V
Corriente nominal a 70 °C (IL ) 0,75 A
Corriente de choque de rayo D1 (10/350 µs) por hilo (Iimp ) 1,5 kA
Corriente nominal de descarga C2 (8/20 µs) total (In ) 10 kA
Impedancia en serie por hilo 1 Ohm
Frecuencia de corte hilo-hilo (fG ) 7,2 MHz
Certificaciones UL 497B, CSA, ATEX, IECEx, CCC, SIL
*) Para más detalles, visite: www.dehn.de

Se ha añadido el artículo 927945 a favoritos.

El artículo 927945 ha sido añadido a la cesta de compra.


BCO CL2 BE HF

Descargador compacto combinado de corrientes de rayo y sobretensiones que ahorra espacio con un ancho de solo 6 mm y técnica de conexión Push-in con indicación del estado operativo para la protección de 2 hilos individuales de transmisiones radioeléctricas con potencial de referencia común así como interfaces asimétricas.

1 Producto

N.º art. 927970 BCO CL2 BE HF 5

GTIN 4013364411982, N.º de arancel aduanero (EU): 85363010, Peso bruto: 57.86 g, Empaquetado: 1.00 unidad(es)


Figuras

Más información

Descargador combinado de corrientes de rayo y sobretensiones
BLITZDUCTORconnect CL2 BE HF 5
compacto, para la protección de 2 hilos individuales
de transmisiones radioeléctricas
con potencial de referencia común
así como interfaces asimétricas
comprobado según EN/IEC 61643-21
y coordinado energéticamente según IEC 61643-22
Clase de DPS Tipo 1 / P1
Categoría de impulsos: C1, C2, C3, B2, D1
Indicación del estado operativo, ancho de 6 mm
Máx. tensión de servicio: 8,5 V DC / 6,0 V AC
Corriente nominal a 70°C: 0,75 A
Frecuencia de corte 100 MHz
Corriente nominal de descarga C2 por hilo (8/20): 5 kA
Corriente nominal de descarga C2 total (8/20): 10 kA
Corriente de choque de rayo D1 (10/350 µs) por hilo: 1,5 kA
Corriente de choque de rayo D1 (10/350 µs) total: 3 kA
Conexión de líneas: Push-in

Producto DEHN
Tipo: BCO CL2 BE HF 5
art. no.: 927970
o equivalente

Certificados

 

Datos técnicos

Clase de DPS M
Máx. tensión de servicio DC (UC ) 8,5 V
Corriente nominal a 70 °C (IL ) 0,75 A
Corriente de choque de rayo D1 (10/350 µs) por hilo (Iimp ) 1,5 kA
Corriente nominal de descarga C2 (8/20 µs) total (In ) 10 kA
Impedancia en serie por hilo 1 Ohm
Certificaciones UL 497B, CSA, ATEX, IECEx, CCC, SIL
*) Para más detalles, visite: www.dehn.de

Se ha añadido el artículo 927970 a favoritos.

El artículo 927970 ha sido añadido a la cesta de compra.


BCO CL2 BD HF

Descargador combinado compacto de espacio reducido en ancho de 6 mm y con técnica de conexión Push-in, con indicación de estado para la protección de un par de hilos de sistemas de bus de alta frecuencia y sin referencia a tierra, así como interfaces simétricas.

1 Producto

N.º art. 927971 BCO CL2 BD HF 5

GTIN 4013364411999, N.º de arancel aduanero (EU): 85363010, Peso bruto: 57.86 g, Empaquetado: 1.00 unidad(es)

Predecesor

Figuras

Más información

Descargador combinado de corrientes de rayo y sobretensiones
BLITZDUCTORconnect CL2 BD HF 5
compacto, para la protección de 1 par de hilos
de sistemas bus radioeléctricos
libres de potencial de tierra
así como interfaces simétricas
comprobado según EN/IEC 61643-21
y coordinado energéticamente según IEC 61643-22
Clase de DPS Tipo 1 / P2
Categoría de impulsos: C1, C2, C3, B2, D1
Indicación del estado operativo, ancho 6 mm
Máx. tensión de servicio: 8,5 V DC / 6,0 V AC
Corriente nominal a 70°C: 0,75 A
Frecuencia de corte 100 MHz
Corriente nominal de descarga C2 por hilo (8/20): 5 kA
Corriente nominal de descarga C2 total (8/20): 10 kA
Corriente de choque de rayo D1 (10/350 µs) por hilo: 1,5 kA
Corriente de choque de rayo D1 (10/350 µs) total 3 kA
Conexión de líneas: Push-In

Producto DEHN
Tipo: BCO CL2 BD HF 5
art. no.: 927971
o equivalente

Certificados

 

Datos técnicos

Clase de DPS L
Máx. tensión de servicio DC (UC ) 8,5 V
Corriente nominal a 70 °C (IL ) 0,75 A
Corriente de choque de rayo D1 (10/350 µs) por hilo (Iimp ) 1,5 kA
Corriente nominal de descarga C2 (8/20 µs) total (In ) 10 kA
Impedancia en serie por hilo 1 Ohm
Frecuencia de corte hilo-hilo (fG ) 100 MHz
Certificaciones UL 497B, CSA, ATEX, IECEx, CCC, SIL
*) Para más detalles, visite: www.dehn.de

Se ha añadido el artículo 927971 a favoritos.

El artículo 927971 ha sido añadido a la cesta de compra.


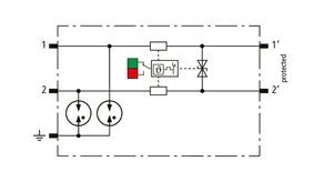
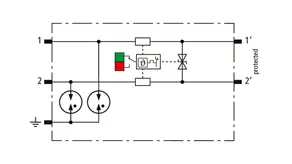
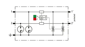
BCO CL2 E

Descargador de sobretensiones compacto que ahorra espacio con un ancho de solo 6 mm y técnica de conexión Push-In con indicación del estado operativo. Protección fina contra sobretensiones en una sola etapa con potentes diodos, para la protección de 2 hilos individuales con potencial de referencia común, así como interfaces asimétricas.

3 Productos

N.º art. 927987 BCO CL2 E 12

GTIN 4013364485754, N.º de arancel aduanero (EU): 85363010, Peso bruto: 55.94 g, Empaquetado: 1.00 unidad(es)

Predecesor

Figuras

Más información

Descargador de sobretensiones BLITZDUCTORconnect CL2 E 12
Protección compacta contra sobretensiones en una sola etapa
con potentes diodos, para la protección de
2 hilos individuales con potencial de referencia común,
así como interfaces asimétricas
probada según EN/IEC 61643-21 y
coordinada energéticamente según IEC 61643-22
Tipo de descargador 3/P1
Categoría de impulsos: C1, C3
Indicación de estado, 6 mm de ancho
Máxima tensión de servicio: 15 V CC / 10,6 V CA
Corriente nominal a 60 °C: 10 A
C1 Corriente nominal de descarga por hilo (8/20): 1,5 kA
C1 Corriente nominal de descarga total (8/20): 3 kA
Conexión de conductores: Push-in

Producto DEHN
Tipo: BCO CL2 E 12
art. no.: 927987
o equivalente

Certificados

 

Datos técnicos

Clase de DPS W
Máx. tensión de servicio DC (UC ) 15 V
Corriente nominal a 60 °C (IL ) 10 A
Corriente nominal a 80 °C (IL ) 6 A
Corriente nominal de descarga C1 (8/20 µs) total (In ) 3 kA
Impedancia en serie por hilo 0 Ohm
Certificaciones UL 497B, SIL
*) Para más detalles, visite: www.dehn.de

Se ha añadido el artículo 927987 a favoritos.

El artículo 927987 ha sido añadido a la cesta de compra.

N.º art. 927988 BCO CL2 E 24

GTIN 4013364485747, N.º de arancel aduanero (EU): 85363010, Peso bruto: 56.04 g, Empaquetado: 1.00 unidad(es)

Predecesor

Figuras

Más información

Descargador de sobretensiones BLITZDUCTORconnect CL2 E 24
Protección compacta contra sobretensiones en una sola etapa
con potentes diodos, para la protección de
2 hilos individuales con potencial de referencia común,
así como interfaces asimétricas
probada según EN/IEC 61643-21 y
coordinada energéticamente según IEC 61643-22
Tipo de descargador 3/P1
Categoría de impulsos: C1, C3
Indicación de estado, 6 mm de ancho
Máxima tensión de servicio: 33 V CC / 23 V CA
Corriente nominal a 60 °C: 10 A
C1 Corriente nominal de descarga por hilo (8/20): 0,6 kA
C1 Corriente nominal de descarga total (8/20): 1,2 kA
Conexión de conductores: Push-in

Producto DEHN
Tipo: BCO CL2 E 24
art. no.: 927988
o equivalente

Certificados

 

Datos técnicos

Clase de DPS W
Máx. tensión de servicio DC (UC ) 33 V
Corriente nominal a 60 °C (IL ) 10 A
Corriente nominal a 80 °C (IL ) 6 A
Corriente nominal de descarga C1 (8/20 µs) total (In ) 1,2 kA
Impedancia en serie por hilo 0 Ohm
Certificaciones UL 497B, SIL
*) Para más detalles, visite: www.dehn.de

Se ha añadido el artículo 927988 a favoritos.

El artículo 927988 ha sido añadido a la cesta de compra.

N.º art. 927989 BCO CL2 E 48

GTIN 4013364485761, N.º de arancel aduanero (EU): 85363010, Peso bruto: 36.58 g, Empaquetado: 1.00 unidad(es)

Predecesor

Figuras

Más información

Descargador de sobretensiones BLITZDUCTORconnect CL2 E 48
Protección compacta contra sobretensiones en una sola etapa
con potentes diodos, para la protección de
2 hilos individuales con potencial de referencia común,
así como interfaces asimétricas
probada según EN/IEC 61643-21 y
coordinada energéticamente según IEC 61643-22
Tipo de descargador 3/P1
Categoría de impulsos: C1, C3
Indicación de estado, 6 mm de ancho
Máxima tensión de servicio: 58 V CC / 41 V CA
Corriente nominal a 60 °C: 10 A
C1 Corriente nominal de descarga por hilo (8/20): 0,4 kA
C1 Corriente nominal de descarga total (8/20): 0,8 kA
Conexión de conductores: Push-in

Producto DEHN
Tipo: BCO CL2 E 48
art. no.: 927989
o equivalente

Certificados

 

Datos técnicos

Clase de DPS W
Máx. tensión de servicio DC (UC ) 58 V
Corriente nominal a 60 °C (IL ) 10 A
Corriente nominal a 80 °C (IL ) 6 A
Corriente nominal de descarga C1 (8/20 µs) total (In ) 0,8 kA
Impedancia en serie por hilo 0 Ohm
Certificaciones UL 497B, SIL
*) Para más detalles, visite: www.dehn.de

Se ha añadido el artículo 927989 a favoritos.

El artículo 927989 ha sido añadido a la cesta de compra.


BCO CL4 BC

Descargador combinado de corriente de rayo y sobretensiones de espacio reducido de 12 mm de ancho y tecnología de conexión Push-in con indicación de estado para la protección circuitos de medida de 4 conductores sin referencia a tierra de redes de transmisión de datos y técnica de medida y control.

1 Producto

N.º art. 927954 BCO CL4 BC 24

GTIN 4013364485730, N.º de arancel aduanero (EU): 85363010, Peso bruto: 80.10 g, Empaquetado: 1.00 unidad(es)


Figuras

Más información

Descargador combinado BLITZDUCTORconnect CL2 BC 24
Descargador combinado reducido para la protección de
medidas de 4 conductores sin referencia a tierra para
redes de transmisión de datos y circuitos de medición y control
probado según EN/IEC 61643-21 y coordinado
energéticamente según IEC 61643-22
Tipo de descargador 1 / P2
Categoría de impulsos: D1, C1, C2, C3, B2
Indicación de estado
Máxima tensión de servicio: 36,0 V CC / 25,4 V CA
Corriente nominal a 80 °C: 3 A
Impedancia en serie por hilo: 0 Ω
C2 Corriente nominal de descarga por hilo (8/20): 10 kA
C2 Corriente nominal de descarga total (8/20): 20 kA
D1 Corriente de choque de rayo (10/350) por hilo: 2,5 kA
D1 Corriente de choque de rayo (10/350) total: 5 kA
Conexión de conductores: Push-in
Ancho de 12 mm

Producto DEHN
Tipo: BCO CL4 BC 24
art. no.: 927954
o equivalente

Certificados

 

Datos técnicos

Clase de DPS L
Máx. tensión de servicio DC (UC ) 36 V
Corriente nominal a 80 °C (IL ) 3 A
Corriente de choque de rayo D1 (10/350 µs) por hilo (Iimp ) 2,5 kA
Corriente nominal de descarga C2 (8/20 µs) total (In ) 20 kA
Impedancia en serie por hilo 0 Ohm
Certificaciones UL 497B, SIL
*) Para más detalles, visite: www.dehn.de

Se ha añadido el artículo 927954 a favoritos.

El artículo 927954 ha sido añadido a la cesta de compra.


BCO CL2 BD HC10A 24

Descargador combinado de corriente de rayo y sobretensiones de espacio reducido de 12 mm de ancho y tecnología de conexión Push-in con indicación de estado para la protección de 1 par de hilos de sistemas de alimentación de CC sin referencia a tierra para redes de transmisión de datos y circuitos de medición y control.

1 Producto

N.º art. 927408 BCO CL2 BD HC10A 24

GTIN 4013364463653, N.º de arancel aduanero (EU): 85363010, Peso bruto: 68.30 g, Empaquetado: 1.00 unidad(es)

Predecesor

Figuras

Más información

Descargador combinado BLITZDUCTORconnect CL2 BD HC10A 24
Descargador combinado reducido para la protección de 1
par de hilos de sistemas de alimentación de CC sin referencia a tierra para
redes de transmisión de datos y circuitos de medición y control
probado según EN/IEC 61643-21 y
coordinado energéticamente según IEC 61643-22
Tipo de descargador 1 / P2
Categoría de impulsos: C1, C2, C3, B2, D1
Indicación de estado
Máxima tensión de servicio: 45,0 V CC / 31,8 V CA
Corriente nominal a 80 °C: 10 A
C2 Corriente nominal de descarga por hilo (8/20): 10 kA
C2 Corriente nominal de descarga total (8/20): 20 kA
D1 Corriente de choque de rayo (10/350 µs) por hilo: 2,5 kA
D1 Corriente de choque de rayo (10/350 µs) total: 5 kA
Conexión de conductores: Push-in
Ancho de 12 mm

Producto DEHN
Tipo: BCO CL2 BD HC10A 24
art. no.: 927408
o equivalente

Certificados

 

Datos técnicos

Clase de DPS L
Máx. tensión de servicio DC (UC ) 45 V
Corriente nominal a 80 °C (IL ) 10 A
Corriente de choque de rayo D1 (10/350 µs) por hilo (Iimp ) 2,5 kA
Corriente nominal de descarga C2 (8/20 µs) total (In ) 20 kA
Impedancia en serie por hilo 0 Ohm
Certificaciones UL 497B, SIL
*) Para más detalles, visite: www.dehn.de

Se ha añadido el artículo 927408 a favoritos.

El artículo 927408 ha sido añadido a la cesta de compra.


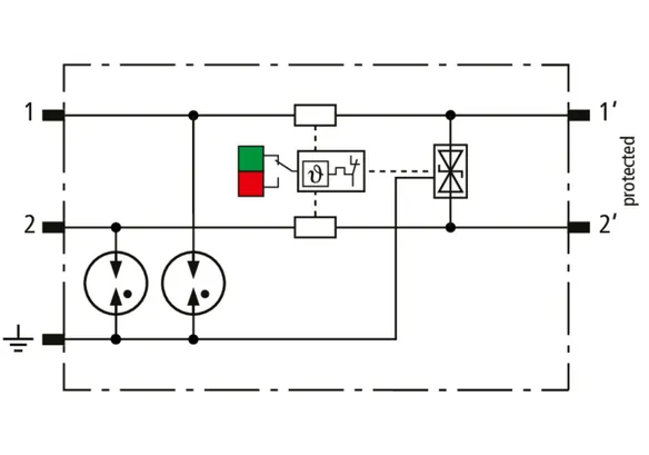
BCO CL2 BD EX 24

Descargador compacto combinado de corrientes de rayo y sobretensiones que ahorra espacio con un ancho de solo 6 mm y técnica de conexión Push-in con indicación del estado operativo para la protección de 1 par de hilos de circuitos de medida intrínsecamente seguros y sistemas bus. Cumple los requerimientos según FISCO. Resistencia de aislamiento > 500 V hilo-tierra.

1 Producto

N.º art. 927984 BCO CL2 BD EX 24

GTIN 4013364412002, N.º de arancel aduanero (EU): 85363010, Peso bruto: 57.86 g, Empaquetado: 1.00 unidad(es)

Predecesor

Figuras

Más información

Descargador combinado de corrientes de rayo y sobretensiones
BLITZDUCTORconnect CL2 BD EX 24
compacto, para la protección de un par de hilos
de interfaces simétricas, intrínsecamente seguras y libres de potencial
comprobado según EN/IEC 61643-21
y coordinado energéticamente según IEC 61643-22
Clase de DPS Tipo 1 / P2
Categoría de impulsos: C1, C2, C3, B2, D1
Indicación del estado operativo, ancho de 6 mm
Máx. tensión de servicio: 36,0 V DC / 25,4 V AC
Corriente nominal a 70°C: 0,75 A
Máx. tensión de entrada según EN 60079-11: 30 V
Máx. corriente de entrada según EN 60079-11: 0,5 A
Corriente nominal de descarga C2 por hilo (8/20): 5 kA
Corriente nominal de descarga C2 total (8/20): 10 kA
Corriente de choque de rayo D1 (10/350 µs) por hilo: 1,5 kA
Corriente de choque de rayo D1 (10/350 µs) total: 3 kA
Conexión de líneas: Push-in

Producto DEHN
Tipo: BCO CL2 BD EX 24
art. no.: 927984
o equivalente

Certificados

 

Datos técnicos

Clase de DPS L
Máx. tensión de servicio DC (UC ) 36 V
Corriente nominal a 80 °C (IL ) 0,5 A
Corriente de choque de rayo D1 (10/350 µs) por hilo (Iimp ) 1,5 kA
Corriente nominal de descarga C2 (8/20 µs) total (In ) 10 kA
Impedancia en serie por hilo 1 Ohm
Frecuencia de corte hilo-hilo (fG ) 3,5 MHz
Certificaciones ATEX, IECEx, CCC, SIL
*) Para más detalles, visite: www.dehn.de

Se ha añadido el artículo 927984 a favoritos.

El artículo 927984 ha sido añadido a la cesta de compra.


back to top