DEHNpipe

Descargador de sobretensiones para atornillar en dispositivos de campo
  • En cableado paralelo o en serie
  • En acero inoxidable resistente a la corrosión
  • Disponible descargador para proteger una segunda interfaz (lado de datos o lado de energía)
Variantes para aplicaciones Ex (i) y Ex (d)
  • Para protección de circuitos de medida autoprotegidos y sistemas de Bus Ex (i)
  • Ejecución en encapsulado antideflagrante Ex (d)
Muchas certificacionesCertificaciones según el DPS: IECEx, ATEX, FISCO, CSA Hazloc

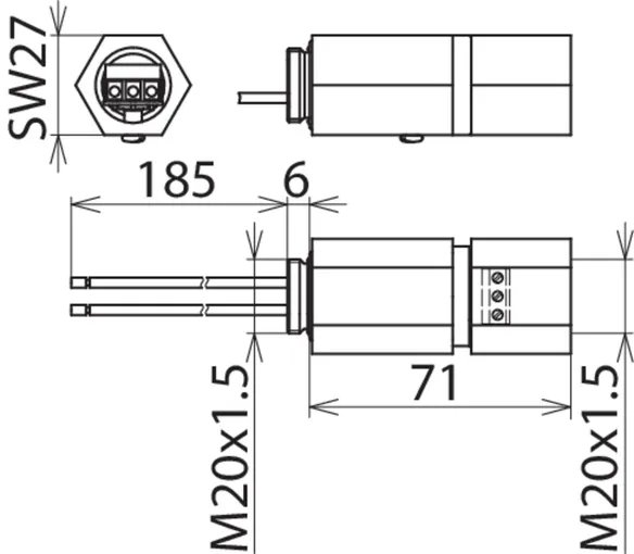
Detalles

Ejecución robusta en acero inoxidable resistente a la corrosión.
lorem ipsum
Rosca métrica y NPT.
lorem ipsum
Variante para cableado de paso.
lorem ipsum
Certificación ATEX y IECEx.
lorem ipsum

DPI MD

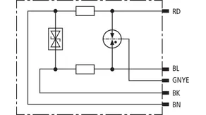
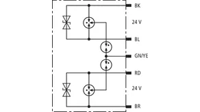
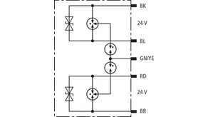
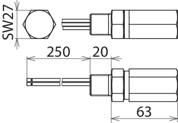
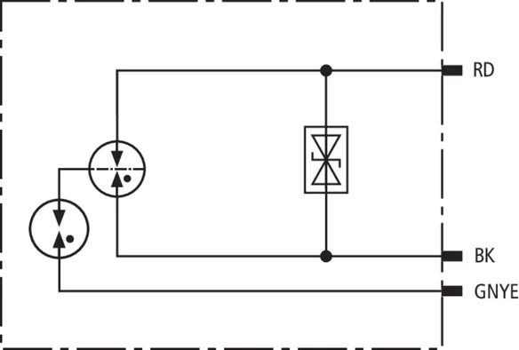
Descargador de dos etapas coordinado energéticamente, sin corrientes de fuga a tierra, para señales de 4-20 mA con rosca M20 x 1.5 (hembra/macho). Puesta a tierra del blindaje directa, indirecta o sin toma de tierra. Los racores del cable deben solicitarse por separado.

1 Producto

N.º art. 929941 DPI MD 24 M 2S

GTIN 4013364098152, N.º de arancel aduanero (EU): 85363010, Peso bruto: 187.40 g, Empaquetado: 1.00 unidad(es)


Figuras

Más información


Máxima tensión permisible de servicio DC: 34.8 V
Corriente nominal: 0.5 A
C2 Corriente nominal de descarga total (8/20 µs): 10 kA
Frecuencia límite hilo-hilo: 14 MHz

Producto DEHN
Tipo: DPI MD 24 M 2S
art. no.: 929941
o equivalente

Certificados

 

Datos técnicos

Clase DPS Q
Máxima tensión permisible de servicio DC (UC ) 34.8 V
Corriente nominal (IL ) 0.5 A
D1 Corriente de impulso de rayo (10/350 µs) por hilo (Iimp ) 1 kA
C2 Corriente nominal de descarga total (8/20 µs) (In ) 10 kA
Frecuencia límite hilo-hilo (fG ) 14 MHz
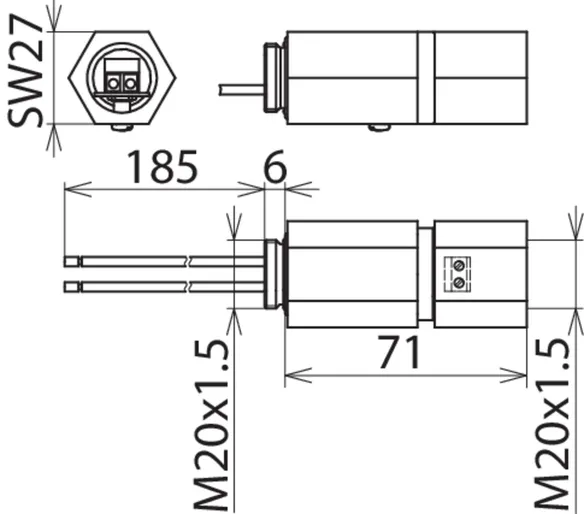
Para montaje en (campo/lado de equipo) M20 x 1.5 rosca hembra / M20 x 1.5 rosca macho
Certificaciones SIL
*) Para más información, por favor visite www.dehn.es

Se ha añadido el artículo 929941 a favoritos.

El artículo 929941 ha sido añadido a la cesta de compra.


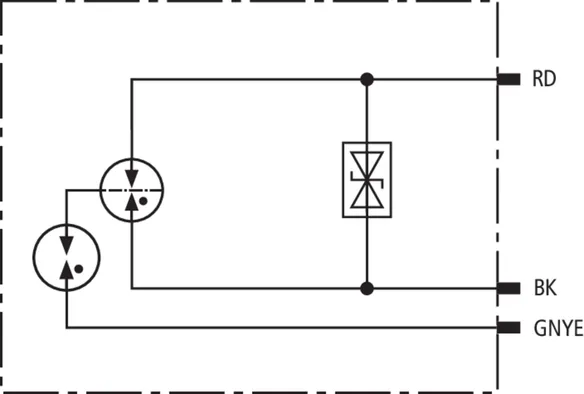
DPI MD EX

Descargador de sobretensiones de dos etapas, coordinado energéticamente, con circuito de protección de baja capacidad para protección de circuitos de medida con seguridad intrínseca y sistemas de bus. Cumple con requerimientos FISCO. Resistencia de aislamiento > 500 V a tierra. Los racores de cables deben solicitarse por separado.

2 Productos

N.º art. 929960 DPI MD EX 24 M 2

GTIN 4013364098145, N.º de arancel aduanero (EU): 85363010, Peso bruto: 185.80 g, Empaquetado: 1.00 unidad(es)


Figuras

Más información


Máxima tensión permisible de servicio DC: 34.8 V
Corriente nominal: 0.5 A
C2 Corriente nominal de descarga total (8/20 µs): 10 kA
Frecuencia límite hilo-hilo: 7 MHz

Producto DEHN
Tipo: DPI MD EX 24 M 2
art. no.: 929960
o equivalente

Certificados

 

Datos técnicos

Clase DPS T
Máxima tensión permisible de servicio DC (UC ) 34.8 V
Corriente nominal (IL ) 0.5 A
D1 Corriente de impulso de rayo (10/350 µs) por hilo (Iimp ) 1 kA
C2 Corriente nominal de descarga total (8/20 µs) (In ) 10 kA
Frecuencia límite hilo-hilo (fG ) 7 MHz
Para montaje en (campo/lado de equipo) M20 x 1.5 rosca hembra / M20 x 1.5 rosca macho
Certificaciones ATEX, IECEx, CCC, CSA & USA Hazloc, SIL
*) Para más información, por favor visite www.dehn.es

Se ha añadido el artículo 929960 a favoritos.

El artículo 929960 ha sido añadido a la cesta de compra.

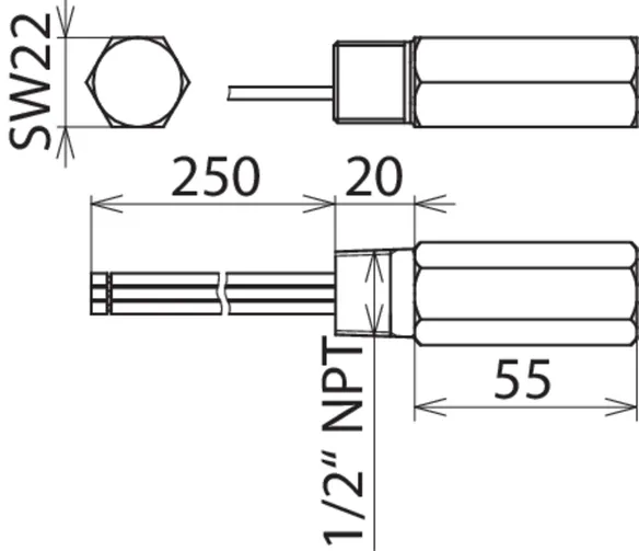
N.º art. 929965 DPI MD EX 24 N 2

GTIN 4013364360778, N.º de arancel aduanero (EU): 85363010, Peso bruto: 185.00 g, Empaquetado: 1.00 unidad(es)


Figuras

Más información

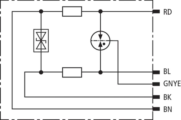
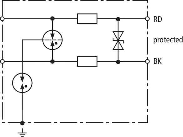
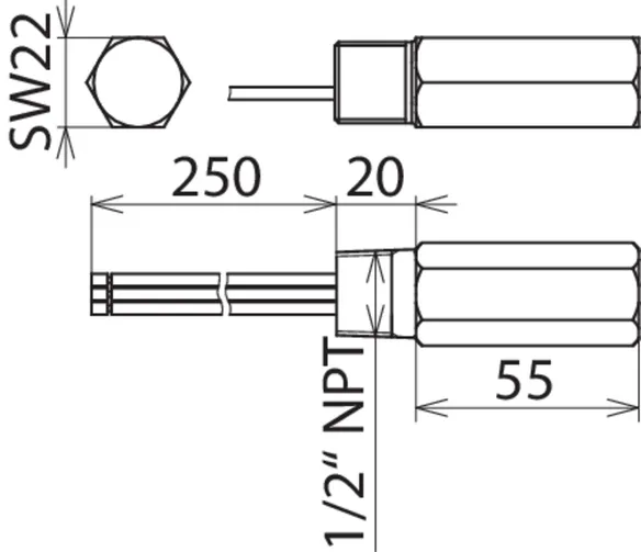
Descargador coordinado de dos etapas
DEHNpipe DPI MD EX 24 N 2
Descargador de sobretensiones tipo 2 / P1
DEHNpipe, compropado según la EN 61643-21
y coordinado energéticamente según la
IEC 61643-22, en V2A, IP 67,
Diseño de la carcasa de 2 piezas
en versión Ex (i),
para atornillar en dispositivos de campo
con medición a dos puntas,
protección serial por un par de hilos
funcionando libre de potencial
así como interfaces simétricas
según NAMUR NE 21.
Máxima tensión permisible de servicio DC: 34,8 V
Corriente nominal: 0,5 A
C2 Corriente nominal de descarga total (8/20 µs): 10 kA
Frecuencia límite hilo-hilo: 7 MHz

Producto DEHN
Tipo: DPI MD EX 24 N 2
art. no.: 929965
o equivalente

Certificados

 

Datos técnicos

Clase DPS T
Máxima tensión permisible de servicio DC (UC ) 34,8 V
Corriente nominal (IL ) 0,5 A
D1 Corriente de impulso de rayo (10/350 µs) por hilo (Iimp ) 1 kA
C2 Corriente nominal de descarga total (8/20 µs) (In ) 10 kA
Frecuencia límite hilo-hilo (fG ) 7 MHz
Para montaje en (campo/lado de equipo) 1/2-14 NPT rosca interior / 1/2-14 NPT rosca exterior
Certificaciones ATEX, IECEx, CCC, SIL
*) Para más información, por favor visite www.dehn.es

Se ha añadido el artículo 929965 a favoritos.

El artículo 929965 ha sido añadido a la cesta de compra.


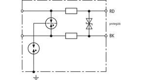
DPI CD EXI

Descargador de sobretensiones con circuito de protección de baja capacidad para protección de circuitos de medida con seguridad intrínseca y sistemas de bus. Cumple con requerimientos FISCO. Resistencia de aislamiento > 500 V a tierra.

2 Productos

N.º art. 929961 DPI CD EXI 24 M

GTIN 4013364101784, N.º de arancel aduanero (EU): 85363010, Peso bruto: 183.00 g, Empaquetado: 1.00 unidad(es)


Figuras

Más información


Máxima tensión permisible de servicio DC: 32 V
Corriente nominal: 0.55 A
C2 Corriente nominal de descarga total (8/20 µs): 10 kA
Frecuencia límite hilo-hilo: 67 MHz

Producto DEHN
Tipo: DPI CD EXI 24 M
art. no.: 929961
o equivalente

Certificados

 

Datos técnicos

Clase DPS T
Máxima tensión permisible de servicio DC (UC ) 32 V
Corriente nominal (IL ) 0.55 A
D1 Corriente de impulso de rayo (10/350 µs) hilo-PG (Iimp ) 1 kA
C2 Corriente nominal de descarga total (8/20 µs) (In ) 10 kA
Frecuencia límite hilo-hilo (fG ) 67 MHz
Para montaje en (campo/lado de equipo) M20 x 1.5 rosca macho
Certificaciones ATEX, IECEx, CCC, CSA & USA Hazloc, SIL
*) Para más información, por favor visite www.dehn.es

Se ha añadido el artículo 929961 a favoritos.

El artículo 929961 ha sido añadido a la cesta de compra.

N.º art. 929963 DPI CD EXI 24 N

GTIN 4013364101807, N.º de arancel aduanero (EU): 85363010, Peso bruto: 196.00 g, Empaquetado: 1.00 unidad(es)


Figuras

Más información


Máxima tensión permisible de servicio DC: 32 V
Corriente nominal: 0.55 A
C2 Corriente nominal de descarga total (8/20 µs): 10 kA
Frecuencia límite hilo-hilo: 67 MHz

Producto DEHN
Tipo: DPI CD EXI 24 N
art. no.: 929963
o equivalente

Certificados

 

Datos técnicos

Clase DPS T
Máxima tensión permisible de servicio DC (UC ) 32 V
Corriente nominal (IL ) 0.55 A
D1 Corriente de impulso de rayo (10/350 µs) hilo-PG (Iimp ) 1 kA
C2 Corriente nominal de descarga total (8/20 µs) (In ) 10 kA
Frecuencia límite hilo-hilo (fG ) 67 MHz
Para montaje en (campo/lado de equipo) 1/2-14 NPT rosca macho
Certificaciones ATEX, IECEx, CCC, CSA & USA Hazloc, SIL
*) Para más información, por favor visite www.dehn.es

Se ha añadido el artículo 929963 a favoritos.

El artículo 929963 ha sido añadido a la cesta de compra.


DPI CD EXD

Descargador de sobretensiones antideflagrante, con circuito de protección de baja capacidad para protección de circuitos de medida y sistemas de bus en atmosferas potencialmente explosivas. Resistencia de aislamiento > 500 V a tierra. Homologado según normas CSA y USA Hazloc.

2 Productos

N.º art. 929962 DPI CD EXD 24 M

GTIN 4013364101791, N.º de arancel aduanero (EU): 85363010, Peso bruto: 183.00 g, Empaquetado: 1.00 unidad(es)


Figuras

Más información


Máxima tensión permisible de servicio DC: 32 V
Corriente nominal: 0.55 A
C2 Corriente nominal de descarga total (8/20 µs): 10 kA
Frecuencia límite hilo-hilo: 67 MHz

Producto DEHN
Tipo: DPI CD EXD 24 M
art. no.: 929962
o equivalente

Certificados

 

Datos técnicos

Clase DPS T
Máxima tensión permisible de servicio DC (UC ) 32 V
Corriente nominal (IL ) 0.55 A
D1 Corriente de impulso de rayo (10/350 µs) hilo-PG (Iimp ) 1 kA
C2 Corriente nominal de descarga total (8/20 µs) (In ) 10 kA
Frecuencia límite hilo-hilo (fG ) 67 MHz
Para montaje en (campo/lado de equipo) M20 x 1.5 rosca macho
Certificaciones ATEX, IECEx, CCC, CSA & USA Hazloc, SIL
*) Para más información, por favor visite www.dehn.es

Se ha añadido el artículo 929962 a favoritos.

El artículo 929962 ha sido añadido a la cesta de compra.

N.º art. 929964 DPI CD EXD 24 N

GTIN 4013364101814, N.º de arancel aduanero (EU): 85363010, Peso bruto: 183.00 g, Empaquetado: 1.00 unidad(es)


Figuras

Más información


Máxima tensión permisible de servicio DC: 32 V
Corriente nominal: 0.55 A
C2 Corriente nominal de descarga total (8/20 µs): 10 kA
Frecuencia límite hilo-hilo: 67 MHz

Producto DEHN
Tipo: DPI CD EXD 24 N
art. no.: 929964
o equivalente

Certificados

 

Datos técnicos

Clase DPS T
Máxima tensión permisible de servicio DC (UC ) 32 V
Corriente nominal (IL ) 0.55 A
D1 Corriente de impulso de rayo (10/350 µs) hilo-PG (Iimp ) 1 kA
C2 Corriente nominal de descarga total (8/20 µs) (In ) 10 kA
Frecuencia límite hilo-hilo (fG ) 67 MHz
Para montaje en (campo/lado de equipo) 1/2-14 NPT rosca macho
Certificaciones ATEX, IECEx, CCC, CSA & USA Hazloc, SIL
*) Para más información, por favor visite www.dehn.es

Se ha añadido el artículo 929964 a favoritos.

El artículo 929964 ha sido añadido a la cesta de compra.


DPI CD HF EXD

Descargador de sobretensiones antideflagrante, con circuito de protección de baja capacidad coordinado energéticamente, para protección de circuitos de medida y sistemas de bus en atmosferas potencialmente explosivas.

1 Producto

N.º art. 929971 DPI CD HF EXD 5 M

GTIN 4013364120761, N.º de arancel aduanero (EU): 85363010, Peso bruto: 285.60 g, Empaquetado: 1.00 unidad(es)


Figuras

Más información


Máxima tensión permisible de servicio DC: 6 V
Corriente nominal a 80 °C: 0.1 A
C2 Corriente nominal de descarga total (8/20 µs): 20 kA
Frecuencia límite hilo-hilo: 100 MHz

Producto DEHN
Tipo: DPI CD HF EXD 5 M
art. no.: 929971
o equivalente

Certificados

 

Datos técnicos

Clase DPS T
Máxima tensión permisible de servicio DC (UC ) 6 V
Corriente nominal a 80 °C (IL ) 0.1 A
C2 Corriente nominal de descarga total (8/20 µs) (In ) 20 kA
Frecuencia límite hilo-hilo (fG ) 100 MHz
Para montaje en (campo/lado de equipo) M20 x 1.5 rosca macho
Certificaciones ATEX, IECEx, CCC, CSA & USA Hazloc, SIL
*) Para más información, por favor visite www.dehn.es

Se ha añadido el artículo 929971 a favoritos.

El artículo 929971 ha sido añadido a la cesta de compra.


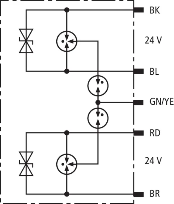
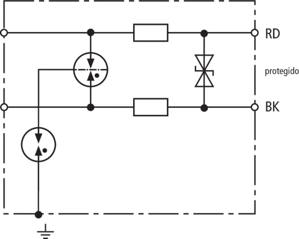
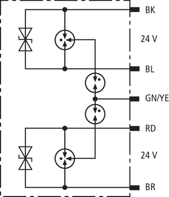
DPI CD EXD 230 24

Descargador de sobretensiones antideflagrante para la protección del suministro de energía 120/230 V e interfaces de datos a 24 V de equipos de campo situados en atmosferas potencialmente explosivas (zonas 1 y 2).
Seguridad aumentada gracias al circuito Y para la línea de alimentación 120/230 V.

II 2 G Ex d IIC T5/T6 versión de aplicación universal en zonas peligrosas 1 y 2. Homologado según normas CSA y USA Hazloc.

2 Productos

N.º art. 929969 DPI CD EXD 230 24 M

GTIN 4013364127418, N.º de arancel aduanero (EU): 85363010, Peso bruto: 280.00 g, Empaquetado: 1.00 unidad(es)


Figuras

Más información

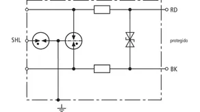
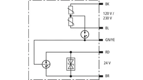
Descargador de sobretensiones doble DEHNpipe CD Ex (d) DPI CD EXD 230 24 M
Descargador de sobretensiones doble
del tipo de descargador 2 y tipo 2 / P2
DEHNpipe, probado según
EN 61643-11 y 21, en V2A, IP 67,
con diseño Ex (d),
para atornillar en dispositivos en campo
con conexión para alimentación y metrología de 2 hilos,
Protección en paralelo de un suministro de red de 230 V
y una interfaz de 0/4-20 mA
en zona Ex 1 o 2.
Máxima tensión permisible de servicio DC: 32 V
Corriente nominal a 80 °C: 0.55 A
C2 Corriente nominal de descarga total (8/20 µs): 10 kA

Producto DEHN
Tipo: DPI CD EXD 230 24 M
art. no.: 929969
o equivalente

Certificados

 

Datos técnicos

Protección del lado de datos
Clase DPS U
Máxima tensión permisible de servicio DC (UC ) 32 V
Corriente nominal a 80 °C (IL ) 0.55 A
D1 Corriente de impulso de rayo (10/350 µs) hilo-PG (Iimp ) 1 kA
C2 Corriente nominal de descarga total (8/20 µs) (In ) 10 kA
Para montaje en (campo/lado de equipo) M20 x 1.5 rosca macho
Certificaciones ATEX, IECEx, CCC, CSA & USA Hazloc, SIL
*) Para obtener información más detallada, por favor visite www.dehn.es
Protección del lado de energía
DPS según EN 61643-11 / ... IEC 61643-11 Tipo 2 / Clase II
Máxima tensión permisible de servicio AC (UC ) 255 V
Corriente total de descarga (8/20 µs) L+N-PE (Itotal ) 5 kA
Tensión del nivel de protección L-N (UP ) ≤ 1.4 kV
Fusible previo máximo 16 A gG o B 16 A

Se ha añadido el artículo 929969 a favoritos.

El artículo 929969 ha sido añadido a la cesta de compra.

N.º art. 929970 DPI CD EXD 230 24 N

GTIN 4013364127425, N.º de arancel aduanero (EU): 85363010, Peso bruto: 273.00 g, Empaquetado: 1.00 unidad(es)


Figuras

Más información

Descargador de sobretensiones doble DEHNpipe CD Ex (d) DPI CD EXD 230 24 N
Descargador de sobretensiones doble
del tipo de descargador 2 y tipo 2 / P2
DEHNpipe, probado según
EN 61643-11 y 21, en V2A, IP 67,
con diseño Ex (d),
para atornillar en dispositivos en campo
con conexión para alimentación y metrología de 2 hilos,
Protección en paralelo de un suministro de red de 230 V
y una interfaz de 0/4-20 mA
en zona Ex 1 o 2.
Máxima tensión permisible de servicio DC: 32 V
Corriente nominal a 80 °C: 0.55 A
C2 Corriente nominal de descarga total (8/20 µs): 10 kA

Producto DEHN
Tipo: DPI CD EXD 230 24 N
art. no.: 929970
o equivalente

Certificados

 

Datos técnicos

Protección del lado de datos
Clase DPS U
Máxima tensión permisible de servicio DC (UC ) 32 V
Corriente nominal a 80 °C (IL ) 0.55 A
D1 Corriente de impulso de rayo (10/350 µs) hilo-PG (Iimp ) 1 kA
C2 Corriente nominal de descarga total (8/20 µs) (In ) 10 kA
Para montaje en (campo/lado de equipo) 1/2-14 NPT rosca macho
Certificaciones ATEX, IECEx, CCC, CSA & USA Hazloc, SIL
*) Para obtener información más detallada, por favor visite www.dehn.es
Protección del lado de energía
DPS según EN 61643-11 / ... IEC 61643-11 Tipo 2 / Clase II
Máxima tensión permisible de servicio AC (UC ) 255 V
Corriente total de descarga (8/20 µs) L+N-PE (Itotal ) 5 kA
Tensión del nivel de protección L-N (UP ) ≤ 1.4 kV
Fusible previo máximo 16 A gG o B 16 A

Se ha añadido el artículo 929970 a favoritos.

El artículo 929970 ha sido añadido a la cesta de compra.


DPI CD EXI+D 2X24

Descargador de sobretensiones antideflagrante de aplicación en atmosferas potencialmente explosivas para protección de dos interfaces de datos a 24 V.

2 Productos

N.º art. 929950 DPI CD EXI+D 2X24 M

GTIN 4013364137387, N.º de arancel aduanero (EU): 85363010, Peso bruto: 247.00 g, Empaquetado: 1.00 unidad(es)


Figuras

Más información

Descargador de sobretensiones DEHNpipe CD EX (i) + Ex (d) DPI CD EXI+D 2X24 M
Descargador de sobretensiones
del tipo de descargador 2 / P1
DEHNpipe, probado según
EN 61643-21, en V2A, IP 67,
con diseño in Ex (i) + (d),
para la protección de dos
circuitos de señal sin referencia a tierra
o del circuito de alimentación
del dispositivo en campo y un
circuito de señal en zona Ex 1 o 2.
Máxima tensión permisible de servicio DC: 36 V
Corriente nominal: 0.55 A
C2 Corriente nominal de descarga total (8/20 µs): 20 kA

Producto DEHN
Tipo: DPI CD EXI+D 2X24 M
art. no.: 929950
o equivalente

Certificados

 

Datos técnicos

Clase DPS T
Máxima tensión permisible de servicio DC (UC ) 36 V
Corriente nominal (IL ) 0.55 A
D1 Corriente de impulso de rayo (10/350 µs) hilo-PG (Iimp ) 1.5 kA
C2 Corriente nominal de descarga total (8/20 µs) (In ) 20 kA
Para montaje en (campo/lado de equipo) M20 x 1.5 rosca macho
Certificaciones ATEX, IECEx, CCC, CSA & USA Hazloc, SIL
*) Para más información, por favor visite www.dehn.es

Se ha añadido el artículo 929950 a favoritos.

El artículo 929950 ha sido añadido a la cesta de compra.

N.º art. 929951 DPI CD EXI+D 2X24 N

GTIN 4013364137394, N.º de arancel aduanero (EU): 85363010, Peso bruto: 247.00 g, Empaquetado: 1.00 unidad(es)


Figuras

Más información

Descargador de sobretensiones DEHNpipe CD EX (i) + Ex (d) DPI CD EXI+D 2X24 N
Descargador de sobretensiones
del tipo de descargador 2 / P1
DEHNpipe, probado según
EN 61643-21, en V2A, IP 67,
con diseño in Ex (i) + (d),
para atornillar en dispositivos en campo
para la protección de dos
circuitos de señal sin referencia a tierra
o del circuito de alimentación
del dispositivo en campo y un
circuito de señal en zona Ex 1 o 2.
Máxima tensión permisible de servicio DC: 36 V
Corriente nominal: 0.55 A
C2 Corriente nominal de descarga total (8/20 µs): 20 kA

Producto DEHN
Tipo: DPI CD EXI+D 2X24 N
art. no.: 929951
o equivalente

Certificados

 

Datos técnicos

Clase DPS T
Máxima tensión permisible de servicio DC (UC ) 36 V
Corriente nominal (IL ) 0.55 A
D1 Corriente de impulso de rayo (10/350 µs) hilo-PG (Iimp ) 1.5 kA
C2 Corriente nominal de descarga total (8/20 µs) (In ) 20 kA
Para montaje en (campo/lado de equipo) 1/2-14 NPT rosca macho
Certificaciones ATEX, IECEx, CCC, CSA & USA Hazloc, SIL
*) Para más información, por favor visite www.dehn.es

Se ha añadido el artículo 929951 a favoritos.

El artículo 929951 ha sido añadido a la cesta de compra.


back to top