DEHNpipe
:quality(98)/www.dehn.mx/store/f/63044258/HDVORSCHAU/929952a1_16-9.jpg)
:quality(98)/www.dehn.mx/store/f/63044258/HDVORSCHAU/929952a1_16-9.jpg)
- En cableado paralelo o en serie
- En acero inoxidable resistente a la corrosión
- Disponible descargador para proteger una segunda interfaz (lado de datos o lado de energía)
- Para protección de circuitos de medida autoprotegidos y sistemas de Bus Ex (i)
- Ejecución en encapsulado antideflagrante Ex (d)
Detalles
:quality(98)/www.dehn.mx/store/f/63044260/HDVORSCHAU/929952a2_Kat.jpg)
:quality(98)/www.dehn.mx/store/f/63044260/HDVORSCHAU/929952a2_Kat.jpg)
:quality(98)/www.dehn.mx/store/f/63044261/HDVORSCHAU/929952a3_Kat.jpg)
:quality(98)/www.dehn.mx/store/f/63044261/HDVORSCHAU/929952a3_Kat.jpg)
:quality(98)/www.dehn.mx/store/f/63044262/HDVORSCHAU/929952a4_Kat.jpg)
:quality(98)/www.dehn.mx/store/f/63044262/HDVORSCHAU/929952a4_Kat.jpg)
:quality(98)/www.dehn.mx/store/f/63044259/HDVORSCHAU/929921_941_Kat.jpg)
:quality(98)/www.dehn.mx/store/f/63044259/HDVORSCHAU/929921_941_Kat.jpg)
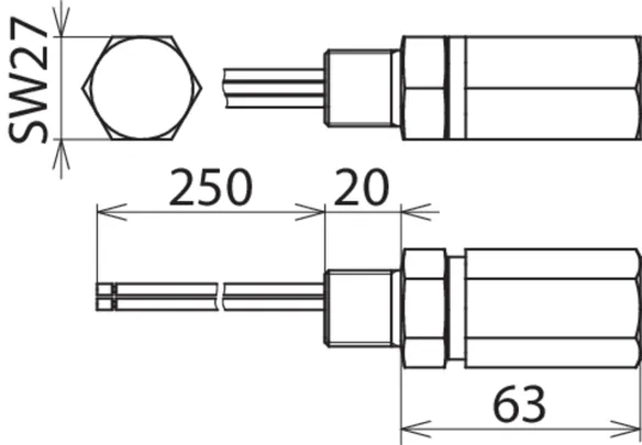
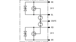
N.º art. 929941 DPI MD 24 M 2S
GTIN 4013364098152, N.º de arancel aduanero (EU): 85363010, Peso bruto: 187.40 g, Empaquetado: 1.00 unidad(es)
Datos técnicos
Clase DPS | Q |
Máxima tensión permisible de servicio DC (UC ) | 34.8 V |
Corriente nominal (IL ) | 0.5 A |
D1 Corriente de impulso de rayo (10/350 µs) por hilo (Iimp ) | 1 kA |
C2 Corriente nominal de descarga total (8/20 µs) (In ) | 10 kA |
Frecuencia límite hilo-hilo (fG ) | 14 MHz |
Para montaje en (campo/lado de equipo) | M20 x 1.5 rosca hembra / M20 x 1.5 rosca macho |
Certificaciones | SIL |
*) Para más información, por favor visite www.dehn.es |
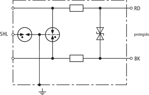
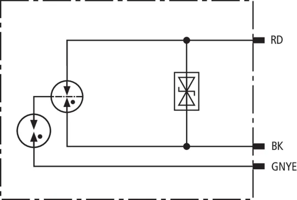
DPI MD EX
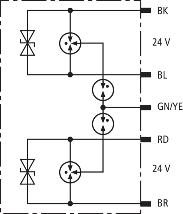
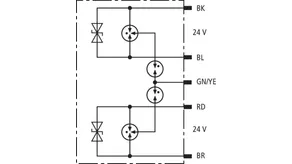
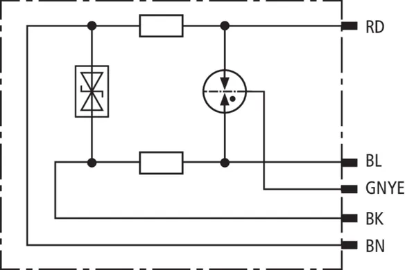
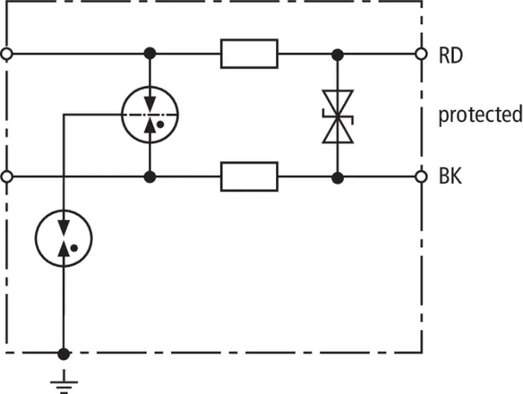
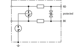
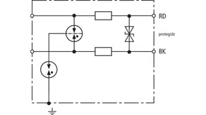
Descargador de sobretensiones de dos etapas, coordinado energéticamente, con circuito de protección de baja capacidad para protección de circuitos de medida con seguridad intrínseca y sistemas de bus. Cumple con requerimientos FISCO. Resistencia de aislamiento > 500 V a tierra. Los racores de cables deben solicitarse por separado.
2 Productos
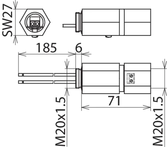
N.º art. 929960 DPI MD EX 24 M 2
GTIN 4013364098145, N.º de arancel aduanero (EU): 85363010, Peso bruto: 185.80 g, Empaquetado: 1.00 unidad(es)
Datos técnicos
Clase DPS | T |
Máxima tensión permisible de servicio DC (UC ) | 34.8 V |
Corriente nominal (IL ) | 0.5 A |
D1 Corriente de impulso de rayo (10/350 µs) por hilo (Iimp ) | 1 kA |
C2 Corriente nominal de descarga total (8/20 µs) (In ) | 10 kA |
Frecuencia límite hilo-hilo (fG ) | 7 MHz |
Para montaje en (campo/lado de equipo) | M20 x 1.5 rosca hembra / M20 x 1.5 rosca macho |
Certificaciones | ATEX, IECEx, CCC, CSA & USA Hazloc, SIL |
*) Para más información, por favor visite www.dehn.es |
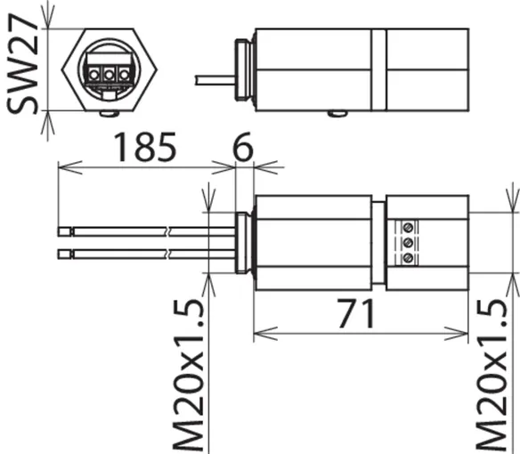
N.º art. 929965 DPI MD EX 24 N 2
GTIN 4013364360778, N.º de arancel aduanero (EU): 85363010, Peso bruto: 185.00 g, Empaquetado: 1.00 unidad(es)
Datos técnicos
Clase DPS | T |
Máxima tensión permisible de servicio DC (UC ) | 34,8 V |
Corriente nominal (IL ) | 0,5 A |
D1 Corriente de impulso de rayo (10/350 µs) por hilo (Iimp ) | 1 kA |
C2 Corriente nominal de descarga total (8/20 µs) (In ) | 10 kA |
Frecuencia límite hilo-hilo (fG ) | 7 MHz |
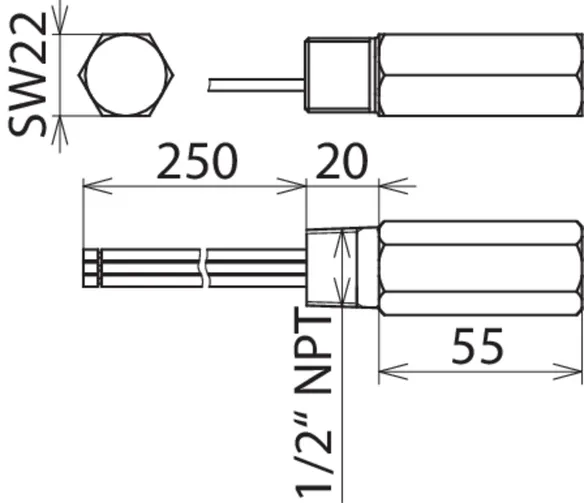
Para montaje en (campo/lado de equipo) | 1/2-14 NPT rosca interior / 1/2-14 NPT rosca exterior |
Certificaciones | ATEX, IECEx, CCC, SIL |
*) Para más información, por favor visite www.dehn.es |
N.º art. 929961 DPI CD EXI 24 M
GTIN 4013364101784, N.º de arancel aduanero (EU): 85363010, Peso bruto: 183.00 g, Empaquetado: 1.00 unidad(es)
Datos técnicos
Clase DPS | T |
Máxima tensión permisible de servicio DC (UC ) | 32 V |
Corriente nominal (IL ) | 0.55 A |
D1 Corriente de impulso de rayo (10/350 µs) hilo-PG (Iimp ) | 1 kA |
C2 Corriente nominal de descarga total (8/20 µs) (In ) | 10 kA |
Frecuencia límite hilo-hilo (fG ) | 67 MHz |
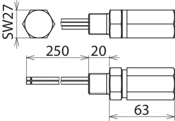
Para montaje en (campo/lado de equipo) | M20 x 1.5 rosca macho |
Certificaciones | ATEX, IECEx, CCC, CSA & USA Hazloc, SIL |
*) Para más información, por favor visite www.dehn.es |
N.º art. 929963 DPI CD EXI 24 N
GTIN 4013364101807, N.º de arancel aduanero (EU): 85363010, Peso bruto: 196.00 g, Empaquetado: 1.00 unidad(es)
Datos técnicos
Clase DPS | T |
Máxima tensión permisible de servicio DC (UC ) | 32 V |
Corriente nominal (IL ) | 0.55 A |
D1 Corriente de impulso de rayo (10/350 µs) hilo-PG (Iimp ) | 1 kA |
C2 Corriente nominal de descarga total (8/20 µs) (In ) | 10 kA |
Frecuencia límite hilo-hilo (fG ) | 67 MHz |
Para montaje en (campo/lado de equipo) | 1/2-14 NPT rosca macho |
Certificaciones | ATEX, IECEx, CCC, CSA & USA Hazloc, SIL |
*) Para más información, por favor visite www.dehn.es |
N.º art. 929962 DPI CD EXD 24 M
GTIN 4013364101791, N.º de arancel aduanero (EU): 85363010, Peso bruto: 183.00 g, Empaquetado: 1.00 unidad(es)
Datos técnicos
Clase DPS | T |
Máxima tensión permisible de servicio DC (UC ) | 32 V |
Corriente nominal (IL ) | 0.55 A |
D1 Corriente de impulso de rayo (10/350 µs) hilo-PG (Iimp ) | 1 kA |
C2 Corriente nominal de descarga total (8/20 µs) (In ) | 10 kA |
Frecuencia límite hilo-hilo (fG ) | 67 MHz |
Para montaje en (campo/lado de equipo) | M20 x 1.5 rosca macho |
Certificaciones | ATEX, IECEx, CCC, CSA & USA Hazloc, SIL |
*) Para más información, por favor visite www.dehn.es |
N.º art. 929964 DPI CD EXD 24 N
GTIN 4013364101814, N.º de arancel aduanero (EU): 85363010, Peso bruto: 183.00 g, Empaquetado: 1.00 unidad(es)
Datos técnicos
Clase DPS | T |
Máxima tensión permisible de servicio DC (UC ) | 32 V |
Corriente nominal (IL ) | 0.55 A |
D1 Corriente de impulso de rayo (10/350 µs) hilo-PG (Iimp ) | 1 kA |
C2 Corriente nominal de descarga total (8/20 µs) (In ) | 10 kA |
Frecuencia límite hilo-hilo (fG ) | 67 MHz |
Para montaje en (campo/lado de equipo) | 1/2-14 NPT rosca macho |
Certificaciones | ATEX, IECEx, CCC, CSA & USA Hazloc, SIL |
*) Para más información, por favor visite www.dehn.es |
N.º art. 929971 DPI CD HF EXD 5 M
GTIN 4013364120761, N.º de arancel aduanero (EU): 85363010, Peso bruto: 285.60 g, Empaquetado: 1.00 unidad(es)
Datos técnicos
Clase DPS | T |
Máxima tensión permisible de servicio DC (UC ) | 6 V |
Corriente nominal a 80 °C (IL ) | 0.1 A |
C2 Corriente nominal de descarga total (8/20 µs) (In ) | 20 kA |
Frecuencia límite hilo-hilo (fG ) | 100 MHz |
Para montaje en (campo/lado de equipo) | M20 x 1.5 rosca macho |
Certificaciones | ATEX, IECEx, CCC, CSA & USA Hazloc, SIL |
*) Para más información, por favor visite www.dehn.es |
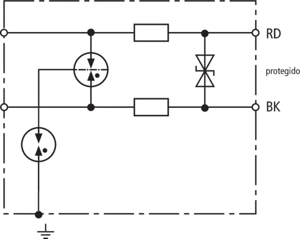
DPI CD EXD 230 24
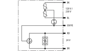
Descargador de sobretensiones antideflagrante para la protección del suministro de energía 120/230 V e interfaces de datos a 24 V de equipos de campo situados en atmosferas potencialmente explosivas (zonas 1 y 2).
Seguridad aumentada gracias al circuito Y para la línea de alimentación 120/230 V.
II 2 G Ex d IIC T5/T6 versión de aplicación universal en zonas peligrosas 1 y 2. Homologado según normas CSA y USA Hazloc.
2 Productos
N.º art. 929969 DPI CD EXD 230 24 M
GTIN 4013364127418, N.º de arancel aduanero (EU): 85363010, Peso bruto: 280.00 g, Empaquetado: 1.00 unidad(es)
Datos técnicos
Protección del lado de datos | |
Clase DPS | U |
Máxima tensión permisible de servicio DC (UC ) | 32 V |
Corriente nominal a 80 °C (IL ) | 0.55 A |
D1 Corriente de impulso de rayo (10/350 µs) hilo-PG (Iimp ) | 1 kA |
C2 Corriente nominal de descarga total (8/20 µs) (In ) | 10 kA |
Para montaje en (campo/lado de equipo) | M20 x 1.5 rosca macho |
Certificaciones | ATEX, IECEx, CCC, CSA & USA Hazloc, SIL |
*) Para obtener información más detallada, por favor visite www.dehn.es | |
Protección del lado de energía | |
DPS según EN 61643-11 / ... IEC 61643-11 | Tipo 2 / Clase II |
Máxima tensión permisible de servicio AC (UC ) | 255 V |
Corriente total de descarga (8/20 µs) L+N-PE (Itotal ) | 5 kA |
Tensión del nivel de protección L-N (UP ) | ≤ 1.4 kV |
Fusible previo máximo | 16 A gG o B 16 A |
N.º art. 929970 DPI CD EXD 230 24 N
GTIN 4013364127425, N.º de arancel aduanero (EU): 85363010, Peso bruto: 273.00 g, Empaquetado: 1.00 unidad(es)
Datos técnicos
Protección del lado de datos | |
Clase DPS | U |
Máxima tensión permisible de servicio DC (UC ) | 32 V |
Corriente nominal a 80 °C (IL ) | 0.55 A |
D1 Corriente de impulso de rayo (10/350 µs) hilo-PG (Iimp ) | 1 kA |
C2 Corriente nominal de descarga total (8/20 µs) (In ) | 10 kA |
Para montaje en (campo/lado de equipo) | 1/2-14 NPT rosca macho |
Certificaciones | ATEX, IECEx, CCC, CSA & USA Hazloc, SIL |
*) Para obtener información más detallada, por favor visite www.dehn.es | |
Protección del lado de energía | |
DPS según EN 61643-11 / ... IEC 61643-11 | Tipo 2 / Clase II |
Máxima tensión permisible de servicio AC (UC ) | 255 V |
Corriente total de descarga (8/20 µs) L+N-PE (Itotal ) | 5 kA |
Tensión del nivel de protección L-N (UP ) | ≤ 1.4 kV |
Fusible previo máximo | 16 A gG o B 16 A |
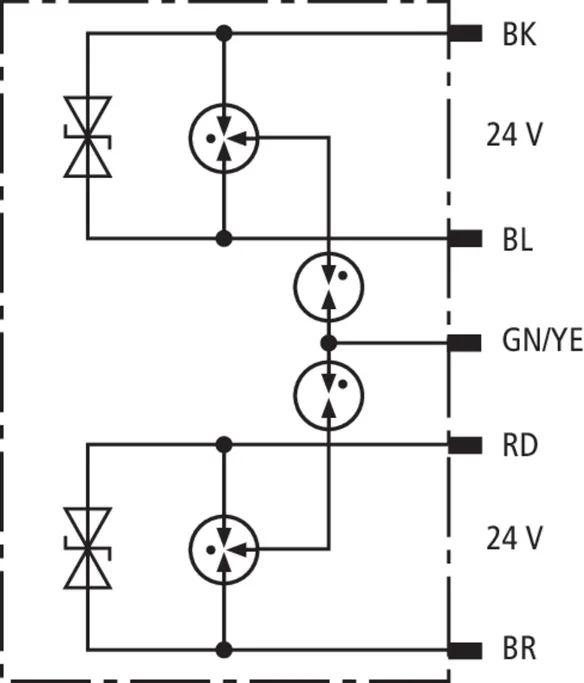
N.º art. 929950 DPI CD EXI+D 2X24 M
GTIN 4013364137387, N.º de arancel aduanero (EU): 85363010, Peso bruto: 247.00 g, Empaquetado: 1.00 unidad(es)
Datos técnicos
Clase DPS | T |
Máxima tensión permisible de servicio DC (UC ) | 36 V |
Corriente nominal (IL ) | 0.55 A |
D1 Corriente de impulso de rayo (10/350 µs) hilo-PG (Iimp ) | 1.5 kA |
C2 Corriente nominal de descarga total (8/20 µs) (In ) | 20 kA |
Para montaje en (campo/lado de equipo) | M20 x 1.5 rosca macho |
Certificaciones | ATEX, IECEx, CCC, CSA & USA Hazloc, SIL |
*) Para más información, por favor visite www.dehn.es |
N.º art. 929951 DPI CD EXI+D 2X24 N
GTIN 4013364137394, N.º de arancel aduanero (EU): 85363010, Peso bruto: 247.00 g, Empaquetado: 1.00 unidad(es)
Datos técnicos
Clase DPS | T |
Máxima tensión permisible de servicio DC (UC ) | 36 V |
Corriente nominal (IL ) | 0.55 A |
D1 Corriente de impulso de rayo (10/350 µs) hilo-PG (Iimp ) | 1.5 kA |
C2 Corriente nominal de descarga total (8/20 µs) (In ) | 20 kA |
Para montaje en (campo/lado de equipo) | 1/2-14 NPT rosca macho |
Certificaciones | ATEX, IECEx, CCC, CSA & USA Hazloc, SIL |
*) Para más información, por favor visite www.dehn.es |