Accesorios DEHNgate

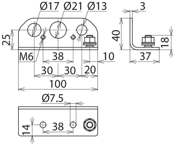
Ángulo de fijación para descargadores HF

Con 3 orificios de montaje para 3 tamaños distintos del DEHNgate, p. ej. Art Nº. 1x 929 042 + 1x 929 057 + 1x (929 043, 929 044, 929 045 o 929 059).

1 Producto

N.º art. 106329 BW90 B17 21 16 V2A

GTIN 4013364107182, N.º de arancel aduanero (EU): 85389099, Peso bruto: 152.63 g, Empaquetado: 1.00 unidad(es)


Figuras

Más información



Producto DEHN
Tipo: BW90 B17 21 16 V2A
art. no.: 106329
o equivalente

 

Datos técnicos

Material acero inoxidable

Se ha añadido el artículo 106329 a favoritos.

El artículo 106329 ha sido añadido a la cesta de compra.


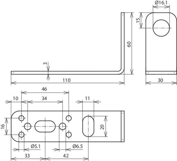
Ángulo de fijación para DEHNgate

Apropiado para el montaje de un DEHNgate, Art.-Nr. 929 043- 929 045. Taladro anti-rotación Ø16 mm.

1 Producto

N.º art. 106314 BW90 B16 B5.1 6.5 11 V2A

GTIN 4013364136304, N.º de arancel aduanero (EU): 85389099, Peso bruto: 100.00 g, Empaquetado: 1.00 unidad(es)


Figuras

Más información



Producto DEHN
Tipo: BW90 B16 B5.1 6.5 11 V2A
art. no.: 106314
o equivalente

 

Datos técnicos

Material acero inoxidable

Se ha añadido el artículo 106314 a favoritos.

El artículo 106314 ha sido añadido a la cesta de compra.


back to top