UGKF

  • Adaptador de protección contra sobretensiones para cables coaxiales
  • Se conecta directamente a los equipos finales con conexiones coaxiales
  • Toma de tierra indirecta del blindaje

Detalles

UGKF BNC para la conexión directa con interfaces de equipos finales.
lorem ipsum
DGA BNC VC ... fácilmente adaptable a través de la conexión BNC.
lorem ipsum
Registrado por UL para la aplicación específica del país.
lorem ipsum
DGA BNC VC... para el montaje fácil sobre carril o pared.
lorem ipsum

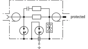
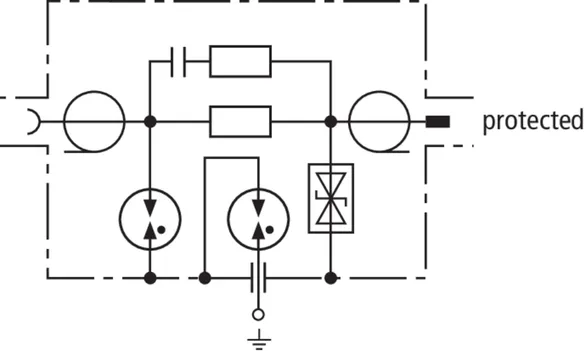
UGKF BNC

Circuito de proteccíon contra sobretensiones de 2 etapas, para proteger camaras de vídeo y Arcnet con conexíon BNC, puesta a tierra indirecta del apantallamiento del cable, para evitar ruido de zumbido.

1 Producto

N.º art. 929010 UGKF BNC

GTIN 4013364039940, N.º de arancel aduanero (EU): 85363010, Peso bruto: 67.70 g, Empaquetado: 1.00 unidad(es)


Figuras

Más información


Tensión máxima permanente DC : 8 V
C2 Corriente nominal de impulso de descarga (8/20 µs) hilo-pantalla: 2.5 kA

Producto DEHN
Tipo: UGKF BNC
art. no.: 929010
o equivalente

Certificados

 

Datos técnicos

Clase DPS T
Tensión máxima permanente DC (UC ) 8 V
Corriente nominal (IL ) 0.1 A
C2 Corriente nominal de impulso de descarga (8/20 µs) hilo-pantalla (In ) 2.5 kA
Atenuación de intercalación en 300 MHz (50 Ω) ≤ 3 dB
Pérdida de retorno 200 MHz (50 Ω) ≥ 20 dB
Atenuación de intercalación en 265 MHz (75 Ω) ≤ 3 dB
Pérdida de retorno 40 MHz (75 Ω) ≥ 20 dB
Certificaciones CSA, UL

Se ha añadido el artículo 929010 a favoritos.

El artículo 929010 ha sido añadido a la cesta de compra.


back to top