DEHNprotector
:quality(98)/www.dehn.mx/store/f/43853963/HDVORSCHAU/909230a2_16-9.jpg)
:quality(98)/www.dehn.mx/store/f/43853963/HDVORSCHAU/909230a2_16-9.jpg)
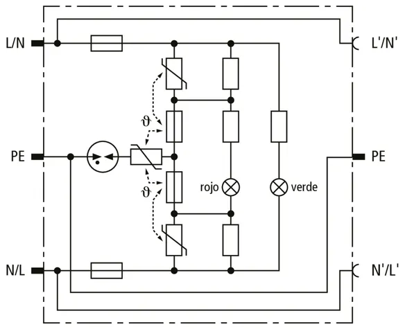
- Protección contra sobretensiones con dispositivo de vigilancia y separación
- Indicación óptica de funcionamiento (verde) y señalización óptica de avería (rojo)
- Mayor seguridad gracias al circuito de protección Y
Detalles
:quality(98)/www.dehn.mx/store/f/43853964/HDVORSCHAU/909230a1_Kat.jpg)
:quality(98)/www.dehn.mx/store/f/43853964/HDVORSCHAU/909230a1_Kat.jpg)
N.º art. 909230 DPRO 230
GTIN 4013364117686, N.º de arancel aduanero (EU): 85363010, Peso bruto: 239.00 g, Empaquetado: 1.00 unidad(es)
PredecesorDatos técnicos
DPS según EN 61643-11 / ... IEC 61643-11 | Tipo 3 / Clase III |
Máx. tensión permisible de servicio AC (UC ) | 255 V (50 / 60 Hz) V |
Corriente nominal de descarga (8/20 µs) (In ) | 3 kA |
Corriente total de descarga (8/20 µs) [L+N-PE] (Itotal ) | 5 kA |
Nivel de protección [L-N] / [L/N-PE] (UP ) | ≤ 1350 / ≤ 1500 V |
Fusible previo máx. | B 16 A |
Indicación de fallo | LED rojo |
Indicación de servicio | LED verde |