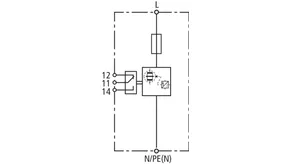
N.º art. 961200 DVCI 1 255
GTIN 4013364145108, N.º de arancel aduanero (EU): 85363090, Peso bruto: 477.30 g, Empaquetado: 1.00 pc(s)
Datos técnicos
| SPD according to EN 61643-11 / IEC 61643-11 | type 1 + type 2 / class I + class II |
| Maximum continuous operating voltage (a.c.) (UC ) | 255 V (50 / 60 Hz) |
| Lightning impulse current (10/350 µs) (Iimp ) | 25 kA |
| Voltage protection level (UP ) | ≤ 1.5 kV |
| Max. mains-side overcurrent protection | integrated backup fuse |
| Approvals | KEMA |
| Extended technical data: | For use in switchgear installations with prospective short-circuit currents of more than 50 kArms (tested by the German VDE) |
| – Max. prospective short-circuit current | 100 kArms (220 kApeak) |
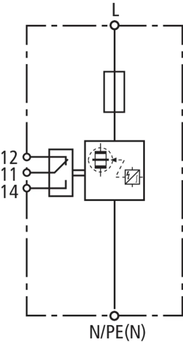
N.º art. 961205 DVCI 1 255 FM
GTIN 4013364145115, N.º de arancel aduanero (EU): 85363090, Peso bruto: 480.80 g, Empaquetado: 1.00 pc(s)
Datos técnicos
| SPD according to EN 61643-11 / IEC 61643-11 | type 1 + type 2 / class I + class II |
| Maximum continuous operating voltage (a.c.) (UC ) | 255 V (50 / 60 Hz) |
| Lightning impulse current (10/350 µs) (Iimp ) | 25 kA |
| Voltage protection level (UP ) | ≤ 1.5 kV |
| Max. mains-side overcurrent protection | integrated backup fuse |
| Approvals | KEMA |
| Type of remote signalling contact | changeover contact |
| Extended technical data: | For use in switchgear installations with prospective short-circuit currents of more than 50 kArms (tested by the German VDE) |
| – Max. prospective short-circuit current | 100 kArms (220 kApeak) |

