DEHNguard 1000

  • High discharge capacity due to heavy-duty zinc oxide varistor
  • Quick response
  • High reliability due to "Thermo Dynamic Control" disconnector
  • Fault indication by green / red indicator flag in the inspection window
  • Specifically designed for high system voltages

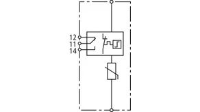
DEHNguard 1000 (FM)

Compact single-pole surge arrester; FM version with floating remote signalling contact.

2 Productos

N.º art. 950102 DG 1000

GTIN 4013364105621, N.º de arancel aduanero (EU): 85363030, Peso bruto: 205.30 g, Empaquetado: 1.00 pc(s)

Predecesor

Figuras

Más información

Compact DEHNguard 1000 surge arrester
Single-pole surge arrester, width: 2 modules
Fault indication
Type 2 SPD according to EN 61643-11
Maximum continuous operating voltage: 1000 V a.c./d.c.
Voltage protection level: <= 4.2 kV
Nominal discharge current: 15 kA
Max. discharge current: 30 kA
Short-circuit strength: 25 KArms
Energy-coordinated according to IEC 62305-4
with arresters of the Red/Line series

Brand: DEHN
Type: DG 1000
Part No.: 950102
or equivalent.

Certificados

 

Datos técnicos

SPD according to EN 61643-11 / IEC 61643-11 type 2 / class II
Max. continuous operating voltage (a.c.) (UC ) 1000 V (50 / 60 Hz)
Max. discharge current (8/20 µs) (Imax ) 30 kA
Voltage protection level (Up ) ≤ 4.2 kV
Max. overcurrent protection 100 A aM
Max. overcurrent protection at U ≤ 690 V a.c. 125 A gG
Approvals UL

Se ha añadido el artículo 950102 a favoritos.

El artículo 950102 ha sido añadido a la cesta de compra.

N.º art. 950112 DG 1000 FM

GTIN 4013364105638, N.º de arancel aduanero (EU): 85363030, Peso bruto: 217.00 g, Empaquetado: 1.00 pc(s)

Predecesor

Figuras

Más información

Compact DEHNguard 1000 FM surge arrester
Single-pole arrester, width: 2 modules
With remote signalling contact
Fault indication
Type 2 SPD according to EN 61643-11
Maximum continuous operating voltage: 1000 V a.c./d.c.
Voltage protection level: <= 4.2 kV
Nominal discharge current: 15 kA
Max. discharge current: 30 kA
Short-circuit strength: 25 KArms
Energy-coordinated according to IEC 62305-4
with arresters of the Red/Line series

Brand: DEHN
Type: DG 1000 FM
Part No.: 950112
or equivalent.

Certificados

 

Datos técnicos

SPD according to EN 61643-11 / IEC 61643-11 type 2 / class II
Max. continuous operating voltage (a.c.) (UC ) 1000 V (50 / 60 Hz)
Max. discharge current (8/20 µs) (Imax ) 30 kA
Voltage protection level (Up ) ≤ 4.2 kV
Max. overcurrent protection 100 A aM
Max. overcurrent protection at U ≤ 690 V a.c. 125 A gG
Approvals UL
Type of remote signalling contact changeover contact

Se ha añadido el artículo 950112 a favoritos.

El artículo 950112 ha sido añadido a la cesta de compra.


back to top