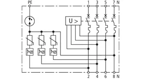
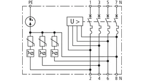
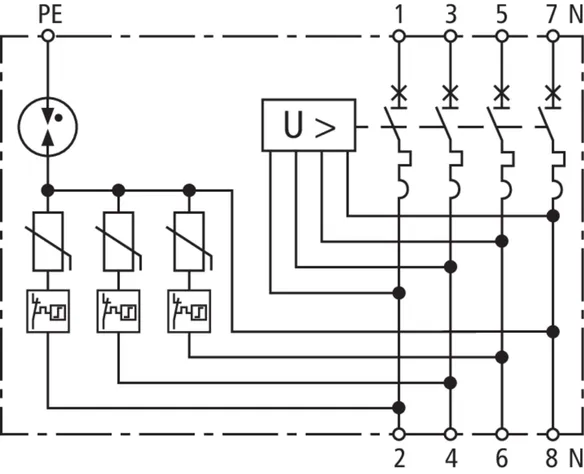
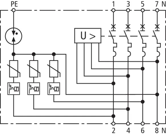
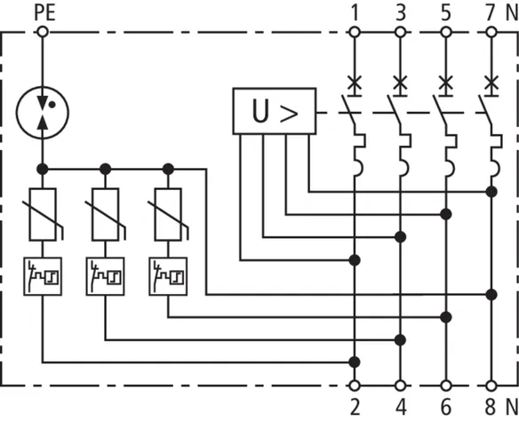
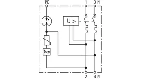
SPD+POP+MCB / POP+MCB / POP

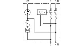
  • Protección total contra sobretensiones transitorias y permanentes (SPD+POP)
  • Cumple con las normativas EN 50550 sobre los dispositivos de protección contra sobretensiones permanentes
  • Unidad completa precableada, no es necesario ningún cableado adicional de los dispositivos
  • Fácil instalación gracias a las exigencias mínimas de espacio
  • Alta seguridad del dispositivo mediante la monitorización del sistema "Thermo-Dynamik-Control" en el DPS
  • Capacidad de descarga de corriente de rayo optimizada de 5 kA (In) / 15 kA (Imax) (8/20 µs) cada polo
  • Coordinado energéticamente con de la familia de productos de Red/Line
  • Indicación de funcionamiento/fallo mediante marca de color verde-rojo en la ventanilla de inspección en el DPS

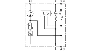
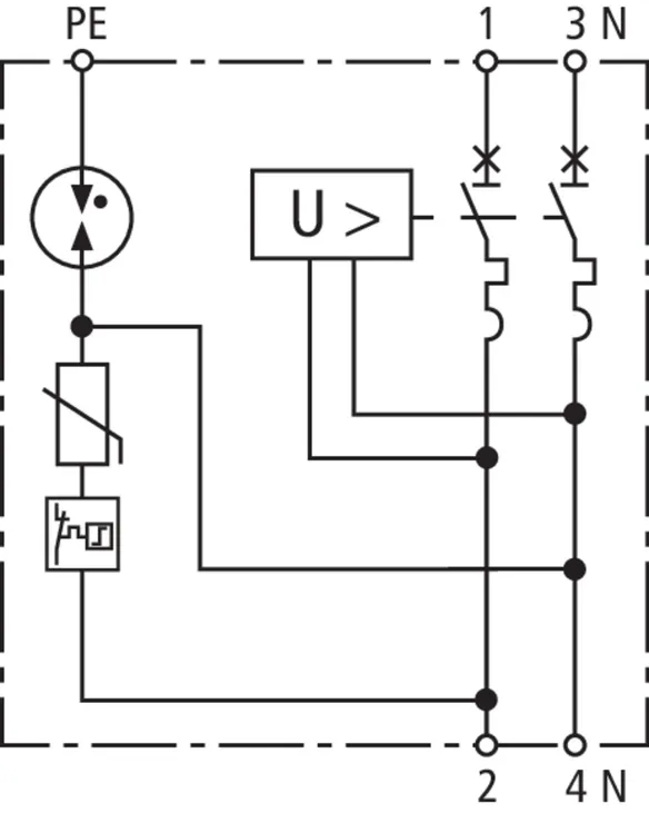
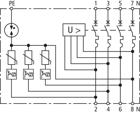
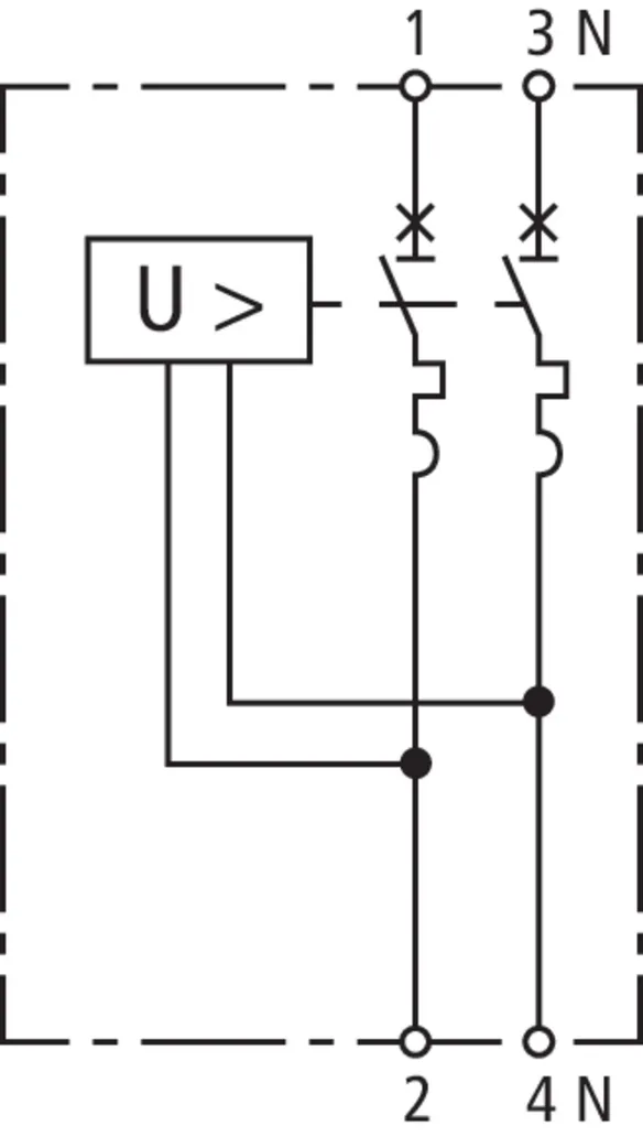
2 polos SPD+POP+MCB

3 Productos

N.º art. 900780 SPD+POP 2 255 C25

GTIN 4013364156203, N.º de arancel aduanero (EU): 85363030, Peso bruto: 404.00 g, Empaquetado: 1.00 unidad(es)


Figuras

Más información

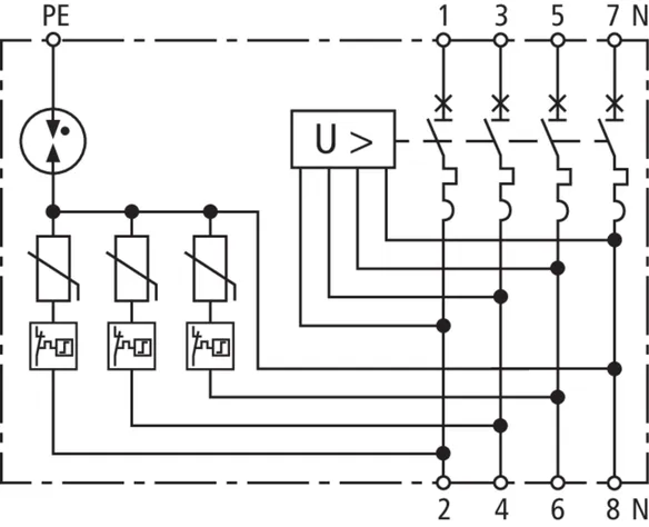
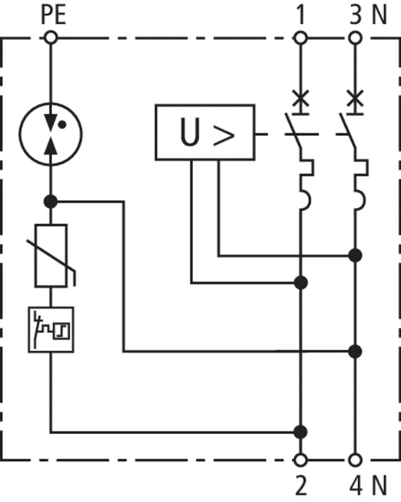
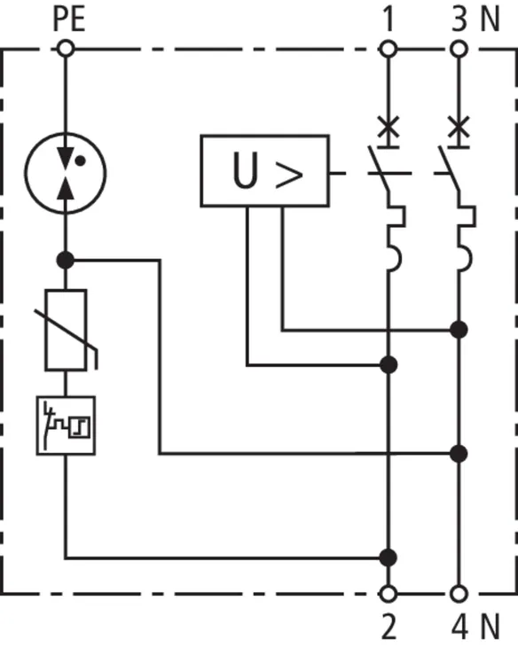
Descargador de sobretensiones SPD+POP 2 255 C25
Descargador de sobretensiones compacto para
sobretensiones transitorias y de frecuencia industrial
con interruptor de protección integrado
Descargador tipo 2 según la EN 61643-11, POP según la EN 50550
Protección extensa contra sobretensiones transitorias y de frecuencia industrial
Unidad completa precableada, los dispositivos individuales
no tienen que cablearse adicionalmente
Cantidad de polos 1P + N
Característica de disparo MCB / Corriente nominal MCB C 25 A
Máx. tensión permisible de servicio: 275 V ac
Nivel de protección: <= 1,5 kV
Corriente nominal de descarga: 5 kA / 20 kA
Coordinación energética según la
DIN EN 62305-4 (VDE 0185-305-4) con descargador
tipo 1 y tipo 3 de la familia Red/Line
Vigilancia del SPD: Thermo-Dynamik-Control
Indicación de servicio y fallo
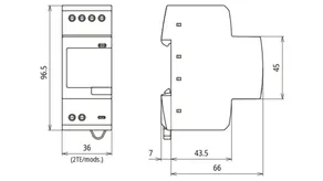
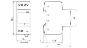
Dispositivo a montar sobre carriles DIN según la DIN 43880, 4 móds.

Producto DEHN
Tipo: SPD+POP 2 255 C25
art. no.: 900780
o equivalente

Certificados

 

Datos técnicos

Información general
Número de polos 1P + N
Tensión nominal AC (UN ) 230 V
SPD
Corriente nominal de descarga (8/20) [L-N] (In ) 5 kA
POP
Máxima tensión sin disparo AC 255 V
Máxima tensión de disparo AC 415 V
MCB
Curva de disparo C
Corriente nominal AC (IL ) 25 A

Se ha añadido el artículo 900780 a favoritos.

El artículo 900780 ha sido añadido a la cesta de compra.

N.º art. 900781 SPD+POP 2 255 C32

GTIN 4013364156210, N.º de arancel aduanero (EU): 85363030, Peso bruto: 425.00 g, Empaquetado: 1.00 unidad(es)


Figuras

Más información

Descargador de sobretensiones SPD+POP 2 255 C32
Descargador de sobretensiones compacto para
sobretensiones transitorias y de frecuencia industrial
con interruptor de protección integrado
Descargador tipo 2 según la EN 61643-11, POP según la EN 50550
Protección extensa contra sobretensiones transitorias y de frecuencia industrial
Unidad completa precableada, los dispositivos individuales
no tienen que cablearse adicionalmente
Cantidad de polos 1P + N
Característica de disparo MCB / Corriente nominal MCB C 32 A
Máx. tensión permisible de servicio: 275 V ac
Nivel de protección: <= 1,5 kV
Corriente nominal de descarga: 5 kA / 20 kA
Coordinación energética según la
DIN EN 62305-4 (VDE 0185-305-4) con descargador
tipo 1 y tipo 3 de la familia Red/Line
Vigilancia del SPD: Thermo-Dynamik-Control
Indicación de servicio y fallo
Dispositivo a montar sobre carriles DIN según la DIN 43880, 4 móds.

Producto DEHN
Tipo: SPD+POP 2 255 C32
art. no.: 900781
o equivalente

Certificados

 

Datos técnicos

Información general
Número de polos 1P + N
Tensión nominal AC (UN ) 230 V
SPD
Corriente nominal de descarga (8/20) [L-N] (In ) 5 kA
POP
Máxima tensión sin disparo AC 255 V
Máxima tensión de disparo AC 415 V
MCB
Curva de disparo C
Corriente nominal AC (IL ) 32 A

Se ha añadido el artículo 900781 a favoritos.

El artículo 900781 ha sido añadido a la cesta de compra.

N.º art. 900782 SPD+POP 2 255 C40

GTIN 4013364156227, N.º de arancel aduanero (EU): 85363030, Peso bruto: 424.00 g, Empaquetado: 1.00 unidad(es)


Figuras

Más información

Descargador de sobretensiones SPD+POP 2 255 C40
Descargador de sobretensiones compacto para
sobretensiones transitorias y de frecuencia industrial
con interruptor de protección integrado
Descargador tipo 2 según la EN 61643-11, POP según la EN 50550
Protección extensa contra sobretensiones transitorias y de frecuencia industrial
Unidad completa precableada, los dispositivos individuales
no tienen que cablearse adicionalmente
Cantidad de polos 1P + N
Característica de disparo MCB / Corriente nominal MCB C 40 A
Máx. tensión permisible de servicio: 275 V ac
Nivel de protección: <= 1,5 kV
Corriente nominal de descarga: 5 kA / 20 kA
Coordinación energética según la
DIN EN 62305-4 (VDE 0185-305-4) con descargador
tipo 1 y tipo 3 de la familia Red/Line
Vigilancia del SPD: Thermo-Dynamik-Control
Indicación de servicio y fallo
Dispositivo a montar sobre carriles DIN según la DIN 43880, 4 móds.

Producto DEHN
Tipo: SPD+POP 2 255 C40
art. no.: 900782
o equivalente

Certificados

 

Datos técnicos

Información general
Número de polos 1P + N
Tensión nominal AC (UN ) 230 V
SPD
Corriente nominal de descarga (8/20) [L-N] (In ) 5 kA
POP
Máxima tensión sin disparo AC 255 V
Máxima tensión de disparo AC 415 V
MCB
Curva de disparo C
Corriente nominal AC (IL ) 40 A

Se ha añadido el artículo 900782 a favoritos.

El artículo 900782 ha sido añadido a la cesta de compra.


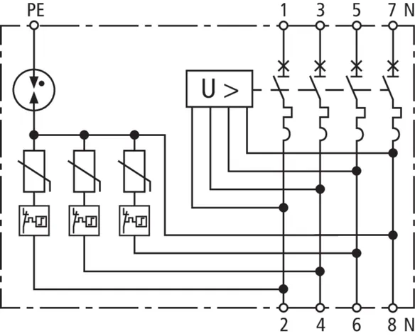
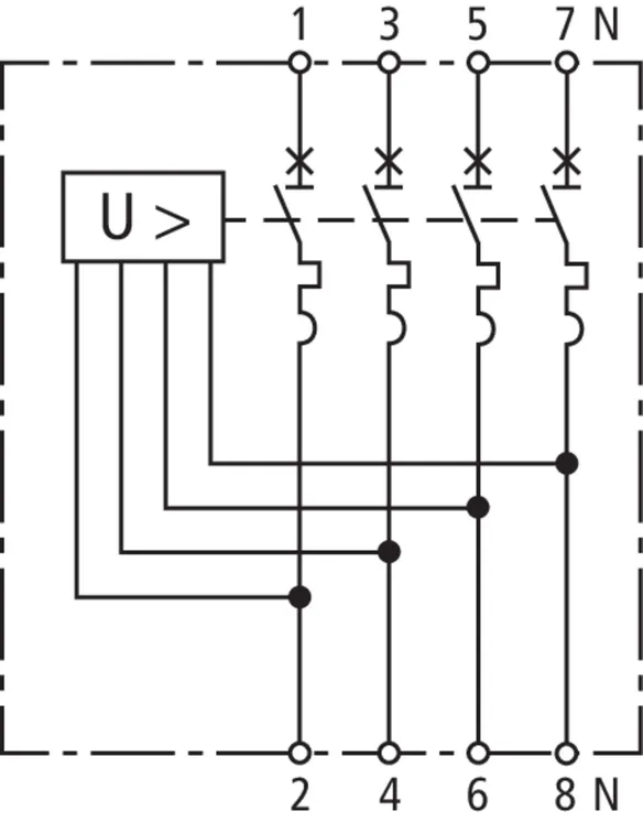
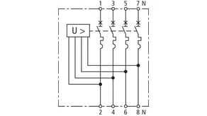
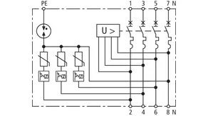
4 polos SPD+POP+MCB

4 Productos

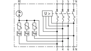
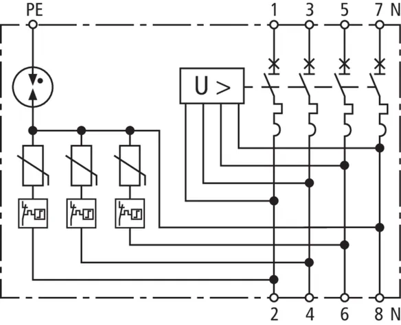
N.º art. 900785 SPD+POP 4 255 C25

GTIN 4013364156234, N.º de arancel aduanero (EU): 85363030, Peso bruto: 730.00 g, Empaquetado: 1.00 unidad(es)


Figuras

Más información

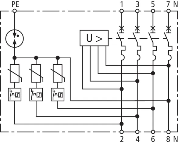
Descargador de sobretensiones SPD+POP 4 255 C25
Descargador de sobretensiones compacto para
sobretensiones transitorias y de frecuencia industrial
con interruptor de protección integrado
Descargador tipo 2 según la EN 61643-11, POP según la EN 50550
Protección extensa contra sobretensiones transitorias y de frecuencia industrial
Unidad completa precableada, los dispositivos individuales
no tienen que cablearse adicionalmente
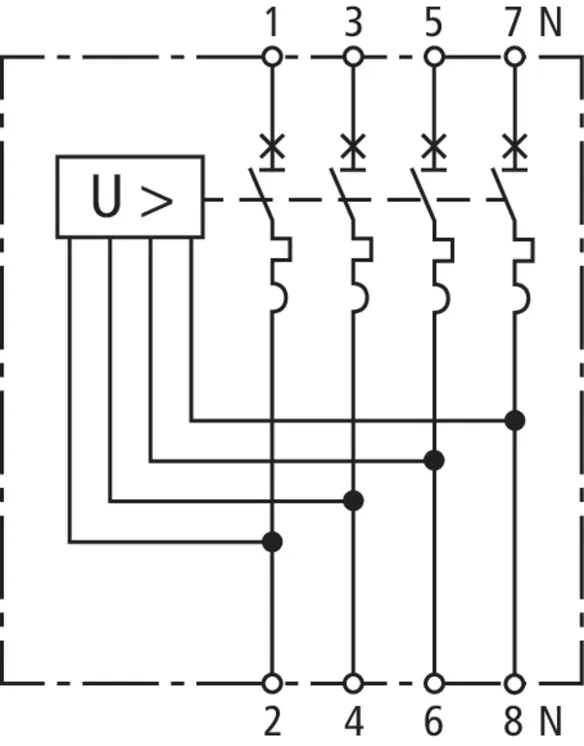
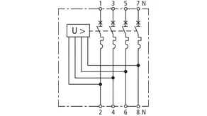
Cantidad de polos 3P + N
Característica de disparo MCB / Corriente nominal MCB C 25 A
Máx. tensión permisible de servicio: 275 V ac
Nivel de protección: <= 1,5 kV
Corriente nominal de descarga: 5 kA / 20 kA
Coordinación energética según la
DIN EN 62305-4 (VDE 0185-305-4) con descargador
tipo 1 y tipo 3 de la familia Red/Line
Vigilancia del SPD: Thermo-Dynamik-Control
Indicación de servicio y fallo
Dispositivo a montar sobre carriles DIN según la DIN 43880, 7 móds.

Producto DEHN
Tipo: SPD+POP 4 255 C25
art. no.: 900785
o equivalente

Certificados

 

Datos técnicos

Información general
Número de polos 3P + N
Tensión nominal AC (UN ) 230 / 400 V
SPD
Corriente nominal de descarga (8/20) [L-N] (In ) 5 kA
POP
Máxima tensión sin disparo AC 255 V
Máxima tensión de disparo AC 415 V
MCB
Curva de disparo C
Corriente nominal AC (IL ) 25 A

Se ha añadido el artículo 900785 a favoritos.

El artículo 900785 ha sido añadido a la cesta de compra.

N.º art. 900786 SPD+POP 4 255 C32

GTIN 4013364156241, N.º de arancel aduanero (EU): 85363030, Peso bruto: 763.00 g, Empaquetado: 1.00 unidad(es)


Figuras

Más información

Descargador de sobretensiones SPD+POP 4 255 C32
Descargador de sobretensiones compacto para
sobretensiones transitorias y de frecuencia industrial
con interruptor de protección integrado
Descargador tipo 2 según la EN 61643-11, POP según la EN 50550
Protección extensa contra sobretensiones transitorias y de frecuencia industrial
Unidad completa precableada, los dispositivos individuales
no tienen que cablearse adicionalmente
Cantidad de polos 3P + N
Característica de disparo MCB / Corriente nominal MCB C 32 A
Máx. tensión permisible de servicio: 275 V ac
Nivel de protección: <= 1,5 kV
Corriente nominal de descarga: 5 kA / 20 kA
Coordinación energética según la
DIN EN 62305-4 (VDE 0185-305-4) con descargador
tipo 1 y tipo 3 de la familia Red/Line
Vigilancia del SPD: Thermo-Dynamik-Control
Indicación de servicio y fallo
Dispositivo a montar sobre carriles DIN según la DIN 43880, 7 móds.

Producto DEHN
Tipo: SPD+POP 4 255 C32
art. no.: 900786
o equivalente

Certificados

 

Datos técnicos

Información general
Número de polos 3P + N
Tensión nominal AC (UN ) 230 / 400 V
SPD
Corriente nominal de descarga (8/20) [L-N] (In ) 5 kA
POP
Máxima tensión sin disparo AC 255 V
Máxima tensión de disparo AC 415 V
MCB
Curva de disparo C
Corriente nominal AC (IL ) 32 A

Se ha añadido el artículo 900786 a favoritos.

El artículo 900786 ha sido añadido a la cesta de compra.

N.º art. 900787 SPD+POP 4 255 C40

GTIN 4013364156258, N.º de arancel aduanero (EU): 85363030, Peso bruto: 769.00 g, Empaquetado: 1.00 unidad(es)


Figuras

Más información

Descargador de sobretensiones SPD+POP 4 255 C40
Descargador de sobretensiones compacto para
sobretensiones transitorias y de frecuencia industrial
con interruptor de protección integrado
Descargador tipo 2 según la EN 61643-11, POP según la EN 50550
Protección extensa contra sobretensiones transitorias y de frecuencia industrial
Unidad completa precableada, los dispositivos individuales
no tienen que cablearse adicionalmente
Cantidad de polos 3P + N
Característica de disparo MCB / Corriente nominal MCB C 40 A
Máx. tensión permisible de servicio: 275 V ac
Nivel de protección: <= 1,5 kV
Corriente nominal de descarga: 5 kA / 20 kA
Coordinación energética según la
DIN EN 62305-4 (VDE 0185-305-4) con descargador
tipo 1 y tipo 3 de la familia Red/Line
Vigilancia del SPD: Thermo-Dynamik-Control
Indicación de servicio y fallo
Dispositivo a montar sobre carriles DIN según la DIN 43880, 7 móds.

Producto DEHN
Tipo: SPD+POP 4 255 C40
art. no.: 900787
o equivalente

Certificados

 

Datos técnicos

Información general
Número de polos 3P + N
Tensión nominal AC (UN ) 230 / 400 V
SPD
Corriente nominal de descarga (8/20) [L-N] (In ) 5 kA
POP
Máxima tensión sin disparo AC 255 V
Máxima tensión de disparo AC 415 V
MCB
Curva de disparo C
Corriente nominal AC (IL ) 40 A

Se ha añadido el artículo 900787 a favoritos.

El artículo 900787 ha sido añadido a la cesta de compra.

N.º art. 900788 SPD+POP 4 255 C63

GTIN 4013364156265, N.º de arancel aduanero (EU): 85363030, Peso bruto: 773.00 g, Empaquetado: 1.00 unidad(es)


Figuras

Más información

Descargador de sobretensiones SPD+POP 4 255 C63
Descargador de sobretensiones compacto para
sobretensiones transitorias y de frecuencia industrial
con interruptor de protección integrado
Descargador tipo 2 según la EN 61643-11, POP según la EN 50550
Protección extensa contra sobretensiones transitorias y de frecuencia industrial
Unidad completa precableada, los dispositivos individuales
no tienen que cablearse adicionalmente
Cantidad de polos 3P + N
Característica de disparo MCB / Corriente nominal MCB C 63 A
Máx. tensión permisible de servicio: 275 V ac
Nivel de protección: <= 1,5 kV
Corriente nominal de descarga: 5 kA / 20 kA
Coordinación energética según la
DIN EN 62305-4 (VDE 0185-305-4) con descargador
tipo 1 y tipo 3 de la familia Red/Line
Vigilancia del SPD: Thermo-Dynamik-Control
Indicación de servicio y fallo
Dispositivo a montar sobre carriles DIN según la DIN 43880, 7 móds.

Producto DEHN
Tipo: SPD+POP 4 255 C63
art. no.: 900788
o equivalente

Certificados

 

Datos técnicos

Información general
Número de polos 3P + N
Tensión nominal AC (UN ) 230 / 400 V
SPD
Corriente nominal de descarga (8/20) [L-N] (In ) 5 kA
POP
Máxima tensión sin disparo AC 255 V
Máxima tensión de disparo AC 415 V
MCB
Curva de disparo C
Corriente nominal AC (IL ) 63 A

Se ha añadido el artículo 900788 a favoritos.

El artículo 900788 ha sido añadido a la cesta de compra.


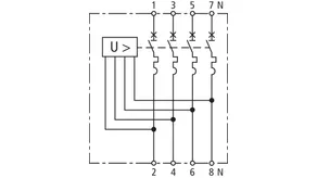
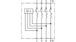
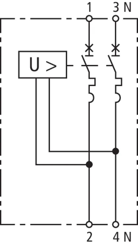
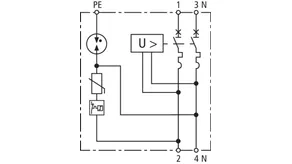
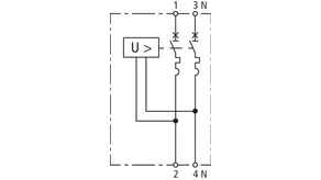
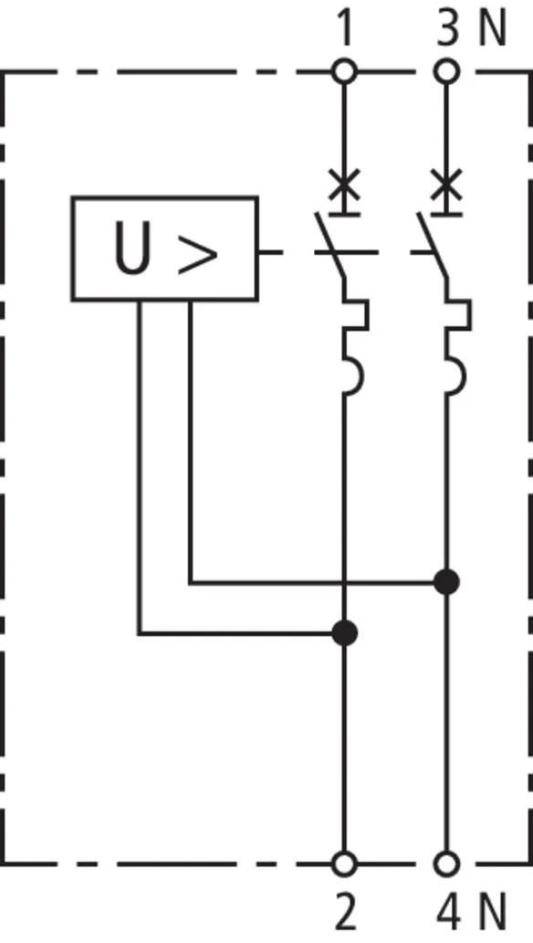
2 polos POP+MCB

3 Productos

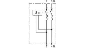
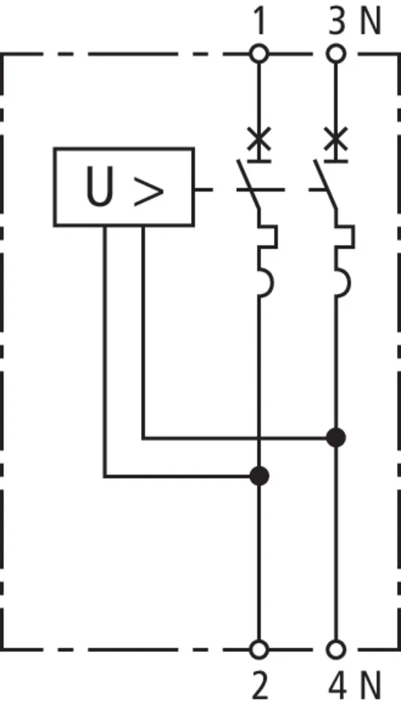
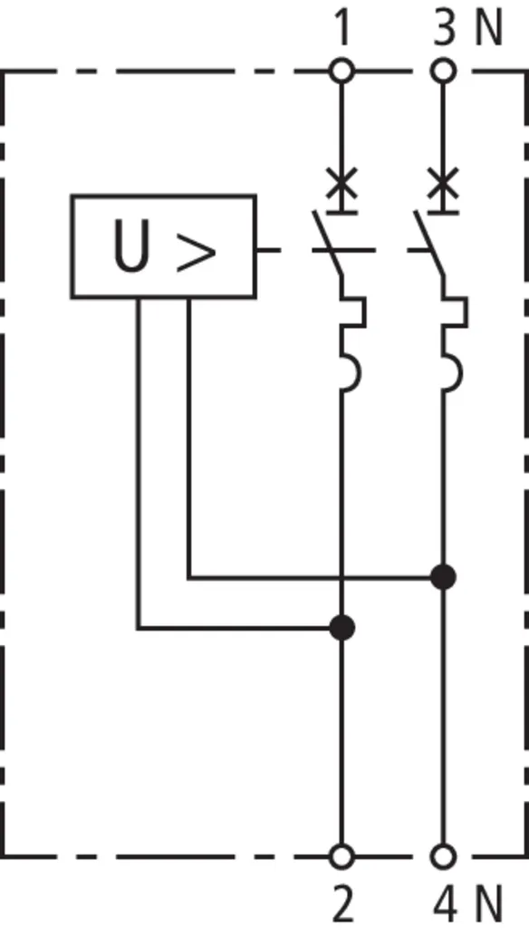
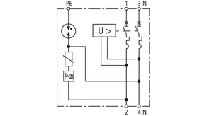
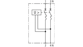
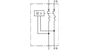
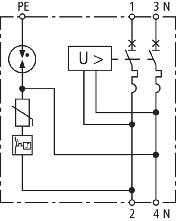
N.º art. 900760 POP 2 255 C25

GTIN 4013364156135, N.º de arancel aduanero (EU): 85363030, Peso bruto: 297.00 g, Empaquetado: 1.00 unidad(es)


Figuras

Más información

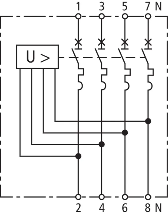
Dispositivo de protección POP 2 255 C25
Dispositivo de protección para sobretensiones de frecuencia industrial
con interruptor de protección integrado
POP según la EN 50550
Unidad completa precableada, los dispositivos individuales
no tienen que cablearse adicionalmente
Cantidad de polos 1P + N
Característica de disparo MCB / Corriente nominal MCB C 25 A
Capacidad de apagado de dimensionamiento según la EN 60898 6 kA
Dispositivo a montar sobre carriles DIN según la DIN 43880, 3 móds.

Producto DEHN
Tipo: POP 2 255 C25
art. no.: 900760
o equivalente

Certificados

 

Datos técnicos

Información general
Número de polos 1P + N
Tensión nominal AC (UN ) 230 V
POP
Máxima tensión sin disparo AC 255 V
Máxima tensión de disparo AC 415 V
MCB
Curva de disparo C
Corriente nominal AC (IL ) 25 A

Se ha añadido el artículo 900760 a favoritos.

El artículo 900760 ha sido añadido a la cesta de compra.

N.º art. 900761 POP 2 255 C32

GTIN 4013364156142, N.º de arancel aduanero (EU): 85363030, Peso bruto: 317.00 g, Empaquetado: 1.00 unidad(es)


Figuras

Más información

Dispositivo de protección POP 2 255 C32
Dispositivo de protección para sobretensiones de frecuencia industrial
con interruptor de protección integrado
POP según la EN 50550
Unidad completa precableada, los dispositivos individuales
no tienen que cablearse adicionalmente
Cantidad de polos 1P + N
Característica de disparo MCB / Corriente nominal MCB C 32 A
Capacidad de apagado de dimensionamiento según la EN 60898 6 kA
Dispositivo a montar sobre carriles DIN según la DIN 43880, 3 móds.

Producto DEHN
Tipo: POP 2 255 C32
art. no.: 900761
o equivalente

Certificados

 

Datos técnicos

Información general
Número de polos 1P + N
Tensión nominal AC (UN ) 230 V
POP
Máxima tensión sin disparo AC 255 V
Máxima tensión de disparo AC 415 V
MCB
Curva de disparo C
Corriente nominal AC (IL ) 32 A

Se ha añadido el artículo 900761 a favoritos.

El artículo 900761 ha sido añadido a la cesta de compra.

N.º art. 900762 POP 2 255 C40

GTIN 4013364156159, N.º de arancel aduanero (EU): 85363030, Peso bruto: 317.00 g, Empaquetado: 1.00 unidad(es)


Figuras

Más información

Dispositivo de protección POP 2 255 C40
Dispositivo de protección para sobretensiones de frecuencia industrial
con interruptor de protección integrado
POP según la EN 50550
Unidad completa precableada, los dispositivos individuales
no tienen que cablearse adicionalmente
Cantidad de polos 1P + N
Característica de disparo MCB / Corriente nominal MCB C 40 A
Capacidad de apagado de dimensionamiento según la EN 60898 6 kA
Dispositivo a montar sobre carriles DIN según la DIN 43880, 3 móds.

Producto DEHN
Tipo: POP 2 255 C40
art. no.: 900762
o equivalente

Certificados

 

Datos técnicos

Información general
Número de polos 1P + N
Tensión nominal AC (UN ) 230 V
POP
Máxima tensión sin disparo AC 255 V
Máxima tensión de disparo AC 415 V
MCB
Curva de disparo C
Corriente nominal AC (IL ) 40 A

Se ha añadido el artículo 900762 a favoritos.

El artículo 900762 ha sido añadido a la cesta de compra.


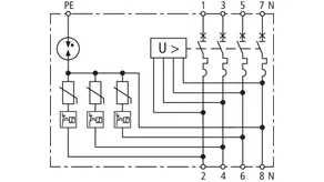
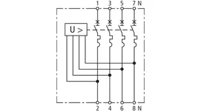
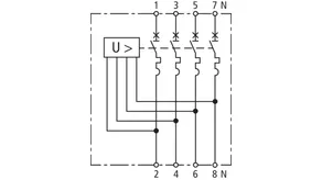
4 polos POP+MCB

4 Productos

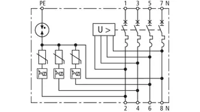
N.º art. 900765 POP 4 255 C25

GTIN 4013364156166, N.º de arancel aduanero (EU): 85363030, Peso bruto: 547.00 g, Empaquetado: 1.00 unidad(es)


Figuras

Más información

Dispositivo de protección POP 4 255 C25
Dispositivo de protección para sobretensiones de frecuencia industrial
con interruptor de protección integrado
POP según la EN 50550
Unidad completa precableada, los dispositivos individuales
no tienen que cablearse adicionalmente
Cantidad de polos 3P + N
Característica de disparo MCB / Corriente nominal MCB C 25 A
Capacidad de apagado de dimensionamiento según la EN 60898 6 kA
Dispositivo a montar sobre carriles DIN según la DIN 43880, 5 móds.

Producto DEHN
Tipo: POP 4 255 C25
art. no.: 900765
o equivalente

Certificados

 

Datos técnicos

Información general
Número de polos 3P + N
Tensión nominal AC (UN ) 230 / 400 V
POP
Máxima tensión sin disparo AC 255 V
Máxima tensión de disparo AC 415 V
MCB
Curva de disparo C
Corriente nominal AC (IL ) 25 A

Se ha añadido el artículo 900765 a favoritos.

El artículo 900765 ha sido añadido a la cesta de compra.

N.º art. 900766 POP 4 255 C32

GTIN 4013364156173, N.º de arancel aduanero (EU): 85363030, Peso bruto: 580.00 g, Empaquetado: 1.00 unidad(es)


Figuras

Más información

Dispositivo de protección POP 4 255 C32
Dispositivo de protección para sobretensiones de frecuencia industrial
con interruptor de protección integrado
POP según la EN 50550
Unidad completa precableada, los dispositivos individuales
no tienen que cablearse adicionalmente
Cantidad de polos 3P + N
Característica de disparo MCB / Corriente nominal MCB C 32 A
Capacidad de apagado de dimensionamiento según la EN 60898 6 kA
Dispositivo a montar sobre carriles DIN según la DIN 43880, 5 móds.

Producto DEHN
Tipo: POP 4 255 C32
art. no.: 900766
o equivalente

Certificados

 

Datos técnicos

Información general
Número de polos 3P + N
Tensión nominal AC (UN ) 230 / 400 V
POP
Máxima tensión sin disparo AC 255 V
Máxima tensión de disparo AC 415 V
MCB
Curva de disparo C
Corriente nominal AC (IL ) 32 A

Se ha añadido el artículo 900766 a favoritos.

El artículo 900766 ha sido añadido a la cesta de compra.

N.º art. 900767 POP 4 255 C40

GTIN 4013364156180, N.º de arancel aduanero (EU): 85363030, Peso bruto: 586.00 g, Empaquetado: 1.00 unidad(es)


Figuras

Más información

Dispositivo de protección POP 4 255 C40
Dispositivo de protección para sobretensiones de frecuencia industrial
con interruptor de protección integrado
POP según la EN 50550
Unidad completa precableada, los dispositivos individuales
no tienen que cablearse adicionalmente
Cantidad de polos 3P + N
Característica de disparo MCB / Corriente nominal MCB C 40 A
Capacidad de apagado de dimensionamiento según la EN 60898 6 kA
Dispositivo a montar sobre carriles DIN según la DIN 43880, 5 móds.

Producto DEHN
Tipo: POP 4 255 C40
art. no.: 900767
o equivalente

Certificados

 

Datos técnicos

Información general
Número de polos 3P + N
Tensión nominal AC (UN ) 230 / 400 V
POP
Máxima tensión sin disparo AC 255 V
Máxima tensión de disparo AC 415 V
MCB
Curva de disparo C
Corriente nominal AC (IL ) 40 A

Se ha añadido el artículo 900767 a favoritos.

El artículo 900767 ha sido añadido a la cesta de compra.

N.º art. 900768 POP 4 255 C63

GTIN 4013364156197, N.º de arancel aduanero (EU): 85363030, Peso bruto: 591.00 g, Empaquetado: 1.00 unidad(es)


Figuras

Más información

Dispositivo de protección POP 4 255 C63
Dispositivo de protección para sobretensiones de frecuencia industrial
con interruptor de protección integrado
POP según la EN 50550
Unidad completa precableada, los dispositivos individuales
no tienen que cablearse adicionalmente
Cantidad de polos 3P + N
Característica de disparo MCB / Corriente nominal MCB C 63 A
Capacidad de apagado de dimensionamiento según la EN 60898 6 kA
Dispositivo a montar sobre carriles DIN según la DIN 43880, 5 móds.

Producto DEHN
Tipo: POP 4 255 C63
art. no.: 900768
o equivalente

Certificados

 

Datos técnicos

Información general
Número de polos 3P + N
Tensión nominal AC (UN ) 230 / 400 V
POP
Máxima tensión sin disparo AC 255 V
Máxima tensión de disparo AC 415 V
MCB
Curva de disparo C
Corriente nominal AC (IL ) 63 A

Se ha añadido el artículo 900768 a favoritos.

El artículo 900768 ha sido añadido a la cesta de compra.


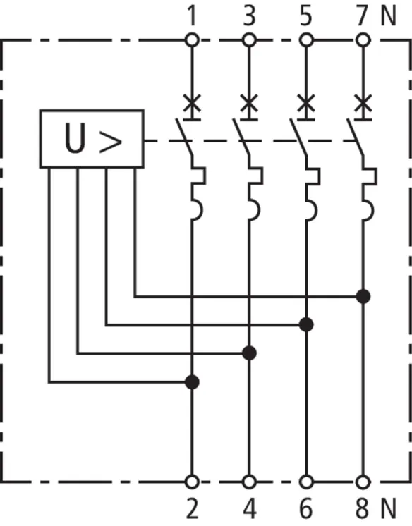
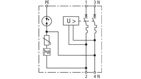
4 polos POP

1 Producto

N.º art. 900720 DEHNduo POP SA 3P 230

GTIN 4013364477377, N.º de arancel aduanero (EU): 85363030, Peso bruto: 175.44 g, Empaquetado: 1.00 unidad(es)


Figuras

Más información

Dispositivo de protección POP SA 3P 230
Dispositivo de protección contra
sobretensiones permanentes
para disparo de un
interruptor automático de protección
de potencia y líneas
POP según IEC 63052 cat. 4.1.3S2
Número de polos 3P + N
Señal de conmutación de
salida ajustable de 12 V a 230 V
Dispositivo montado sobre
carril DIN según DIN 43880, 2TE

Producto DEHN
Tipo: DEHNduo POP SA 3P 230
art. no.: 900720
o equivalente

 

Datos técnicos

Información general
Número de polos 3P + N
Tensión nominal AC (UN ) 230 / 400 V
POP
Máxima tensión sin disparo AC 255 V
Máxima tensión de disparo AC 440 V
Tiempo de disparo a 275 V AC 9 s
Tiempo de disparo a 300 V CA 3 s
Tiempo de disparo a 350 V CA 0,5 s
Capacidad de apagado CCout 50 ms 230 V / 1 A; 48 V / 3 A; 24 V / 5 A; 12 V / 5 A
Potencia 500 mW

Se ha añadido el artículo 900720 a favoritos.

El artículo 900720 ha sido añadido a la cesta de compra.


back to top