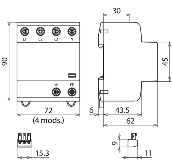
DEHNshield
- Descargador combinado precableado contra corriente de rayo y sobretensiones de aplicación optimizada Tipo 1 + Tipo 2, basado en tecnología de vía de chispas
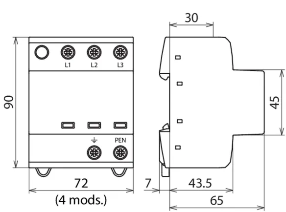
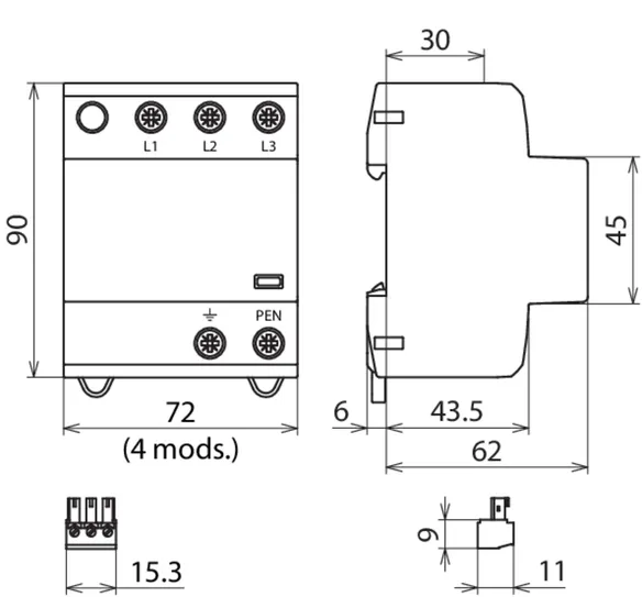
- La tecnología de vía de chispas con dimensiones de sólo 1 módulo/polo facilita una versión compacta con gran ahorro de espacio
- Cumple las exigencias mínimas a la capacidad de derivación de corriente de rayo según VDE 0100-534
- Facilita una equipotencialidad compacta contra el rayo y aporta la necesaria protección contra sobretensiones de los equipos finales
- Capacidad de descarga hasta 50 kA (10/350 µs)
- Indicación del estado de funcionamiento/avería mediante señal verde/roja en la ventana de inspección
- Elevada capacidad de apagado de corrientes consecutivas (Ifi = 25 kArms)
Detalles
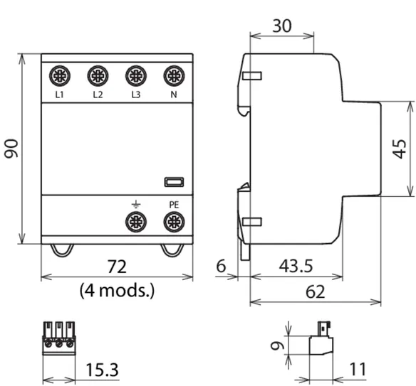
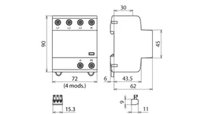
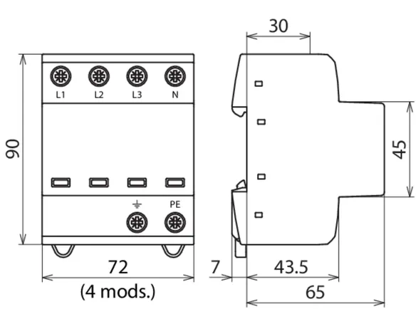
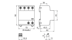
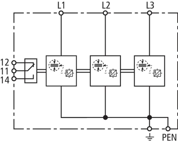
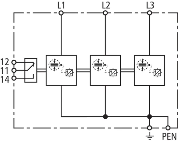
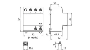
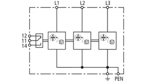
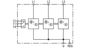
N.º art. 941300 DSH TNC 255
GTIN 4013364133556, N.º de arancel aduanero (EU): 85363090, Peso bruto: 415.80 g, Empaquetado: 1.00 unidad(es)
Datos técnicos
| DPS según EN 61643-11 / ... IEC 61643-11 | Tipo 1 + Tipo 2 / Clase I + Clase II |
| Máxima tensión permisible de servicio AC (UC ) | 255 V (50 / 60 Hz) V |
| Corriente de impulso de rayo (10/350 µs) [L1+L2+L3-PEN] (Itotal ) | 37,5 kA |
| Corriente de impulso de rayo (10/350 µs) [L-PEN] (Iimp ) | 12,5 kA |
| Nivel de protección (UP ) | ≤ 1,5 kV |
| Fusible previo maximo | 160 A gG |
| Certificaciones | KEMA, VDE, UL |
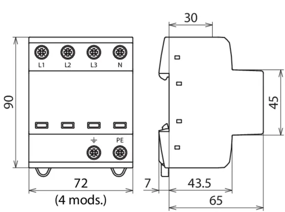
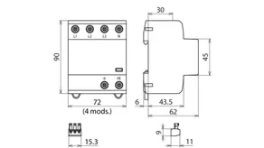
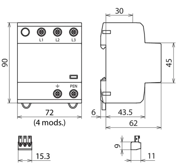
N.º art. 941305 DSH TNC 255 FM
GTIN 4013364275317, N.º de arancel aduanero (EU): 85363090, Peso bruto: 420.60 g, Empaquetado: 1.00 unidad(es)
Datos técnicos
| DPS según EN 61643-11 / ... IEC 61643-11 | Tipo 1 + Tipo 2 / Clase I + Clase II |
| Máxima tensión permisible de servicio AC (UC ) | 255 V (50 / 60 Hz) V |
| Corriente de impulso de rayo (10/350 µs) [L1+L2+L3-PEN] (Itotal ) | 37,5 kA |
| Corriente de impulso de rayo (10/350 µs) [L-PEN] (Iimp ) | 12,5 kA |
| Nivel de protección (UP ) | ≤ 1,5 kV |
| Fusible previo maximo | 160 A gG |
| Certificaciones | KEMA, VDE |
| Contactos FM / Forma de los contactos | contacto conmutado |
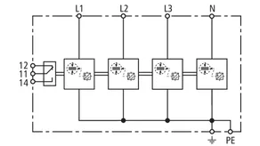
DEHNshield TNC Basic FM
Descargador combinado de corrientes de rayo y sobretensiones, precableado de aplicación optimizada para sistemas TN-C para su utilización en los sistemas principales de alimentación (circuito 3+0) en edificios sin protección externa contra rayos (también con alimentación por líneas aéreas); con contacto de señalización a distancia libre de potencial.
1 Producto
N.º art. 941306 DSH B TNC 255 FM
GTIN 4013364328068, N.º de arancel aduanero (EU): 85363090, Peso bruto: 422.00 g, Empaquetado: 1.00 unidad(es)
Datos técnicos
| DPS según EN 61643-11 / ... IEC 61643-11 | Tipo 1 + Tipo 2 / Clase I + Clase II |
| Máxima tensión permisible de servicio AC (UC ) | 255 V (50 / 60 Hz) V |
| Corriente de impulso de rayo (10/350 µs) [L1+L2+L3-PEN] (Itotal ) | 22,5 kA |
| Corriente de impulso de rayo (10/350 µs) [L-PEN] (Iimp ) | 7,5 kA |
| Nivel de protección (UP ) | ≤ 1,5 kV |
| Fusible previo maximo | 160 A gG |
| Certificaciones | VDE |
| Contactos FM / Forma de los contactos | contacto conmutado |
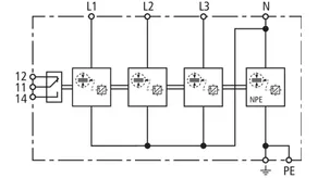
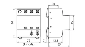
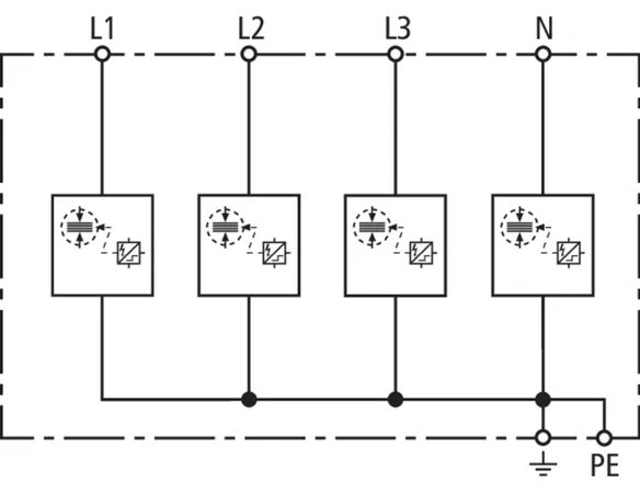
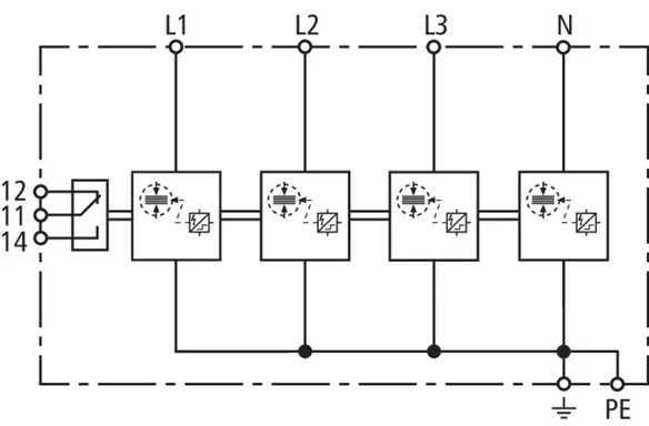
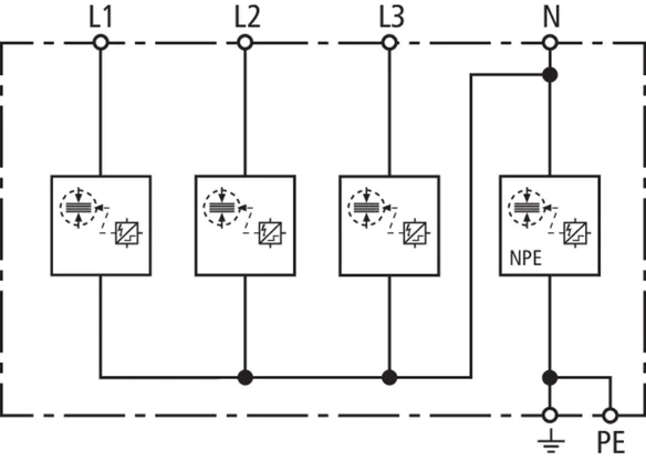
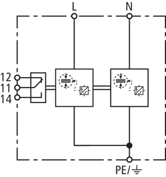
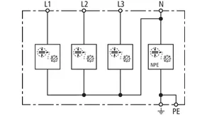
N.º art. 941400 DSH TNS 255
GTIN 4013364133563, N.º de arancel aduanero (EU): 85363090, Peso bruto: 555.00 g, Empaquetado: 1.00 unidad(es)
Datos técnicos
| DPS según EN 61643-11 / ... IEC 61643-11 | Tipo 1 + Tipo 2 / Clase I + Clase II |
| Máxima tensión permisible de servicio AC (UC ) | 255 V (50 / 60 Hz) V |
| Corriente de choque de rayo (10/350 µs) [L1+L2+L3+N-PE] (Itotal ) | 50 kA |
| Corriente de choque de rayo (10/350 µs) [L, N-PE] (Iimp ) | 12,5 kA |
| Nivel de protección [L-PE]/[N-PE] (UP ) | ≤ 1,5 / ≤ 1,5 kV |
| Fusible previo maximo | 160 A gG |
| Certificaciones | KEMA, VDE, UL |
N.º art. 941405 DSH TNS 255 FM
GTIN 4013364275331, N.º de arancel aduanero (EU): 85363090, Peso bruto: 488.30 g, Empaquetado: 1.00 unidad(es)
Datos técnicos
| DPS según EN 61643-11 / ... IEC 61643-11 | Tipo 1 + Tipo 2 / Clase I + Clase II |
| Máxima tensión permisible de servicio AC (UC ) | 255 V (50 / 60 Hz) V |
| Corriente de choque de rayo (10/350 µs) [L1+L2+L3+N-PE] (Itotal ) | 50 kA |
| Corriente de choque de rayo (10/350 µs) [L, N-PE] (Iimp ) | 12,5 kA |
| Nivel de protección [L-PE]/[N-PE] (UP ) | ≤ 1,5 / ≤ 1,5 kV |
| Fusible previo maximo | 160 A gG |
| Certificaciones | KEMA, VDE |
| Contactos FM / Forma de los contactos | contacto conmutado |
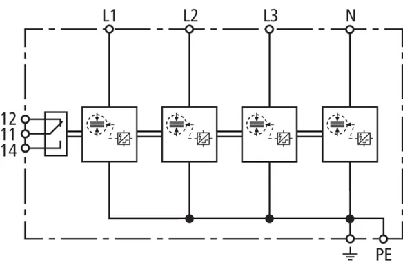
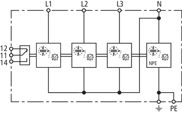
DEHNshield TNS Basic FM
Descargador combinado de corrientes de rayo y sobretensiones, precableado de aplicación optimizada, para sistemas TN-S; para su utilización en los sistemas principales de alimentación (circuito 4+0) en edificios sin protección externa contra rayos (también con alimentación por líneas aéreas); con contacto de señalización a distancia libre de potencial.
1 Producto
N.º art. 941406 DSH B TNS 255 FM
GTIN 4013364328082, N.º de arancel aduanero (EU): 85363090, Peso bruto: 489.00 g, Empaquetado: 1.00 unidad(es)
Datos técnicos
| DPS según EN 61643-11 / ... IEC 61643-11 | Tipo 1 + Tipo 2 / Clase I + Clase II |
| Máxima tensión permisible de servicio AC (UC ) | 255 V (50 / 60 Hz) V |
| Corriente de choque de rayo (10/350 µs) [L1+L2+L3+N-PE] (Itotal ) | 30 kA |
| Corriente de choque de rayo (10/350 µs) [L, N-PE] (Iimp ) | 7,5 kA |
| Nivel de protección [L-PE]/[N-PE] (UP ) | ≤ 1,5 / ≤ 1,5 kV |
| Fusible previo maximo | 160 A gG |
| Certificaciones | VDE |
| Contactos FM / Forma de los contactos | contacto conmutado |
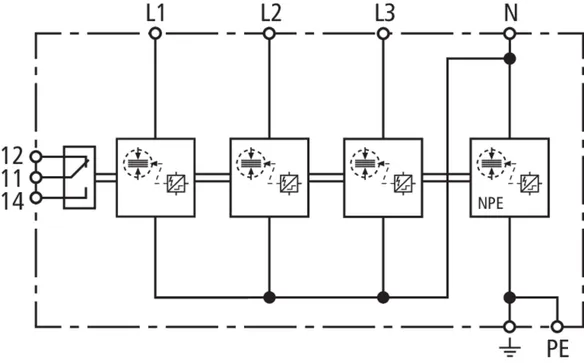
N.º art. 941310 DSH TT 255
GTIN 4013364131798, N.º de arancel aduanero (EU): 85363090, Peso bruto: 509.90 g, Empaquetado: 1.00 unidad(es)
Datos técnicos
| DPS según EN 61643-11 / ... IEC 61643-11 | Tipo 1 + Tipo 2 / Clase I + Clase II |
| Máxima tensión permisible de servicio AC (UC ) | 255 V (50 / 60 Hz) V |
| Corriente de choque de rayo (10/350 µs) [L1+L2+L3+N-PE] (Itotal ) | 50 kA |
| Corriente de choque de rayo (10/350 µs) [L-N]/[N-PE] (Iimp ) | 12,5 / 50 kA |
| Nivel de protección [L-N]/[N-PE] (UP ) | ≤ 1,5 / ≤ 1,5 kV |
| Fusible previo maximo | 160 A gG |
| Certificaciones | KEMA, VDE, UL |
| Datos técnicos adicionales: | --------------------------------- |
| Nivel de protección [L-PE] (UP ) | 2,0 kV |
N.º art. 941315 DSH TT 255 FM
GTIN 4013364275324, N.º de arancel aduanero (EU): 85363090, Peso bruto: 508.80 g, Empaquetado: 1.00 unidad(es)
Datos técnicos
| DPS según EN 61643-11 / ... IEC 61643-11 | Tipo 1 + Tipo 2 / Clase I + Clase II |
| Máxima tensión permisible de servicio AC (UC ) | 255 V (50 / 60 Hz) V |
| Corriente de choque de rayo (10/350 µs) [L1+L2+L3+N-PE] (Itotal ) | 50 kA |
| Corriente de choque de rayo (10/350 µs) [L-N]/[N-PE] (Iimp ) | 12,5 / 50 kA |
| Nivel de protección [L-N]/[N-PE] (UP ) | ≤ 1,5 / ≤ 1,5 kV |
| Fusible previo maximo | 160 A gG |
| Certificaciones | KEMA, VDE |
| Contactos FM / Forma de los contactos | contacto conmutado |
| Datos técnicos adicionales: | --------------------------------- |
| Nivel de protección [L-PE] (UP ) | 2,0 kV |
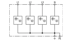
DEHNshield TT Basic FM
Descargador combinado de corriente de rayo y sobretensiones, precableado, de aplicación optimizada para sistemas TT y TN-S; para su utilización en los sistemas principales de alimentación (circuito 3+1) en edificios sin sistema de protección externa contra rayos (también con alimentación por líneas aéreas); con contacto de señalización remota libre de potencial.
1 Producto
N.º art. 941316 DSH B TT 255 FM
GTIN 4013364328075, N.º de arancel aduanero (EU): 85363090, Peso bruto: 510.00 g, Empaquetado: 1.00 unidad(es)
Datos técnicos
| DPS según EN 61643-11 / ... IEC 61643-11 | Tipo 1 + Tipo 2 / Clase I + Clase II |
| Máxima tensión permisible de servicio AC (UC ) | 255 V (50 / 60 Hz) V |
| Corriente de choque de rayo (10/350 µs) [L1+L2+L3+N-PE] (Itotal ) | 30 kA |
| Corriente de choque de rayo (10/350 µs) [L-N]/[N-PE] (Iimp ) | 7,5 / 30 kA |
| Nivel de protección [L-N]/[N-PE] (UP ) | ≤ 1,5 / ≤ 1,5 kV |
| Fusible previo maximo | 160 A gG |
| Certificaciones | VDE |
| Contactos FM / Forma de los contactos | contacto conmutado |
| Datos técnicos adicionales: | --------------------------------- |
| Nivel de protección [L-PE] (UP ) | 2,0 kV |
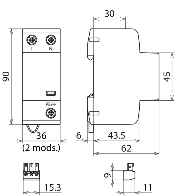
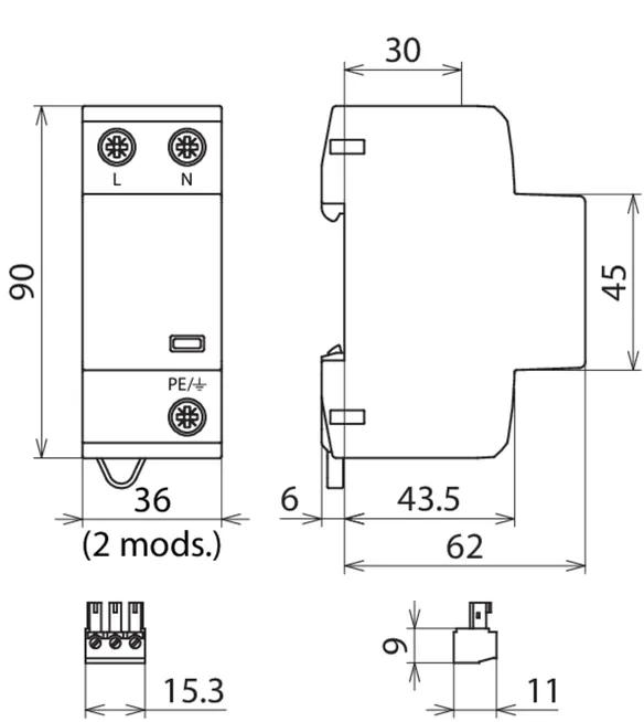
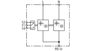
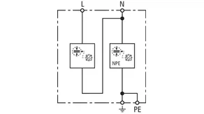
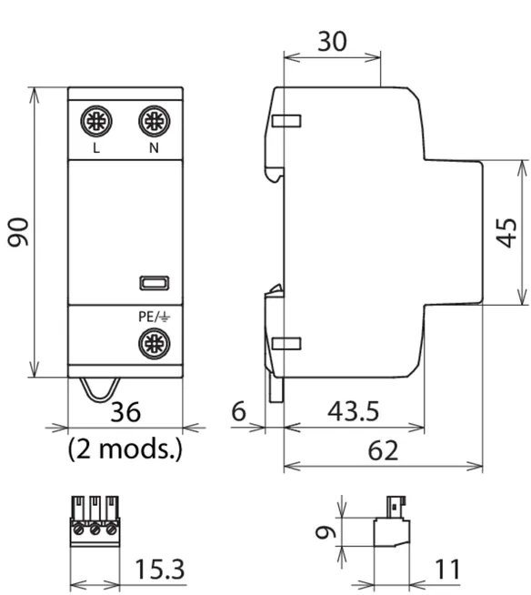
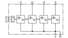
N.º art. 941200 DSH TN 255
GTIN 4013364138209, N.º de arancel aduanero (EU): 85363090, Peso bruto: 266.00 g, Empaquetado: 1.00 unidad(es)
Datos técnicos
| DPS según EN 61643-11 / ... IEC 61643-11 | Tipo 1 + Tipo 2 / Clase I + Clase II |
| Máxima tensión permisible de servicio AC (UC ) | 255 V (50 / 60 Hz) V |
| Corriente de choque de rayo (10/350 µs) [L+N-PE] (Itotal ) | 25 kA |
| Corriente de choque de rayo (10/350 µs) [L, N-PE] (Iimp ) | 12,5 kA |
| Nivel de protección [L-PE]/[N-PE] (UP ) | ≤ 1,5 /≤ 1,5 kV |
| Fusible previo maximo | 160 A gG |
| Certificaciones | KEMA, VDE, UL |
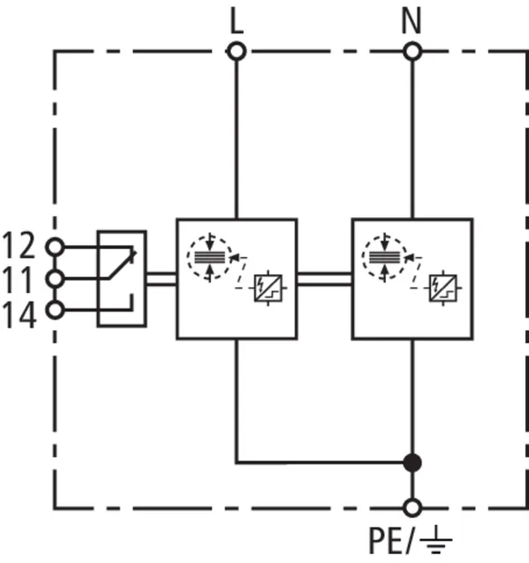
DEHNshield TN FM
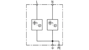
Descargador combinado de corrientes de rayo y sobretensiones de aplicación optimizada, precableado, basado en tecnología de vía de chispas para sistemas TN monofásicos con una tensión nominal de 230 V (circuito 2+0); con contacto de señalización remota libre de potential.
1 Producto
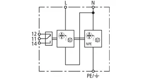
N.º art. 941205 DSH TN 255 FM
GTIN 4013364289185, N.º de arancel aduanero (EU): 85363090, Peso bruto: 276.00 g, Empaquetado: 1.00 unidad(es)
Datos técnicos
| DPS según EN 61643-11 / ... IEC 61643-11 | Tipo 1 + Tipo 2 / Clase I + Clase II |
| Máxima tensión permisible de servicio AC (UC ) | 255 V (50 / 60 Hz) V |
| Corriente de choque de rayo (10/350 µs) [L+N-PE] (Itotal ) | 25 kA |
| Corriente de choque de rayo (10/350 µs) [L, N-PE] (Iimp ) | 12,5 kA |
| Nivel de protección [L-PE]/[N-PE] (UP ) | ≤ 1,5 /≤ 1,5 kV |
| Fusible previo maximo | 160 A gG |
| Certificaciones | KEMA, VDE |
| Contactos FM / Forma de los contactos | contacto conmutado |
DEHNshield TN Basic FM
Descargador combinado de corrientes de rayo y sobretensiones, precableado, optimizado en su aplicación para los sistemas TN monofásicos; para su utilización en los sistemas principales de alimentación (circuito 2+0) en edificios sin protección externa contra rayos (también con alimentación por líneas aéreas); con contacto de señalización a distancia libre de potencial.
1 Producto
N.º art. 941206 DSH B TN 255 FM
GTIN 4013364373839, N.º de arancel aduanero (EU): 85363090, Peso bruto: 276.00 g, Empaquetado: 1.00 unidad(es)
Datos técnicos
| DPS según EN 61643-11 / ... IEC 61643-11 | Tipo 1 + Tipo 2 / Clase I + Clase II |
| Máxima tensión permisible de servicio AC (UC ) | 255 V (50 / 60 Hz) V |
| Corriente de choque de rayo (10/350 µs) [L+N-PE] (Itotal ) | 15 kA |
| Corriente de choque de rayo (10/350 µs) [L, N-PE] (Iimp ) | 7,5 kA |
| Nivel de protección [L-PE]/[N-PE] (UP ) | ≤ 1,5 /≤ 1,5 kV |
| Fusible previo maximo | 160 A gG |
| Contactos FM / Forma de los contactos | contacto conmutado |
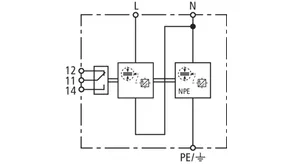
N.º art. 941110 DSH TT 2P 255
GTIN 4013364137899, N.º de arancel aduanero (EU): 85363090, Peso bruto: 291.00 g, Empaquetado: 1.00 unidad(es)
Datos técnicos
| DPS según EN 61643-11 / ... IEC 61643-11 | Tipo 1 + Tipo 2 / Clase I + Clase II |
| Máxima tensión permisible de servicio AC (UC ) | 255 V (50 / 60 Hz) V |
| Corriente de choque de rayo (10/350 µs) [L+N-PE] (Itotal ) | 25 kA |
| Corriente de choque de rayo (10/350 µs) [L-N]/[N-PE] (Iimp ) | 12,5 / 25 kA |
| Nivel de protección [L-N]/[N-PE] (UP ) | ≤ 1,5 / ≤ 1,5 kV |
| Fusible previo maximo | 160 A gG |
| Certificaciones | KEMA, VDE, UL |
| Datos técnicos adicionales: | --------------------------------- |
| Nivel de protección [L-PE] (UP ) | 2,0 kV |
DEHNshield TT 2P FM
Descargador combinado precableado contra corrientes de rayo y de sobretensiones de aplicación optimizada, basado en tecnología de vía de chispas para sistemas monofásicas TT y TN con una tensión nominal de 230 V (circuito 1+1); con contacto de señalización remota libre de potencial.
1 Producto
N.º art. 941115 DSH TT 2P 255 FM
GTIN 4013364289208, N.º de arancel aduanero (EU): 85363090, Peso bruto: 301.00 g, Empaquetado: 1.00 unidad(es)
Datos técnicos
| DPS según EN 61643-11 / ... IEC 61643-11 | Tipo 1 + Tipo 2 / Clase I + Clase II |
| Máxima tensión permisible de servicio AC (UC ) | 255 V (50 / 60 Hz) V |
| Corriente de choque de rayo (10/350 µs) [L+N-PE] (Itotal ) | 25 kA |
| Corriente de choque de rayo (10/350 µs) [L-N]/[N-PE] (Iimp ) | 12,5 / 25 kA |
| Nivel de protección [L-N]/[N-PE] (UP ) | ≤ 1,5 / ≤ 1,5 kV |
| Fusible previo maximo | 160 A gG |
| Certificaciones | KEMA, VDE |
| Contactos FM / Forma de los contactos | contacto conmutado |
| Datos técnicos adicionales: | --------------------------------- |
| Nivel de protección [L-PE] (UP ) | 2,0 kV |
DEHNshield TT 2P Basic FM
Descargador combinado de corrientes de rayo y sobretensiones, precableado, optimizado en su aplicación para los sistemas TT y TN monofásicos; para su utilización en los sistemas principales de alimentación (circuito 1+1) en edificios sin protección externa contra rayos (también con alimentación por líneas aéreas); con contacto de señalización a distancia libre de potencial.
1 Producto
N.º art. 941116 DSH B TT 2P 255 FM
GTIN 4013364373235, N.º de arancel aduanero (EU): 85363090, Peso bruto: 301.00 g, Empaquetado: 1.00 unidad(es)
Datos técnicos
| DPS según EN 61643-11 / ... IEC 61643-11 | Tipo 1 + Tipo 2 / Clase I + Clase II |
| Máxima tensión permisible de servicio AC (UC ) | 255 V (50 / 60 Hz) V |
| Corriente de choque de rayo (10/350 µs) [L+N-PE] (Itotal ) | 15 kA |
| Corriente de choque de rayo (10/350 µs) [L-N]/[N-PE] (Iimp ) | 7,5 / 15 kA |
| Nivel de protección [L-N]/[N-PE] (UP ) | ≤ 1,5 / ≤ 1,5 kV |
| Fusible previo maximo | 160 A gG |
| Contactos FM / Forma de los contactos | contacto conmutado |
| Datos técnicos adicionales: | --------------------------------- |
| Nivel de protección [L-PE] (UP ) | 2,0 kV |
