DEHNcord
:quality(98)/www.dehn.mx/store/f/62360015/HDVORSCHAU/900445a1_16-9.jpg)
:quality(98)/www.dehn.mx/store/f/62360015/HDVORSCHAU/900445a1_16-9.jpg)
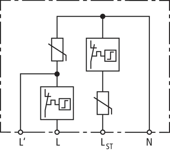
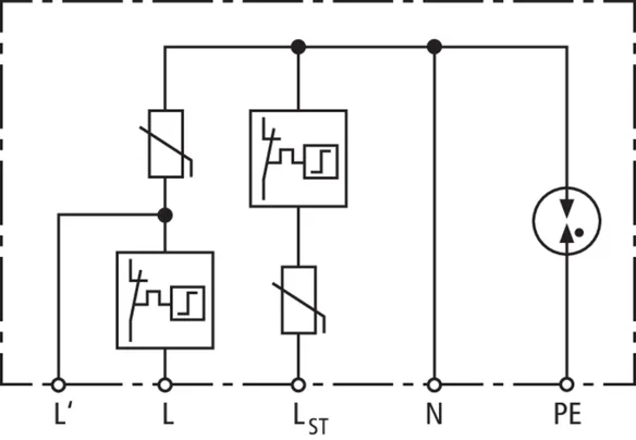
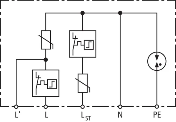
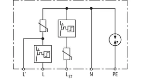
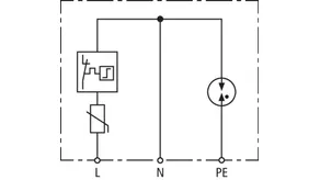
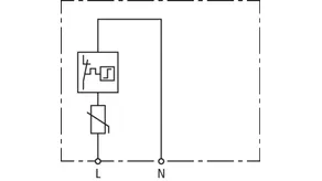
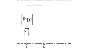
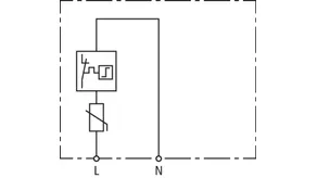
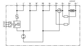
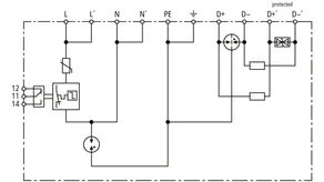
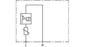
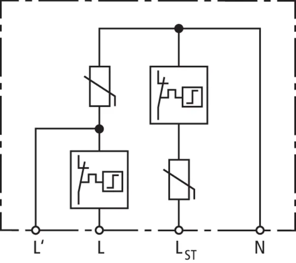
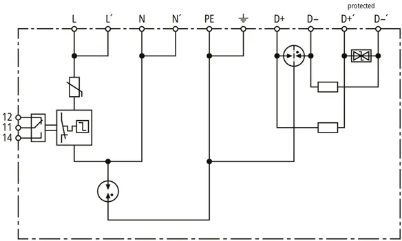
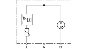
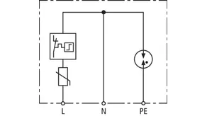
- Protección contra sobretensiones unipolar, bipolar o tripolar con dispositivo de vigilancia y desconexión
- Indicación óptica de fallo
- Versiones disponibles con función de desconexión del circuito de carga en caso de fallo y protección de la fase de control
- Diseño compacto, también para zonas de exterior
- Para su utilización en cajas de interconexión, sistemas de empotrar, canaletas de cables y cajas de montaje
Detalles
:quality(98)/www.dehn.mx/store/f/62360016/HDVORSCHAU/900447a2.jpg)
:quality(98)/www.dehn.mx/store/f/62360016/HDVORSCHAU/900447a2.jpg)
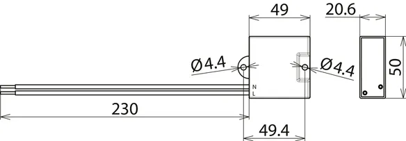
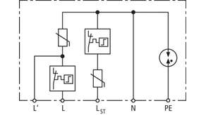
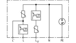
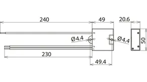
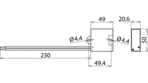
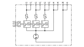
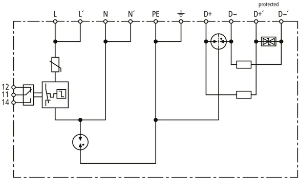
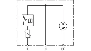
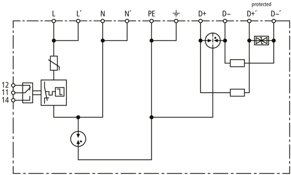
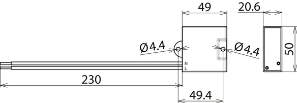
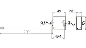
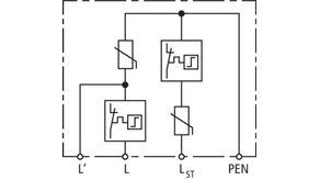
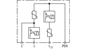
N.º art. 900439 DCOR 3P TT 275 FM
GTIN 4013364436053, N.º de arancel aduanero (EU): 85363030, Peso bruto: 129.38 g, Empaquetado: 1.00 unidad(es)
Datos técnicos
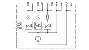
DPS según EN 61643-11 / ... IEC 61643-11 | Tipo 2 + Tipo 3 / Clase II + Clase III |
Máxima tensión permisible de servicio AC (UC ) | 275 V (50 / 60 Hz) |
Máxima tensión permisible de servicio DC (UC ) | 350 V |
Corriente nominal de descarga (8/20 µs) [L-N] (In ) | 10 kA |
Máx. corriente de descarga (8/20 µs) [L-N] (Imax ) | 20 kA |
Corriente nominal de descarga (8/20 µs) [N-PE] (In ) | 10 kA |
Máx. corriente de descarga (8/20 µs) [N-PE] (Imax ) | 40 kA |
Nivel de protección [L-N] (UP ) | ≤ 1,5 kV |
Nivel de protección [N-PE] (UP ) | ≤ 1,5 kV |
Certificaciones | KEMA |
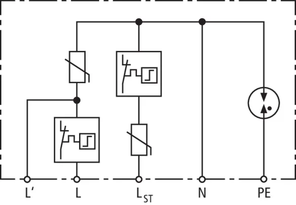
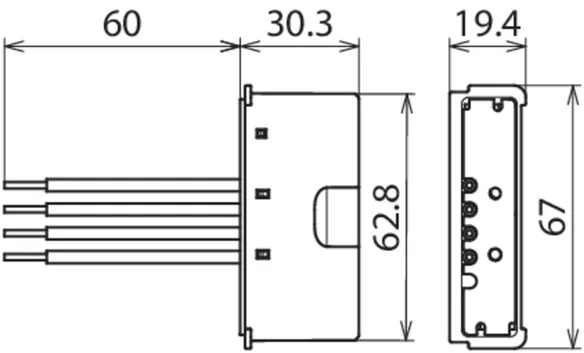
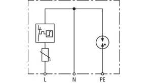
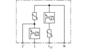
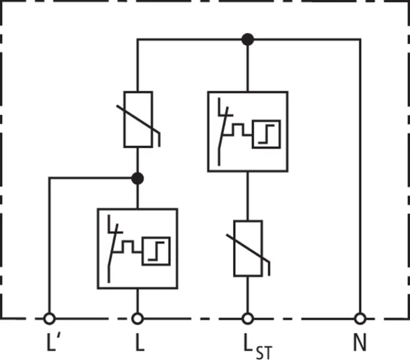
N.º art. 900438 DCOR 1P 275 D FM
GTIN 4013364526891, N.º de arancel aduanero (EU): 85363030, Peso bruto: 86.27 g, Empaquetado: 1.00 unidad(es)
Datos técnicos
Datos técnicos | |
DPS según EN 61643-11 / ... IEC 61643-11 | Tipo 2 + Tipo 3 / Clase II + Clase III |
Máxima tensión permisible de servicio AC (UC ) | 275 V (50 / 60 Hz) |
Máxima tensión permisible de servicio DC (UC ) | 350 V |
Corriente nominal de descarga (8/20 µs) [L-N] (In ) | 10 kA |
Máx. corriente de descarga (8/20 µs) [L-N] (Imax ) | 20 kA |
Corriente nominal de descarga (8/20 µs) [N-PE] (In ) | 10 kA |
Máx. corriente de descarga (8/20 µs) [N-PE] (Imax ) | 40 kA |
Nivel de protección [L-N] (UP ) | ≤ 1,5 kV |
Nivel de protección [N-PE] (UP ) | ≤ 1,5 kV |
Certificaciones | KEMA |
Datos técnicos del lado de señal | |
Tipo de descargador | U |
Tensión nominal CC (UN ) | 24 V |
Máx. tensión permisible de servicio CC (UC ) | 28 V |
C2 Corriente nominal de descarga (8/20 µs) total (In ) | 10 kA |
Impedancia en serie por hilo | 1,8 Ohmios |
Frecuencia de corte hilo-hilo (100 Ω) (fG ) | 10 MHz |
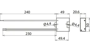
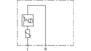
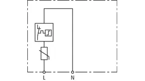
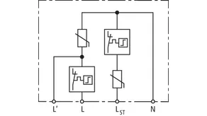
N.º art. 900430 DCOR L 2P 275
GTIN 4013364157286, N.º de arancel aduanero (EU): 85363030, Peso bruto: 73.00 g, Empaquetado: 1.00 unidad(es)
Datos técnicos
DPS según EN 61643-11 / ... IEC 61643-11 | Tipo 2 / Clase II |
Máxima tensión permisible de servicio AC (UC ) | 275 V (50 / 60 Hz) |
Corriente nominal de descarga (8/20 µs) (In ) | 5 kA |
Corriente max. de descarga (8/20 µs) (Imax ) | 10 kA |
Nivel de protección [L-N] (UP ) | ≤ 1,5 kV |
Nivel de protección [N-PE] (UP ) | ≤ 1,5 kV |
Fusible previo máximo | 25 A gG |
Certificaciones | KEMA |
N.º art. 900432 DCOR L 2P 320
GTIN 4013364157309, N.º de arancel aduanero (EU): 85363030, Peso bruto: 74.00 g, Empaquetado: 1.00 unidad(es)
Datos técnicos
DPS según EN 61643-11 / ... IEC 61643-11 | Tipo 2 / Clase II |
Máxima tensión permisible de servicio AC (UC ) | 320 V (50 / 60 Hz) |
Corriente nominal de descarga (8/20 µs) (In ) | 5 kA |
Corriente max. de descarga (8/20 µs) (Imax ) | 10 kA |
Nivel de protección [L-N] (UP ) | ≤ 1,75 kV |
Nivel de protección [N-PE] (UP ) | ≤ 1,5 kV |
Fusible previo máximo | 25 A gG |
Certificaciones | KEMA |
N.º art. 900431 DCOR L 1P 275
GTIN 4013364310827, N.º de arancel aduanero (EU): 85363030, Peso bruto: 60.00 g, Empaquetado: 1.00 unidad(es)
Datos técnicos
DPS según EN 61643-11 / ... IEC 61643-11 | Tipo 2 / Clase II |
Máxima tensión permisible de servicio AC (UC ) | 275 V (50 / 60 Hz) |
Corriente nominal de descarga (8/20 µs) (In ) | 5 kA |
Corriente max. de descarga (8/20 µs) (Imax ) | 10 kA |
Nivel de protección [L-N] (UP ) | ≤ 1,5 kV |
Fusible previo máximo | 25 A gG |
Certificaciones | KEMA |
N.º art. 900433 DCOR L 1P 320
GTIN 4013364157316, N.º de arancel aduanero (EU): 85363030, Peso bruto: 61.00 g, Empaquetado: 1.00 unidad(es)
Datos técnicos
DPS según EN 61643-11 / ... IEC 61643-11 | Tipo 2 / Clase II |
Máxima tensión permisible de servicio AC (UC ) | 320 V (50 / 60 Hz) |
Corriente nominal de descarga (8/20 µs) (In ) | 5 kA |
Corriente max. de descarga (8/20 µs) (Imax ) | 10 kA |
Nivel de protección [L-N] (UP ) | ≤ 1,75 kV |
Fusible previo máximo | 25 A gG |
Certificaciones | KEMA |
N.º art. 999906 DCOR L 2P SN1864
GTIN 4013364310926, N.º de arancel aduanero (EU): 85363030, Peso bruto: 70.50 g, Empaquetado: 1.00 unidad(es)
Datos técnicos
DPS según EN 61643-11 / ... IEC 61643-11 | Tipo 2 / Clase II |
Máxima tensión permisible de servicio AC (UC ) | 275 V (50 / 60 Hz) |
Corriente nominal de descarga (8/20 µs) (In ) | 5 kA |
Corriente max. de descarga (8/20 µs) (Imax ) | 10 kA |
Nivel de protección [L-N] (UP ) | ≤ 1,5 kV |
Protección contra sobrecorriente máxima lado de red | B 16 A |
N.º art. 999937 DCOR L 2P SN1860
GTIN 4013364303195, N.º de arancel aduanero (EU): 85363030, Peso bruto: 86.00 g, Empaquetado: 1.00 unidad(es)
Datos técnicos
DPS según EN 61643-11 / ... IEC 61643-11 | Tipo 2 / Clase II |
Máxima tensión permisible de servicio AC (UC ) | 275 V (50 / 60 Hz) |
Corriente nominal de descarga (8/20 µs) (In ) | 5 kA |
Corriente max. de descarga (8/20 µs) (Imax ) | 10 kA |
Nivel de protección [L-N] (UP ) | ≤ 1,5 kV |
Nivel de protección [N-PE] (UP ) | ≤ 1,5 kV |
Protección contra sobrecorriente máxima lado de red | B 16 A |
N.º art. 900446 DCOR L 2P 275 SO LTG
GTIN 4013364292970, N.º de arancel aduanero (EU): 85363030, Peso bruto: 62.50 g, Empaquetado: 1.00 unidad(es)
Datos técnicos
DPS según EN 61643-11 / ... IEC 61643-11 | Tipo 2 / Clase II |
Máxima tensión permisible de servicio AC (UC ) | 275 V (50 / 60 Hz) |
Corriente nominal de descarga (8/20 µs) (In ) | 5 kA |
Corriente max. de descarga (8/20 µs) (Imax ) | 10 kA |
Nivel de protección [L-N] (UP ) | ≤ 1,5 kV |
Nivel de protección [N-PE] (UP ) | ≤ 1,5 kV |
Protección contra sobrecorriente máxima lado de red | B 16 A |
Certificaciones | KEMA |
N.º art. 900435 DCOR L 2P 275 SO LT
GTIN 4013364292963, N.º de arancel aduanero (EU): 85363030, Peso bruto: 70.00 g, Empaquetado: 1.00 unidad(es)
Datos técnicos
DPS según EN 61643-11 / ... IEC 61643-11 | Tipo 2 / Clase II |
Máx. tensión permisible de servicio AC [L-PEN] (UC ) | 275 V (50 / 60 Hz) |
Corriente nominal de descarga (8/20 µs) (In ) | 5 kA |
Corriente max. de descarga (8/20 µs) (Imax ) | 10 kA |
Nivel de protección [L-PEN] (UP ) | ≤ 1,5 kV |
Protección contra sobrecorriente máxima lado de red | B 16 A |
Certificaciones | KEMA |
N.º art. 900447 DCOR L 3P 275 SO IP
GTIN 4013364282216, N.º de arancel aduanero (EU): 85363030, Peso bruto: 146.60 g, Empaquetado: 1.00 unidad(es)
Datos técnicos
DPS según EN 61643-11 / ... IEC 61643-11 | Tipo 2 / Clase II |
Máxima tensión permisible de servicio AC (UC ) | 275 V (50 / 60 Hz) |
Corriente nominal de descarga (8/20 µs) (In ) | 5 kA |
Corriente max. de descarga (8/20 µs) (Imax ) | 10 kA |
Nivel de protección [L-N] (UP ) | ≤ 1,5 kV |
Nivel de protección [N-PE] (UP ) | ≤ 1,5 kV |
Protección contra sobrecorriente máxima lado de red | B 16 A |
N.º art. 900448 DCOR L 2P 275 SO IP
GTIN 4013364293007, N.º de arancel aduanero (EU): 85363030, Peso bruto: 139.90 g, Empaquetado: 1.00 unidad(es)
Datos técnicos
DPS según EN 61643-11 / ... IEC 61643-11 | Tipo 2 / Clase II |
Máxima tensión permisible de servicio AC (UC ) | 275 V (50 / 60 Hz) |
Corriente nominal de descarga (8/20 µs) (In ) | 5 kA |
Corriente max. de descarga (8/20 µs) (Imax ) | 10 kA |
Nivel de protección [L-N] (UP ) | ≤ 1,5 kV |
Nivel de protección [N-PE] (UP ) | ≤ 1,5 kV |
Protección contra sobrecorriente máxima lado de red | B 16 A |
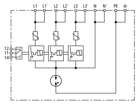
N.º art. 900449 DCOR R 3P 275
GTIN 4013364320031, N.º de arancel aduanero (EU): 85363030, Peso bruto: 151.00 g, Empaquetado: 1.00 unidad(es)
Datos técnicos
DPS según EN 61643-11 / ... IEC 61643-11 | Tipo 2 / Clase II |
Máxima tensión permisible de servicio AC (UC ) | 275 V (50 / 60 Hz) |
Corriente nominal de descarga (8/20 µs) (In ) | 2,5 kA |
Corriente max. de descarga (8/20 µs) (Imax ) | 5 kA |
Nivel de protección [L-N] (UP ) | ≤ 1,5 kV |
Conexión | Hirschmann STAK 3 / STAS 3 |